exponenta event banner

setlinio

Сохраните линейные аналитические точки в модель Simulink, блок Linear Analysis Plots или блок Model Verification

Описание

пример

setlinio(mdl,io) написали аналитические точки, заданные в io к модели mdl Simulink®.

пример

setlinio(blockpath,io) устанавливает заданные аналитические точки на заданный блок Linear Analysis Plots или блок Model Verification.

пример

oldio = setlinio(___) возвращает текущий набор аналитических точек в модели или блоке и заменяет их на io использование любого из предыдущих синтаксисов.

Примеры

свернуть все

Открытая модель Simulink.

model = 'magball';
open_system(model)

Создайте вектор аналитических точек для линеаризации модели объекта управления:

  • Введите возмущение при выходе блока Controller

  • Разомкнутый цикл выводится при выходе блока Magnetic Ball Plant

io(1) = linio('magball/Controller',1,'input');
io(2) = linio('magball/Magnetic Ball Plant',1,'openoutput');

Запишите, что анализ указывает на magball модель.

setlinio(model,io);

Анализ указывает в io добавляются к модели как аннотации. Можно затем сохранить модель, чтобы сохранить аналитические точки с моделью.

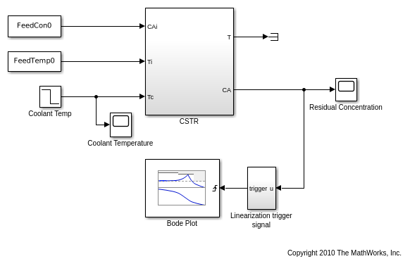
Открытая модель Simulink.

open_system('scdcstr')

Создайте аналитические точки для нахождения передаточной функции между температурой хладагента и остаточной концентрацией.

  • Введите возмущение при выходе блока Coolant Temp

  • Выведите измерение в CA выход блока CSTR

io(1) = linio('scdcstr/Coolant Temp',1,'input');
io(2) = linio('scdcstr/CSTR',2,'output');

Установите аналитические точки в блоке Bode Plot.

setlinio('scdcstr/Bode Plot',io);

Просмотрите аналитические точки в диалоговом окне Bode Plot Block Parameters.

open_system('scdcstr/Bode Plot')

В процессе моделирования программное обеспечение линеаризует модель с помощью заданного анализа и строит величину и фазовые отклики для получившейся линейной системы.

Открытая модель Simulink.

mdl = 'scdpwm';
open_system(mdl)

Эта модель сконфигурирована с аналитическими точками для нахождения объединенной передаточной функции блоков объекта и PWM.

Создайте аналитические точки для нахождения передаточной функции только модели объекта управления.

io(1) = linio('scdpwm/Voltage to PWM',1,'input');
io(2) = linio('scdpwm/Plant Model',1,'output');

Сохраните аналитические точки к модели и сохраните предыдущую аналитическую настройку точки.

oldio = setlinio(mdl,io)
2x1 vector of Linearization IOs: 
--------------------------
1. Linearization input perturbation located at the following signal:
- Block: scdpwm/Step
- Port: 1
2. Linearization output measurement located at the following signal:
- Block: scdpwm/Plant Model
- Port: 1

Входные параметры

свернуть все

Имя модели Simulink в виде вектора символов или строки. Модель должна быть в текущей рабочей папке или на пути MATLAB®.

Если модель не является открытой или загруженной в память, setlinio загружает модель в память.

Аналитический набор точки в виде объекта I/O линеаризации или вектора объектов ввода-вывода линеаризации.

Каждый объект I/O линеаризации имеет следующие свойства:

СвойствоОписание
Active

Отметьте указание, использовать ли аналитическую точку в линеаризации в виде одного из следующего:

  • 'on' — Используйте аналитическую точку в линеаризации. Это значение является опцией по умолчанию.

  • 'off' — Не используйте аналитическую точку в линеаризации. Используйте эту опцию, если у вас есть существующий набор аналитических точек, и вы хотите линеаризовать модель с подмножеством этих точек.

Block

Полный блок path блока, с которым аналитическая точка сопоставлена в виде вектора символов.

PortNumber

Выходной порт, с которым аналитическая точка сопоставлена в виде целого числа.

Type

Аналитическая точка вводит в виде одного из следующего:

  • 'input' — Введите возмущение

  • 'output' — Выведите измерение

  • 'loopbreak' — Пропуск цикла

  • 'openinput' — Разомкнутый цикл вводится

  • 'openoutput' — Разомкнутый цикл выводится

  • 'looptransfer' — Передача цикла

  • 'sensitivity' — Чувствительность

  • 'compsensitivity' — Дополнительная чувствительность

Для получения дополнительной информации об аналитических типах точки смотрите, Задают Фрагмент Модели, чтобы Линеаризовать.

BusElement

Соедините шиной имя элемента, с которым аналитическая точка сопоставлена в виде вектора символов или '' если аналитическая точка не является элементом шины.

Description

Заданное пользователями описание аналитической точки, которую можно установить для удобства в виде вектора символов.

Линейный блок Analysis Plots или блок Model Verification в виде вектора символов или строки, которая содержит ее полный блок path. Модель, которая содержит блок, должна быть в текущей рабочей папке или на пути MATLAB.

Для получения дополнительной информации о:

Выходные аргументы

свернуть все

Старый аналитический набор точки, возвращенный как объект I/O линеаризации или вектор объектов ввода-вывода линеаризации.

Альтернативная функциональность

Модель Simulink

Можно также задать аналитические точки непосредственно в модели Simulink. Для получения дополнительной информации смотрите, Задают Фрагмент Модели, чтобы Линеаризовать в Модели Simulink.

Представлено до R2006a