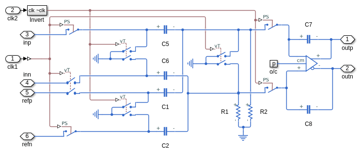
Простая реализация дельта-сигма АЦП. Вход в области значений 0 к Vref (=1V) интегрирован, пока это не заставляет интегратор сбрасывать. Время, чтобы сбросить пропорционально входному значению. Демодуляция импульсов выполняется фильтром lowpass. Блок The Asynchronous Sample & Hold ведет себя как запускаемый фронтом D-триггер, передающий вход U к выходу Y только на фронте. Эта модель может использоваться, чтобы исследовать и понять влияние эффектов операционного усилителя, таких как эквивалентный входной шум на точность преобразования. Чтобы выключить шум, откройте блок Vn и выберите 'Disabled' для шумового режима.