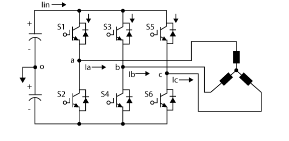
Трехфазный инвертор источника напряжения
Блок силового агрегата/движитель/электродвигатели и инверторы

Блок трехфазного инвертора источника напряжения реализует трехфазный инвертор источника напряжения, который генерирует команды нейтрального напряжения для сбалансированной трехфазной нагрузки. Сконфигурируйте функцию переключения напряжения для непрерывной векторной модуляции или входных сигналов переключателя инвертора. Блок можно включить в модель с замкнутым контуром для моделирования инвертора питания. Блок управляет идеальными состояниями переключения.
Чтобы включить вычисления потерь мощности, подходящие для целей генерации кода, ограничивающих объем памяти, выберите Включить оптимизированную память 2D LUT. Щелкните Калибровка карт (Calibrate Maps), чтобы виртуально откалибровать таблицу поиска потерь мощности инвертора как функцию крутящего момента и частоты вращения двигателя.
Если выбран параметр Температура входного инвертора (Input inverter temperature), щелкните Калибровка карт (Calibrate Maps), чтобы виртуально откалибровать таблицу потерь мощности как функцию крутящего момента двигателя, частоты вращения двигателя и температуры инвертора. Невозможно включить оптимизацию памяти для 3D таблицы поиска потерь питания.
Используйте параметр Switching voltage function для установки функции switching voltage.
|
Настройка |
Внедрение |
Иллюстрация |
|---|---|---|
|
Управляемое фазное напряжение |
Фаза a, b, c ввода команды «напряжение линии-нейтрали». Подходит для непрерывных входных сигналов синусоидальной или пространственно-векторной модуляции. |
|
|
Переключить входы (по умолчанию) |
Команда ввода переключателя инвертора. Подходит для аппаратного моделирования в контуре (HIL). Инвертор переключает S1, S3 и S5 с помощью дополнительного управления для S2, S4 и S6. |
|
При наличии Toolbox™ Калибровка на основе модели (Model-Based Calibration) щелкните Калибровка карт (Calibrate Maps), чтобы виртуально откалибровать таблицы поиска с использованием измеренных данных. В диалоговом окне выполняются эти задачи.
Задача | Описание | ||||||
|---|---|---|---|---|---|---|---|
Импорт данных о потерях | Импортировать эти данные потери из файла. Например, открыть Дополнительные сведения см. в разделе Использование данных (панель инструментов калибровки на основе модели).
Сбор данных инвертора в установившихся рабочих условиях. Данные должны охватывать рабочий диапазон частоты вращения, крутящего момента и температуры инвертора. Для фильтрации или редактирования данных выберите «Изменить в приложении». Откроется редактор данных панели инструментов калибровки на основе модели. | ||||||
Создание моделей ответа | Панель инструментов калибровки на основе модели использует планы испытаний для соответствия данных гауссовым моделям процессов (GPM). Чтобы оценить или скорректировать соответствие модели ответа, выберите Править в приложении. Откроется обозреватель модели Панель инструментов калибровки на основе модели (Model-Based Calibration Toolbox Model Browser). Дополнительные сведения см. в разделе Оценка модели (панель инструментов калибровки на основе модели). | ||||||
Создать калибровку | Панель инструментов калибровки на основе модели откалибрует модели отклика и генерирует откалиброванные таблицы. Чтобы оценить или скорректировать калибровку, выберите Изменить в приложении. Откроется обозреватель CAGE панели инструментов калибровки на основе модели. Дополнительные сведения см. в разделе Таблицы поиска калибровки (панель инструментов калибровки на основе модели). | ||||||
Обновление параметров блока | Обновите эти параметры с помощью калибровки.
|
Для напряжения переключателя реализация блока зависит от настройки функции Switching voltage.
| Настройка | Вычисление | Уравнения |
|---|---|---|
Commanded phase voltage | Команды непрерывного напряжения «линия-нейтраль» устанавливаются в фазу a, b, c ввода команды «линия-нейтраль» | cmdvcn = vc _ cmd |
Напряжение между линиями | − van | |
Switch inputs | Функция переключения | |
Напряжение от линии к центральной точке | SFc | |
Напряжение «линия-нейтраль» | − 13 (vao + vbo + vco | |
Напряжение между линиями | − van |
Уравнения используют эти переменные.
SFa, SFb, SFc | Функции переключения линий фазы a, b, c соответственно |
vbus | Напряжение шины источника питания |
Вао, Vbo, Vco | Фаза a, b, c напряжения «линия-центр» соответственно |
Ван, Vbn, Vcn | Фаза a, b, c напряжения «линия-нейтраль» соответственно |
Vab, Vbc, Vca | Фаза ab, bc, напряжение линии к нейтрали, соответственно |
Va_cmd, Vb_cmd, Vc_cmd | Команды линейного и нейтрального напряжения фазы a, b, c соответственно |
Для напряжения «линия-центр», «линия-нейтраль» и «линия-линия» блок реализует эти уравнения.
| Вычисление | Уравнения | |
|---|---|---|
| Мощность двигателя и шины | vbusbus | |
Потеря мощности инвертора и ток шины | vcnic + PLossInv vbus | |
Уравнения используют эти переменные.
| Pmtr | Мощность, подаваемая на двигатель |
Pbus | Питание от входной шины |
Ploss | Потеря питания |
ibus | Ток шины источника питания |
ia, ib, ic | Ток линии фазы a, b, c соответственно |
Ван, Vbn, Vcn | Фаза a, b, c напряжения «линия-нейтраль» соответственно |
vbus | Напряжение шины источника питания |
Для учета мощности блок реализует эти уравнения.
| Сигнал шины | Описание | Переменная | Уравнение | ||
|---|---|---|---|---|---|
|
|
| Мощность, подаваемая на двигатель | PTrnsfrdMtr | vcnic) |
PwrBus | Питание от входной шины | PTrnsfrdBus | Pbus | ||
|
| PwrLoss | Потеря питания Отрицательное значение указывает на потерю мощности | PNotTrnsfrd | PTrnsfrdMtr) | |
|
| Не используется | ||||
Параметр таблицы потерь мощности инвертора Соответствующие потери мощности, ploss_table данные являются функцией крутящего момента двигателя и частоты вращения двигателя при различных напряжениях батареи. Положительный ток указывает на разряд батареи. Отрицательный ток указывает на заряд батареи.
Чтобы включить вычисления потерь мощности, подходящие для целей генерации кода, ограничивающих объем памяти, выберите Включить оптимизированную память 2D LUT. Блок использует линейную интерполяцию для оптимизации значений таблицы поиска потерь мощности инвертора для генерации кода. В этой таблице приводится сводная информация о реализации оптимизации.
| Сценарий использования | Внедрение | |
|---|---|---|
Частота вращения и крутящий момент двигателя выравниваются со значениями контрольной точки таблицы поиска. | Оптимизированная для памяти потеря мощности - это значение таблицы поиска потерь мощности при пересечении частоты вращения двигателя и крутящего момента. | |
Частота вращения и крутящий момент двигателя не совпадают со значениями контрольной точки таблицы поиска, но находятся в пределах диапазона. | Оптимизированная для памяти потеря мощности представляет собой линейную интерполяцию между соответствующей скоростью двигателя и крутящим моментом. | |
Значения частоты вращения и крутящего момента двигателя не совпадают со значениями точки останова таблицы поиска и выходят за пределы диапазона. | Невозможно вычислить потерю питания, оптимизированную для памяти. Блок использует экстраполированные данные. | |
Таблицы поиска, оптимизированные для создания кода, не поддерживают экстраполяцию данных, находящихся вне допустимого диапазона. Однако предварительно рассчитанные значения экстраполяции можно включить в таблицу поиска потерь мощности, выбрав команду Указать экстраполяцию (Specify Extrapolation).
Блок использует параметры конечной точки для изменения размера табличных данных.
| Ввод данных пользователем | Экстраполяция |
|---|---|
|
|
[1] Ли, Бьюн-Кук и Мехрдад Эхсами. «Упрощенная функциональная модель моделирования для трехфазного инвертора» напряжение-источник «с использованием концепции коммутационных функций». IEEE ® Transactions on Industrial Electronics, том 48, № 2, стр. 309-321, апрель 2001 года.
[2] Зиогас, фойва Д., Эдуардо П. Вихманн и Виктор Р. Стефанович. «Автоматизированный подход к анализу и проектированию статических инверторов источников напряжения». IEEE Transactions on Industrial Electronics Transactions on Industry Applications, том IA-21, № 5, сентябрь/октябрь 1985 года.
Контроллер PM на основе потока | Асинхронный двигатель | Внутренняя PMSM | Поверхностное крепление PMSM