exponenta event banner

jc_0657: Сохранение выходного значения на основе блоков потока условного управления и блоков объединения

Рекомендации по субидентификатору

  • NA-MAAB - a2

  • JMAAB - a1/a2

Версии MATLAB

Все

Правило

Субидентификатор a1

Неиспользуемые порты действий должны подключаться к блоку терминатора (Simulink) при выполнении следующих условий:

  • Предыдущее значение сохраняется

  • Для переключения функций используются блок объединения (Simulink) и блок условного потока, такой как блок If (Simulink) или Switch Case (Simulink).

Пользовательский параметр

Неприменимо

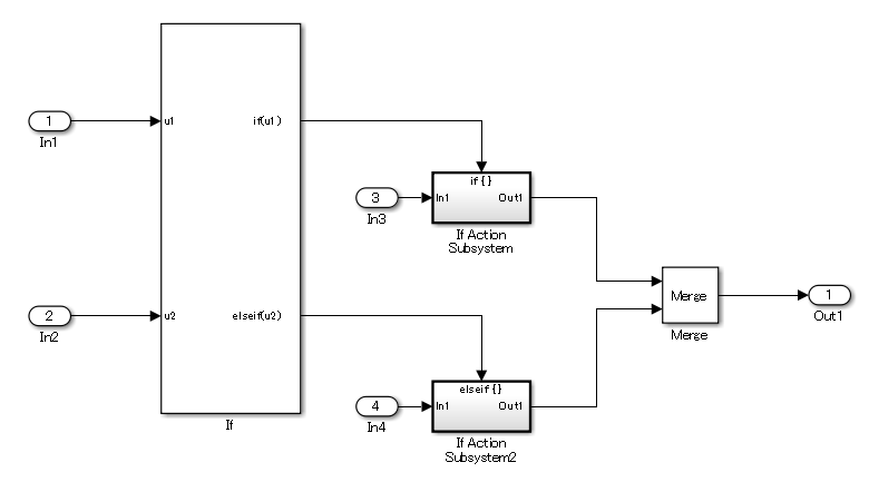
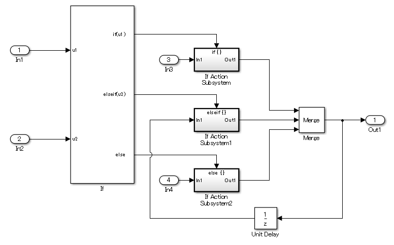
Пример - Правильно

Пример блока If (Simulink)

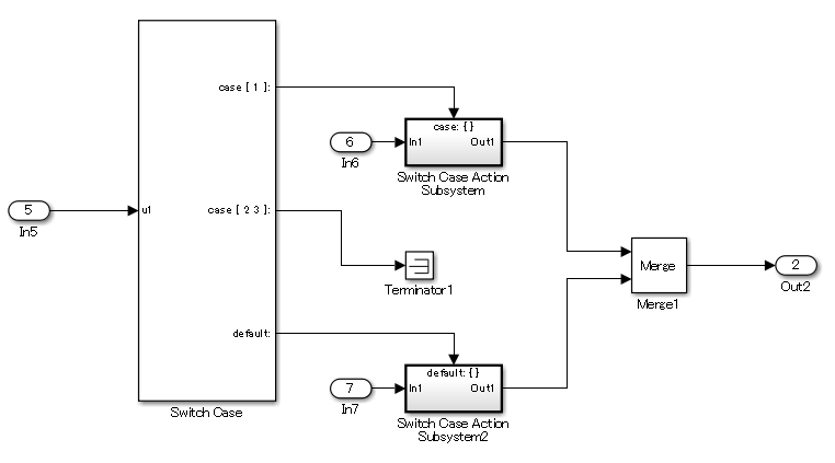
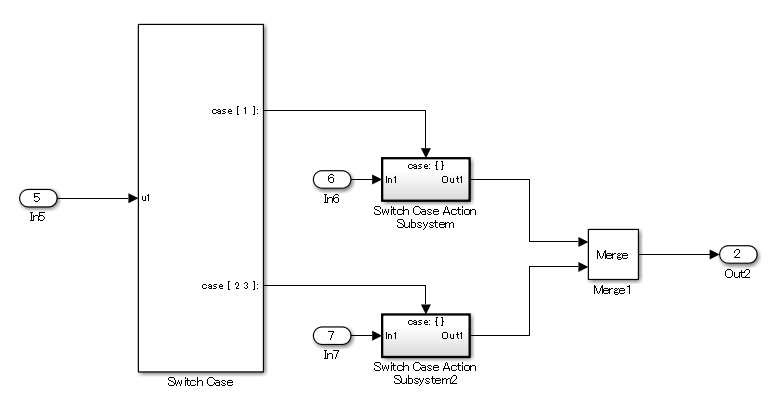
Пример блока Switch Case (Simulink)

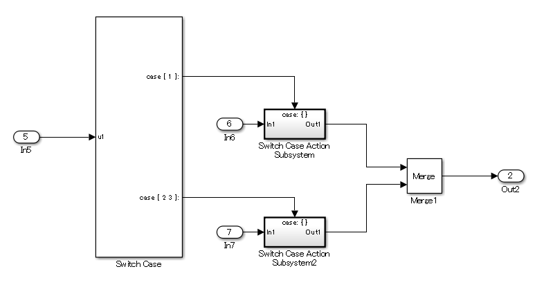
Пример - неверный

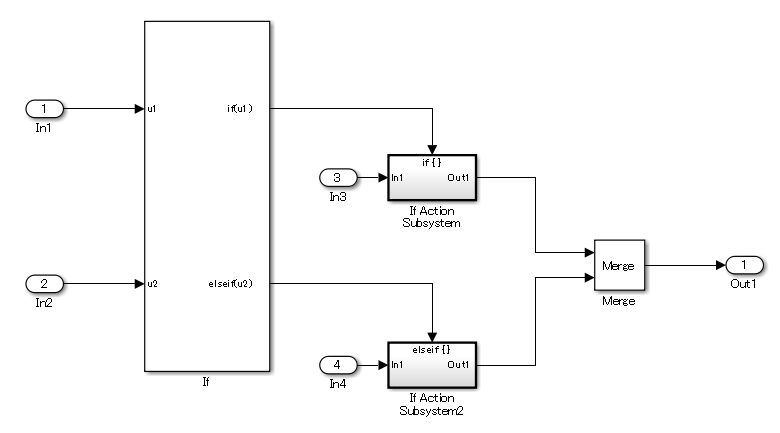
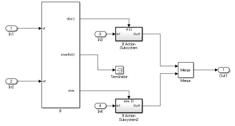
Пример блока If (Simulink)

Пример блока Switch Case (Simulink)

Субидентификатор a2

Контур обратной связи с использованием блока задержки (Simulink) должен быть реализован при выполнении следующих условий:

  • Предыдущее значение сохраняется

  • Для переключения функций используются блок объединения (Simulink) и блок условного потока, такой как блок If (Simulink) или Switch Case (Simulink).

Пользовательский параметр

Неприменимо

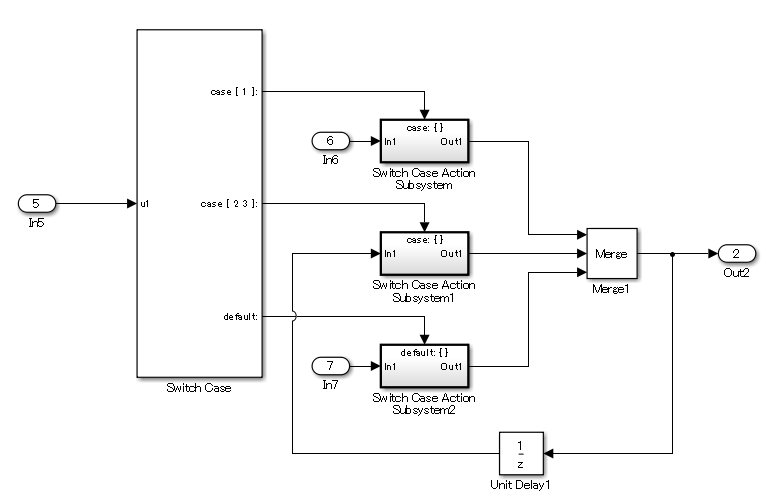
Пример - Правильно

Пример блока If (Simulink)

Пример блока Switch Case (Simulink)

Пример - неверный

Пример блока If (Simulink)

Пример блока Switch Case (Simulink)

Объяснение

Субидентификатор a1:

  • Повышает эффективность кода.

  • Соединения с блоком терминатора (Simulink) могут использоваться, когда прошлые значения удерживаются иначе, чем по умолчанию (else).

Sub ID a2:

  • Сохранение прошлых значений является явным.

Проверка

Соблюдение этого руководства по моделированию невозможно проверить с помощью проверки Model Advisor.

Последнее изменение

R2020a

См. также

Представлен в R2020a