Фильтр allpass с одним или несколькими секциями
Системная панель инструментов DSP/фильтрация/реализация фильтров
Блок фильтра Allpass фильтрует каждый канал входного сигнала независимо, используя фильтр allpass с одной или несколькими секциями (каскадными). Фильтр allpass можно реализовать с использованием минимального множителя, волнового цифрового фильтра или структуры решетки.
В форме минимального множителя блок использует минимальное количество требуемых множителей, n, с 2n блоками задержки и 2n сумматорами. В форме волнового цифрового фильтра блок использует только n умножителей и n блоков задержки за счет 3n сумматоров. Структура решетки использует 2n умножителей, n блоков задержки и 2n сумматоров. Дополнительные сведения об этих структурах см. в разделе Алгоритмы.
x - Входные данныеВходные данные, которые передаются в фильтр allpass. Блок принимает вещественные или комплексные многоканальные входы, то есть входы размера m на n, где m ≥ 1 и n ≥ 1. Блок также принимает входные данные переменного размера. То есть во время моделирования можно изменить размер каждого входного канала. Однако количество каналов не может изменяться.
Этот порт не называется, пока не будет установлена внутренняя структура allpass Minimum multiplier или Latticeи выберите параметр Specify coefficients from input port.
Типы данных: single | double
Поддержка комплексного номера: Да
coeffs - Коэффициенты фильтра AllpassЭтот порт вводит коэффициенты фильтра allpass. Если для параметра Внутренняя структура allpass задано значение Minimum multiplierпорт коэффициентов принимает матрицы размера N-by-1 или N-by-2. Если для параметра Внутренняя структура allpass задано значение Latticeпорт коэффициентов принимает вектор столбца N-by-1 или вектор строки 1-by-N.
Этот порт появляется при установке для внутренней структуры allpass значения Minimum multiplier или Latticeи выберите параметр Specify coefficients from input port.
Типы данных: single | double | int8 | int16 | int32 | uint8 | uint16 | uint32
Port_1 - Выход фильтра allpassРазмер отфильтрованного выходного сигнала соответствует размеру входного сигнала.
Типы данных: single | double
Поддержка комплексного номера: Да
Если параметр указан как настраиваемый, его значение можно изменить во время моделирования.
Internal allpass structure - Структура фильтраMinimum multiplier (по умолчанию) | Wave Digital Filter | Lattice
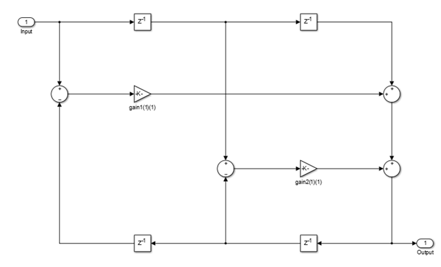
Minimum multiplier - Эта структура использует минимальное количество требуемых множителей, n, с 2n блоками задержки и 2n сумматорами. Коэффициенты к этой структуре задаются с помощью параметра полиномиальных коэффициентов Allpass.
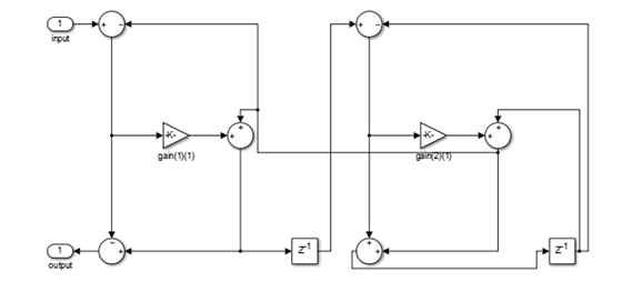
Wave Digital Filter - Структура использует n умножителей и n блоков задержки за счет 3n сумматоров. Коэффициенты для этой структуры задаются с помощью параметра коэффициентов allpass Wave Digital Filter.
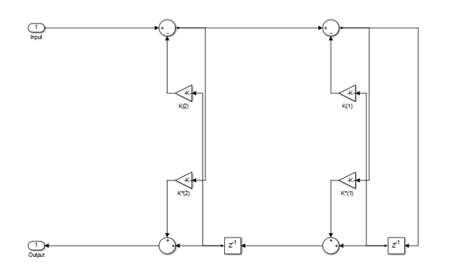
Lattice - Структура использует 2n умножителей, n единиц задержки и 2n сумматоров. Коэффициенты для этой структуры задаются с помощью параметра коэффициентов allpass решетки.
Дополнительные сведения об этих структурах см. в разделе Алгоритмы.
Specify coefficients from input port - Флаг для задания многочленовых коэффициентов allpassПри установке этого флажка и установке для параметра Внутренняя структура allpass значения Minimum multiplier, полиномиальные коэффициенты allpass вводятся через порт коэффициентов. Если этот флажок снят, коэффициенты многочлена allpass задаются в диалоговом окне блока с помощью параметра коэффициентов многочлена Allpass.
При установке этого флажка и установке для параметра Внутренняя структура allpass значения Latticeкоэффициенты allpass решетки вводятся через порт коэффициентов. При снятии этого флажка коэффициенты allpass решетки задаются в диалоговом окне блока с помощью параметра Коэффициенты allpass решетки.
Этот параметр применяется, если для параметра Внутренняя структура allpass задано значение Minimum multiplier или Lattice.
Allpass polynomial coefficients - Коэффициенты в форме минимального множителя[-2^(-1/2), 1/2] (по умолчанию) | N-by-1 matrix | N-by-2 matrixЗадайте вещественные коэффициенты полиномиального фильтра allpass в форме минимального множителя в качестве матрицы N-by-1 или матрицы N-by-2.
N-by-1 matrix - блок реализует N секций allpass первого порядка.
N-by-2 matrix - блок реализует N секций allpass второго порядка.
Значение по умолчанию, [ -2^(-1/2), 1/2 ], определяет устойчивый фильтр allpass второго порядка с полюсами и нулями при ± δ/3 в плоскости z.
Настраиваемый: Да
Чтобы включить этот параметр, установите для параметра Внутренняя структура allpass значение Minimum multiplier и сбросьте параметр Specify cofficients from input port.
Wave Digital Filter allpass coefficients - Коэффициенты в форме волнового цифрового фильтра[1/2, -2^(1/2)/3] (по умолчанию) | N-by-1 matrix | N-by-2 matrixУкажите действительные коэффициенты фильтра allpass в форме волнового цифрового фильтра. Коэффициенты могут представлять N-by-1 матрицу для N секций allpass первого порядка и N-by-2 матрицу для N секций allpass второго порядка. Значение по умолчанию, [1/2, -2^(1/2)/3], является преобразованной версией значения по умолчанию полиномиальных коэффициентов allpass. Это значение вычисляется с помощью allpass2wdf(Allpass polynomial coefficients). Эти коэффициенты определяют тот же стабильный фильтр allpass второго порядка, когда структура allpass установлена в Minimum multiplier.
Настраиваемый: Да
Чтобы включить этот параметр, установите для параметра Внутренняя структура allpass значение Wave Digital Filter.
Indicate if last section is first order - Является последним разделом первого порядкаon - при установке этого флажка последний раздел считается первым. Кроме того, второй элемент последней строки матрицы N-by-2 игнорируется.
off - если этот флажок не установлен, последний раздел считается вторым по порядку.
Чтобы включить этот параметр, установите для параметра Внутренняя структура allpass значение Minimum multiplier или Wave Digital Filter.
Lattice allpass coefficients - Коэффициенты в виде решетки[-2^(1/2)/3, 1/2] (по умолчанию) | N-by-1 вектор столбца | 1-by-N вектор строкиЗадайте вещественные или комплексные коэффициенты allpass как коэффициенты отражения решетки. Значение по умолчанию, [-2^(1/2)/3, 1/2], является преобразованной и транспонированной версией значения по умолчанию полиномиальных коэффициентов allpass. Это значение вычисляется с помощью transpose(tf2latc(1, [1 A])), где A - значение, указанное в полиномиальных коэффициентах Allpass.
Настраиваемый: Да
Чтобы включить этот параметр, установите для параметра Внутренняя структура allpass значение Lattice и сбросьте параметр Specify cofficients from input port.
View Filter Response - Визуализация отклика фильтраОткрывает инструмент визуализации фильтра, fvtoolи отображает амплитудную характеристику фильтра allpass. Ответ основан на параметрах. Изменения, внесенные в эти параметры, обновляются fvtool.

Чтобы обновить отклик величины во время fvtool выполняется, измените параметры блока и нажмите «Применить».
Чтобы одновременно просмотреть амплитудную и фазовую характеристики, нажмите кнопку «Величина и фазовые характеристики» на панели инструментов.

В этом примере амплитудная характеристика является плоской, и фазовая характеристика изменяется в зависимости от частот. Этот изменяющийся фазовый отклик имеет применение в фазовом выравнивании, фильтрации пробок и многоскоростной фильтрации. Фильтр нижних частот можно реализовать с помощью параллельной комбинации двух фильтров allpass, которые имеют 180 градусов фазового сдвига относительно друг друга.
Simulate using - Тип выполняемого моделированияCode generation (по умолчанию) | Interpreted execution
Code generation
Моделирование модели с использованием сгенерированного кода C. При первом запуске моделирования Simulink ® генерирует код C для блока. Код C используется повторно для последующего моделирования, если модель не изменяется. Этот параметр требует дополнительного времени запуска, но обеспечивает более высокую скорость моделирования, чемInterpreted execution.
Interpreted execution
Моделирование модели с помощью интерпретатора MATLAB ®. Эта опция сокращает время запуска, но имеет более низкую скорость моделирования, чем Code generation.
Типы данных |
|
Многомерные сигналы |
|
Сигналы переменного размера |
|
Передаточная функция фильтра allpass задается
c (1) z − 1 +... + c (n) z − n.
c - вектор полиномиальных коэффициентов allpass. Порядок n передаточной функции - это длина вектора с.
В форме минимального множителя и цифровой форме волны фильтр allpass реализован в виде каскада либо секций второго порядка (биквадов), либо секций первого порядка. Когда коэффициенты задаются как матрица N-by-2, каждая строка матрицы задает коэффициенты фильтра второго порядка. Последний элемент последней строки может быть проигнорирован на основе настройки конечного первого порядка. Когда коэффициенты задаются как матрица N-by-1, каждый элемент матрицы задает коэффициент фильтра первого порядка. Каскад всех секций фильтра образует фильтр allpass.
В виде решетки коэффициенты задаются как вектор.
Эти структуры вычислительно более экономичны и структурно более стабильны по сравнению с общими БИХ-фильтрами, такими как df1, df1t, df2, df2t. Для всех структур фильтр allpass может быть односекционным или многосекционным (каскадным) фильтром. Различные разделы могут иметь разные порядки, но все они реализованы в соответствии с одной структурой.
Эта структура реализует фильтр allpass с минимальным количеством требуемых множителей, равным порядку n. Он также использует 2n блоки задержки и 2n сумматоры. Умножители используют заданные коэффициенты, которые равны полиномиальному вектору c в передаточной функции allpass. В этом разделе второго порядка структуры минимального множителя вектор коэффициентов c равен [0.1 -0.7].

Эта структура использует n множители, но только n блоки задержки, за счет требования 3n сумматоры. Чтобы использовать эту структуру, укажите коэффициенты в форме WDF. Получение WDF-эквивалента обычных коэффициентов allpass с использованием allpass2wdf(allpass_coefficients). Чтобы преобразовать коэффициенты WDF в эквивалентную полиномиальную форму allpass, используйте wdf2allpass(WDF coefficients). В этой секции второго порядка структуры WDF вектор коэффициентов w равен allpass2wdf([0.1 -0.7]).

Эта структура решетки использует 2n множители, n блоки задержки и 2n сумматоры. Чтобы использовать эту структуру, укажите коэффициенты как вектор.
Можно получить эквивалент решетки обычных коэффициентов allpass, используя transpose(tf2latc(1, [1 allpass_coefficients])). В следующем разделе второго порядка структуры решетки вектор коэффициентов вычисляется с использованием transpose(tf2latc(1, [1 0.1 -0.7])). Эти коэффициенты используются для фильтра, функционально эквивалентного структуре минимального множителя с коэффициентами [0,1 -0,7].

[1] Регалии, Филипп А., Санджит К. Митра и П. П. Вайдянатхан. «Цифровой всепроходный фильтр: универсальный строительный блок обработки сигналов». Процедуры IEEE. 76, № 1 (1988): 19-37.
[2] Лутовац, М., Д. Тошич и Б. Эванс. Конструкция фильтра для обработки сигналов с использованием MATLAB и Mathematica. Река Верхнее Седло, Нью-Джерси: Прентис Холл, 2001.
1. Если смысл перевода понятен, то лучше оставьте как есть и не придирайтесь к словам, синонимам и тому подобному. О вкусах не спорим.
2. Не дополняйте перевод комментариями “от себя”. В исправлении не должно появляться дополнительных смыслов и комментариев, отсутствующих в оригинале. Такие правки не получится интегрировать в алгоритме автоматического перевода.
3. Сохраняйте структуру оригинального текста - например, не разбивайте одно предложение на два.
4. Не имеет смысла однотипное исправление перевода какого-то термина во всех предложениях. Исправляйте только в одном месте. Когда Вашу правку одобрят, это исправление будет алгоритмически распространено и на другие части документации.
5. По иным вопросам, например если надо исправить заблокированное для перевода слово, обратитесь к редакторам через форму технической поддержки.