Настраиваемый фильтр IIR второго порядка
NotchPeakFilter объект фильтрует каждый канал ввода с помощью реализации фильтра БИХ.
Для фильтрации каждого канала входа:
Создать dsp.NotchPeakFilter и задайте его свойства.
Вызовите объект с аргументами, как если бы это была функция.
Дополнительные сведения о работе системных объектов см. в разделе Что такое системные объекты?.
возвращает фильтр IIR второго порядка и пикового уровня, который независимо фильтрует каждый канал входного сигнала во времени, используя заданную центральную частоту и полосу пропускания 3 дБ.npFilter = dsp.NotchPeakFilter
npFilter = dsp.NotchPeakFilter('Specification','Quality factor and center frequency') задает коэффициент качества (коэффициент Q) фильтра пробки или пика вместо 3 Полоса пропускания dB.
npFilter = dsp.NotchPeakFilter('Specification','Coefficients') указывает значения коэффициентов, которые влияют непосредственно на полосу пропускания и центральную частоту, а не на параметры проектирования в Гц. Это удаляет вычисления тригонометрии, используемые при настройке свойств.
npFilter = dsp.NotchPeakFilter( возвращает фильтр вырубки, для каждого указанного имени свойства которого задано заданное значение. Неопределенные свойства имеют значения по умолчанию.Name,Value)
Чтобы использовать функцию объекта, укажите object™ System в качестве первого входного аргумента. Например, для освобождения системных ресурсов объекта System с именем obj, используйте следующий синтаксис:
release(obj)
Расчетное уравнение для пикового фильтра:
− 1 + (2b − 1) z − 2
Расчетное уравнение для фильтра надрезов:
2bcosw0z − 1 + (2b − 1) z − 2
с
Δw/2)
где ü 0 = 2xeonf0/fs - центральная частота в радианах/выборке (f0 - центральная частота в Гц и fs - частота выборки в Гц). Δλ = 2πΔf/fs - ширина полосы пропускания 3 дБ в радианах/выборке (Δf - ширина полосы пропускания 3 дБ в Гц). Обратите внимание, что два фильтра дополняют друг друга:
21 + a1z − 1 + a2z − 2anda1 = − 2bcosü 0a2 = 2b − 1
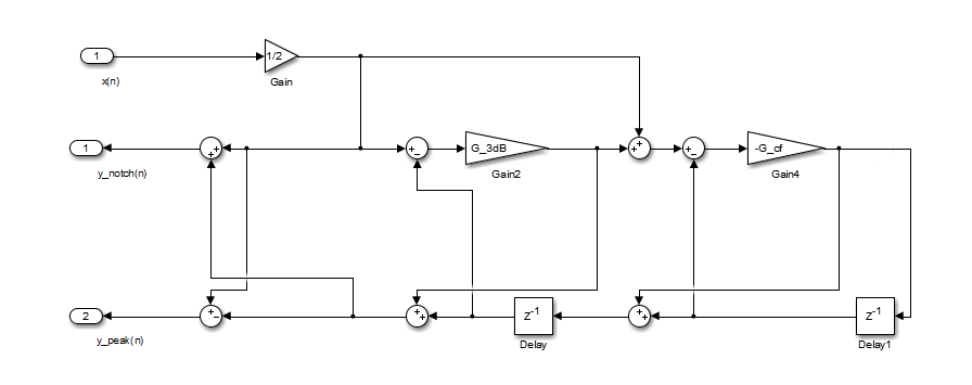
Фильтр реализуется следующим образом:

где
Обратите внимание, что Gcf зависит только от центральной частоты, а G3dB зависит только от полосы пропускания 3 дБ.
[1] Орфанидис, Софокл Дж. Введение в обработку сигналов. Река Верхнее Седло, Нью-Джерси: Прентис-Холл, 1996.