Генерировать реальные или сложные синусоидальные сигналы
Панель инструментов системы DSP/Операции с сигналами
Инструментарий/источники системы DSP
Блок NCO генерирует многоканальный реальный или комплексный синусоидальный сигнал с независимой частотой и фазой в каждом выходном канале. Амплитуда создаваемого сигнала всегда 1. Блок NCO поддерживает только реальные входы. Все выходы действительны, за исключением выходного сигнала в Complex exponential режим. Дополнительные сведения о том, как блок вычисляет выходные данные, см. в разделе Алгоритмы.
Для получения многоканальных выходных данных задайте величину вектора для параметров приращения фазы и смещения фазы. Оба параметра должны иметь одинаковую длину, определяющую количество выходных каналов. Каждый элемент каждого вектора применяется к отдельному выходному каналу.
Типы данных |
|
Прямой проход |
|
Многомерные сигналы |
|
Сигналы переменного размера |
|
Обнаружение пересечения нулей |
|
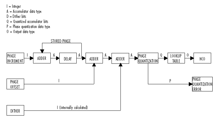
Блок реализует алгоритм, как показано на следующей схеме:

Реализация осциллятора с числовым управлением (NCO) имеет две отдельные части. Во-первых, фазовый аккумулятор накапливает приращение фазы и добавляет фазовое смещение. На этом этапе также может быть добавлен дополнительный сигнал внутреннего сглаживания. Выход NCO затем вычисляется квантованием результатов секции фазового накопителя и использованием их для выбора значений из таблицы поиска. Поскольку таблица поиска содержит конечный набор записей, в нормальном режиме работы блок NCO позволяет числовым значениям сумматора переполняться и переноситься. Инфраструктура Fixed-Point затем вызывает появление в командной строке предупреждений о переполнении. Это переполнение не имеет последствий.
При требуемом F0 выходной частоты вычислите значение параметра блока приращения фазы с помощью
F0⋅2NFs)
где N - длина слова аккумулятора и
время выборки
Частотное разрешение NCO определяется
При требуемом фазовом смещении (в радианах) вычислите параметр блока фазового смещения с помощью
Ложный свободный динамический диапазон (SFDR) оценивается следующим образом для таблицы поиска с записями, где P - количество квантованных битов накопителя:
Блок NCO использует метод таблицы четвертьволнового поиска, который хранит значения таблицы от 0 до δ/2. Блок вычисляет другие значения по требованию с использованием типа данных накопителя, затем помещает их в тип выходных данных. Это может привести к эффектам квантования в пределах диапазона данного типа данных. Например, рассмотрим случай, когда вы ожидаете, что значение синусоидальной волны будет -1 при δ. Поскольку значение таблицы поиска в этой точке должно быть вычислено, блок может не получить ровно -1, в зависимости от точности типа данных накопителя и выходного типа.