Повторная выборка входных данных с более высокой скоростью путем вставки нулей
Сигнальные операции
dspsigops
Сверхдискретизировать блок передискретизирует каждый канал входа Ми-би-Н по уровню L времена выше, чем входная частота дискретизации, вставляя L-1 ноли между последовательными образцами. Целое число L задается в параметре коэффициента Upsample. Параметр Sample offset, D, позволяет задерживать выходные выборки на целое число периодов выборки. Это позволяет выбрать любую из L возможных фаз вывода. Значение параметра Sample offset должно находиться в диапазоне 1).
Этот блок можно использовать внутри инициируемых подсистем, если для параметра Rate options установлено значение Enforce single-rate processing.
При установке для параметра обработки ввода значения Columns as channels (frame based)блок увеличивает выборку каждого столбца входного сигнала с течением времени. В этом режиме блок может выполнять либо односкоростную, либо многоскоростную обработку. Можно использовать параметр Параметры скорости (Rate options), чтобы указать, как блок увеличивает выборку входных данных:
Если для параметра Rate options установлено значение Enforce single-rate processingвход и выход блока имеют одинаковую частоту дискретизации. В этом режиме блок выдает сигнал с пропорционально большим размером кадра, чем вход. Для увеличения дискретизации на коэффициент L размер выходного кадра в L раз больше, чем размер входного кадра (Mo = Mi * L), но скорость входного и выходного кадров равна.
Пример односкоростной повышающей дискретизации см. в примере односкоростной обработки.
Если для параметра Rate options установлено значение Allow multirate processingблок обрабатывает входной сигнал матрицы Mi-by-N как N независимых каналов. Блок дискретизирует каждый столбец входного сигнала с течением времени, сохраняя постоянный размер кадра (Mi = Mo) и делая выходной период кадра (Tfo) L раз короче, чем входной период кадра (Tfo = Tfi/L ).
См. пример многоскоростной обработки на основе кадров для просмотра блока Upsample в этом режиме.
При установке для параметра обработки ввода значения Elements as channels (sample based)блок обрабатывает входную матрицу M-на-N как M * N независимых каналов и увеличивает выборку каждого канала с течением времени. В этом режиме блок всегда выполняет многоскоростную обработку. Выходная частота дискретизации в L раз превышает входную частоту дискретизации (Tso = Tsi/L), и входные и выходные размеры идентичны.
Блок Upsample имеет нулевую задержку задания для всех односкоростных операций. Блок находится в односкоростном режиме, если для параметра коэффициента Upsample установлено значение 1 или если для параметра Input processing установлено значение Columns as channels (frame based) и параметр Rate options to Enforce single-rate processing.
Блок Upsample также имеет нулевую задержку при многоскоростных операциях при запуске модели в режиме однозадачности Simulink ®.
Задержка задания нуля означает, что блок распространяет первый вход (принятый при t = 0) сразу после D последовательных нулей, заданных параметром Sample offset. За этим выходом (D + 1) следуют, в свою очередь, L-1 вставленные нули и следующая входная выборка.
Блок Upsample имеет задержку задания для многоскоростной многозадачной операции:
В режиме многоскоростной обработки на основе выборки начальное условие для каждого канала отображается как выходная выборка D + 1 и сопровождается L-1 вставленными нулями. Первый вход канала отображается как выходной образец D + L + 1. Параметр Initial conditions может представлять собой матрицу Mi-by-N, содержащую одно значение для каждого канала, или скаляр, применяемый ко всем каналам сигнала.
В многоскоростном, основанном на кадрах режиме обработки первая строка матрицы начального условия появляется как выходная выборка D + 1, за которой следуют L-1 вставленные строки нулей, вторая строка матрицы начального условия и так далее. Первая строка первой входной матрицы появляется на выходе как образец MiL + D + 1. Параметр Initial conditions может быть матрицей Mi-by-N или скаляром для повторения по всем элементам входной матрицы.
Примечание
Дополнительные сведения о задержках и режимах задания Simulink см. в разделах Избыточная алгоритмическая задержка (задержка задания) и Планирование и создание кода на основе времени (кодер Simulink).
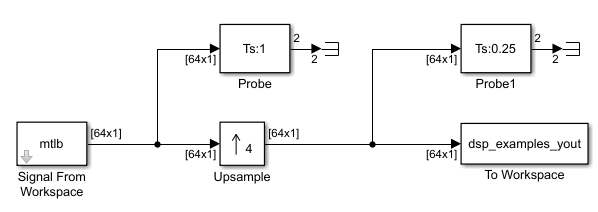
В модели ex_upsample_ref2 блок Upsample выполняет повторную выборку одноканального входа с размером кадра 16. Блок увеличивает входной сигнал в 4 раза. Таким образом, выходной сигнал блока имеет размер кадра 64. Поскольку блок находится в режиме односкоростной обработки, частота входных и выходных кадров идентична.

В модели ex_upsample_ref1 блок Upsample выполняет повторную выборку одноканального входа с периодом кадра 1 секунда. Блок увеличивает входной сигнал в 4 раза. Таким образом, выходной сигнал блока имеет период кадра 0,25 секунды. Поскольку блок находится в режиме многоскоростной обработки, размеры входного и выходного кадров идентичны.

Целочисленный коэффициент L, на который можно увеличить входную частоту дискретизации.
Смещение образца, D, которое должно быть целым числом в диапазоне [0, L-1].
Укажите, как блок должен обрабатывать входные данные. Можно задать для этого параметра одну из следующих опций:
Columns as channels (frame based) - При выборе этой опции блок обрабатывает каждый столбец ввода как отдельный канал. В этом режиме блок может выполнять односкоростную или многоскоростную обработку.
Elements as channels (sample based) - При выборе этой опции блок обрабатывает каждый элемент ввода как отдельный канал. В этом режиме блок всегда выполняет многоскоростную обработку.
Укажите метод, с помощью которого блок увеличивает выборку входных данных. Можно выбрать один из следующих вариантов:
Enforce single-rate processing - При выборе этой опции блок поддерживает частоту входных выборок, увеличивая размер выходного кадра на коэффициент L. Чтобы выбрать эту опцию, необходимо установить для параметра Input processing значение Columns as channels (frame based).
Allow multirate processing - При выборе этой опции блок выполняет повторную выборку сигнала таким образом, что выходная частота дискретизации в L раз быстрее, чем входная частота дискретизации.
Значение, с которым инициализируется блок для случаев ненулевой задержки, скаляра или матрицы. Это значение отображается в выходных данных как образец D + 1. Этот параметр появляется только при конфигурировании блока для выполнения многоскоростной обработки.
| Порт | Поддерживаемые типы данных |
|---|---|
Вход |
|
Продукция |
|
| Субдискретизировать | Инструментарий системы DSP |
| Интерполяция FIR | Инструментарий системы DSP |
| Преобразование курса FIR | Инструментарий системы DSP |
| Повториться | Инструментарий системы DSP |