Клапаны могут быть смоделированы одним или несколькими блоками диафрагм последовательно или параллельно. Для клапанов, которые открываются или закрываются в ответ на давление или расход, таких как предохранительный клапан, вы можете смоделировать свой собственный, подключив датчик давления или датчик расхода к диафрагме. Кроме того, Вы можете добавить механические эффекты, такие как демпфирование и трение, как показано в Распределительном клапане С 4 путями с Механическими Эффектами.
Для моделирования клапана с электромагнитным управлением можно использовать блок соленоида. Дополнительные сведения см. в разделе Управление клапаном с помощью блоков привода клапана.
Когда четырехходовой трехпозиционный направленный клапан имеет все отверстия, закрытые в нейтральном положении, клапан, соединенный с приводом двойного действия, выглядит следующим образом:

Когда управляющий элемент перемещается в положительном направлении, пути P-B и A-T потока открываются. Когда управляющий элемент перемещается в отрицательном направлении, пути A-P и B-T потока открываются. Это схематически представлено следующим образом:

Этот клапан может быть смоделирован как совокупность блоков диафрагм. В области изотермической жидкости этот четырехходовой трехпозиционный клапан может быть воссоздан с четырьмя блоками диафрагмы (IL) с:
Тип диафрагмы: Variable.
Положение элемента управления при закрытом отверстии установлено в 0 (все клапаны закрыты в нейтральном положении).
В измерительной диафрагме (IL) P-A и измерительной диафрагме (IL) B-T для ориентации отверстия установлено значение Positive control member displacement opens orifice.
В измерительной диафрагме (IL) B-P и измерительной диафрагме (IL) A-T для ориентации отверстия установлено значение Negative control member displacement opens orifice.
Для одинакового пропорционального потока установите одинаковое значение перемещения управляющего элемента между закрытым и открытым отверстиями для всех отверстий. Для большего регулирования величины потока через отверстие увеличьте величину перемещения элемента управления по отношению к другим отверстиям.

Другой четырехходовой трехпозиционный клапан, начинающийся с закрытых загрузочных отверстий и открытого соединения между насосом и баком:

Когда управляющий элемент перемещается в положительном направлении, пути A-T и P-B потока открываются. Когда регулирующий клапан перемещается в отрицательном направлении, каналы A-P и B-T потока открываются. В нейтральном положении проточный тракт P-T открыт. Это схематично представлено следующим образом:

Этот клапан может быть построен с набором колодок золотников. Одним из способов моделирования этого клапана является использование двух наборов отверстий, которые соответствуют промежуточному отверстию, T1, которое представляет собой отверстие между P и T, которое открыто только в нейтральном положении. Одно отверстие выполнено открытым с положительным смещением золотника, а другое - с отрицательным смещением золотника.
В дополнение к различным функциям блока диафрагмы, блок диафрагмы золотника позволяет задать геометрию диафрагмы (ряд круглых отверстий или один прямоугольный паз), записать силу потока диафрагмы или подключить физический сигнал силы потока к другому блоку. В области изотермической жидкости этот направленный клапан может быть представлен как:

Другим способом моделирования диафрагмы, которая всегда открыта в нейтральном положении, является подключение одного порта S диафрагмы к сигналу позиции через блок PS Abs и установка ориентации открытия в Negative spool displacement opens the orifice:

Блок T1 золотникового отверстия (IL) сконфигурирован с положением золотника при закрытом отверстии, установленном на 0 м.
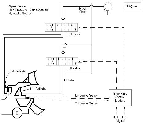
Передний погрузчик, показанный ниже, поднимает и включает наклон двумя шестиходовыми трехпозиционными направляющими клапанами. Если оба клапана находятся в нейтральном положении, порт насоса соединяется с портом резервуара. Насос отсоединяется от бака, если любой из двух клапанов перемещается из нейтрального положения.

Клапан выглядит следующим образом:

и схематически представлен как:

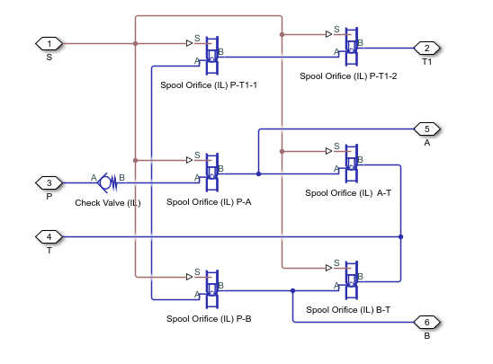
Клапан может быть смоделирован как комбинация блоков золотников и блоков обратных клапанов. Отверстия P-A, P-B, B-T и A-T закрываются, когда клапан находится в нейтральном положении. Отверстия P-T1-1 и P-T1-2 открыты в начале моделирования, что обеспечивает подачу насоса при низком давлении в бак.
В области изотермической жидкости в блоках золотниковой диафрагмы (IL):
Задать для геометрии диафрагмы значение Round holes.
Задайте для параметра Диаметр круглых отверстий значение 0.006.
Задать для параметра «Количество отверстий скругления» значение 6.
В отверстиях P-A, P-B, A-T и B-T установите положение золотника на закрытом отверстии в -0.006.
В измерительных диафрагмах P-B и A-T установите ориентацию открытия на Positive spool displacement opens the orifice.
В отверстиях P-A и B-T установите ориентацию открытия в Negative spool displacement opens the orifice.
В положении «Диафрагмы P1-T1-1 и P1-T1-2» установите положение «Золотник» на закрытом отверстии в 0.008.

4-Way 2-Position Направленный клапан (IL) | 4-Way 3-Position Направленный клапан (IL) | Многопозиционный привод клапана | Диафрагма (IL) | Диафрагма золотника (IL)