С помощью блоков клапанов библиотеки жидкостей можно моделировать управление потоком, управление давлением и управление направлением потока. Регулирующие поток клапаны, такие как задвижка, ограничивают объемный расход через клапан. Регулирующие давление клапаны ограничивают рабочее давление клапана путем открытия или закрытия клапана на основе давления или путем выпуска избыточного потока.
Направленные клапаны соединяют различные пути потока, основываясь на перемещении центрального элемента управления. Они могут быть пропорциональной площадью, такой как четырехходовой направленный клапан, или пропорциональным давлением, таким как обратный клапан. Направленные клапаны, такие как челночный клапан, также могут управлять переключением потока.
Пропорциональные направленные клапаны конфигурируются на основе путей потока, которые открываются и закрываются при смещении регулирующего элемента, и классифицируются по:
Количество внешних путей или соединительных портов
Количество положений, которые может принять клапан
Непрерывное или дискретное перемещение
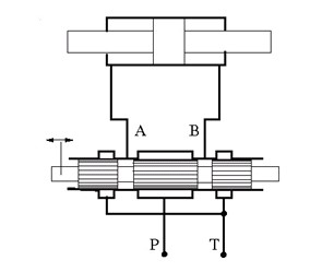
Направленные клапаны в библиотеках изотермической жидкости, термической жидкости и газа содержат двухходовые, трехходовые и четырехходовые направленные клапаны с одним непрерывным элементом управления катушкой. Блочным портам присваиваются имена, соответствующие общим соединениям:
P - Насос или напорный порт
T - Резервуар или порт возврата
A, B - порты загрузки
X, Y - пилотные порты
Кроме того, Вы можете добавить механические эффекты к клапану, соединив демпфирование моделирования блоков, трение и твердую остановку к сигналу привода клапана, такой как в Распределительном клапане С 4 путями с Механическим примером Эффектов.
Можно моделировать управление сервоприводом или электромагнитным клапаном с помощью блоков из поддиапазона «Привод клапана», таких как «Привод пропорционального клапана» или «Привод пилотного клапана» (IL). Для моделирования управления соленоидом можно также использовать блок соленоида из библиотеки Simscape Electrical.
Блок многопозиционного привода клапана может быть спарен с направленными клапанами для управления положением золотника клапана в соответствии с входными сигналами или временем переключения.
Клапан с пропорциональным направлением потока характеризуется своим начальным открытым путем потока, путями потока, которые открываются или закрываются с положительным или отрицательным смещением регулирующего элемента, и смещением отверстия отверстия. Соотношение между ходом управляющего элемента и отверстием определяет, перекрывается ли отверстие, подстилается или нейтрально.
Когда четырехходовой трехпозиционный направленный клапан имеет все отверстия, закрытые в нейтральном положении, клапан, соединенный с приводом двойного действия, выглядит следующим образом:

При перемещении регулирующего элемента в положительном направлении вправо на схеме клапана открываются проточные пути P-A и B-T. При перемещении регулирующего элемента в отрицательном направлении влево на схеме клапанов открываются пути потока P-B и A-T. Эта конфигурация для положительного и отрицательного смещения схематически представлена следующим образом:

где поле слева представляет соединения с положительным смещением катушки, а поле справа представляет соединения с отрицательным смещением катушки.
В четырехходовом двухпозиционном клапане дополнительные конфигурации потока могут открываться только во время перехода. Например, настройка Распределительного клапана С 2 положениями С 4 путями (IL) блокирует к этой конфигурации клапана

где:
Положительное положение разомкнутых соединений золотника установлено в P-A and P-B.
Для разомкнутых соединений отрицательного положения катушки установлено значение P-A and B-T.
приводит к открытию путей потока P-A, P-B и B-T, когда катушка переходит между положительным и отрицательным положениями.
Примечание
В Распределительном клапане С 3 положениями С 4 путями (IL) и Распределительном клапане С 2 положениями С 4 путями (IL) блоки, Вы можете:
Выберите предварительную параметризацию на основе листов технических данных изготовителя. Это можно задать в разделе описания диалогового окна блока.
Визуализируйте характеристики открытия каждого отверстия в клапане. Щелкните правой кнопкой мыши по блоку и выберите «Fluids» > «Plot Valve Characteristics».
В Распределительном клапане С 3 положениями С 4 путями (IL) и Распределительном клапане С 2 положениями С 4 путями (IL) блоки, положение шпульки в максимальном параметре области отверстия указывает на абсолютное положение шпульки, в котором то отверстие полностью открыто. Например, когда клапан сконфигурирован для канала потока P-A, отверстие P-A открывается при значении, заданном в положении золотника при максимальной площади отверстия P-A. Отверстия, указанные в параметре Positive spool position open connections (положительное положение золотника), должны иметь положительное положение золотника при максимальном отверстии. Отверстия, определенные в параметре разомкнутых соединений отрицательного положения золотника, должны иметь отрицательное положение золотника при максимальном отверстии. Если эти клапаны также не определены в параметре Открытые соединения нейтрального положения золотника, они должны быть закрыты при положении золотника 0.
Параметр перемещения золотника между закрытым и открытым отверстием - это ход, который открывает отверстие. Если для параметра Area characteristics установлено значение Different for each flow path, перемещение золотника между закрытым и открытым отверстием может быть определено по-разному для каждого пути потока.
Чтобы проверить, что определенные положения катушки для каждого положения открытия и закрытия диафрагмы имеют согласованную конфигурацию, параметр Проверка непротиворечивости для положения нейтральной катушки открытые соединения может уведомить вас, если значения параметризации противоречивы, когда катушка находится в нейтральном положении. При печати или обновлении графика конфигурации клапана генерируется предупреждение или ошибка.
В блоках 4-Way направленного клапана (TL) и 4-Way направленного клапана (G) максимальным параметром открытия клапана является ход отверстия, который соответствует перемещению золотника между закрытым и открытым параметрами отверстия в изотермических жидкостных блоках. Параметры в разделе Смещения открытия клапана (Valve Open Offsets), такие как «Между отверстиями P и A» (Between ports P and A), определяют смещение золотника от нейтрали, при котором канал потока начинает открываться для каждого отверстия, например, между отверстиями P и A. Эти параметры соответствуют положению золотника на минимальном отверстии отверстия.
В Распределительном клапане С 3 положениями С 4 путями (IL) и Распределительном клапане С 2 положениями С 4 путями (IL) блоки, Вы можете визуализировать область отверстия для каждого пути потока как функция положения шпульки:

Эта визуализация показывает четырехходовой трехпозиционный клапан с конфигурацией:
Положительное положение разомкнутых соединений золотника установлено в P-A and B-T
Разомкнутые соединения нейтрального положения золотника установлены в A-T and B-T
Отрицательное положение разомкнутых соединений катушки: P-B and A-T
Для характеристик зоны установлено значение Different for each flow path
Параметризация диафрагмы установлена на Tabulated data - Volumetric flow rate vs. spool travel and pressure drop
Со следующими значениями, измененными по умолчанию:
Положение золотника при максимальной площади диафрагмы А-Т установлено в -0.004 m
Положение золотника при максимальной площади диафрагмы B-T установлено в 0.006 m
Вектор хода золотника диафрагмы B-T, ds установлен в [0, .00125, .0025, .00375, .0065] м.
Визуализация показывает, что отверстия A-T и B-T имеют ненулевой расход или открыты, когда положение катушки равно 0. Диафрагма B-T полностью закрыта при смещении золотника до -0,0005 м; он полностью открыт на 0,006 м и имеет длину отверстия 0,0065 м. Отверстие A-T полностью закрыто на 0,001 м; он полностью открыт на отметке -0,004 м и имеет длину отверстия 0,005 м.
Изменение положения золотника при максимальной площади отверстия P-A на 0.003 m приводит к открытию отверстия P-A, когда золотник находится в нейтральном положении, что нарушает настройки конфигурации клапана. Это происходит потому, что последний элемент вектора перемещения золотника P-A, ds, больше, чем положение золотника при максимальной площади отверстия P-A, что означает, что клапан должен начать открываться, когда золотник все еще находится в отрицательном положении:

В листах технических данных производителя представлены кривые перепадов расхода и давления для различных путей потока направленного клапана. Можно параметризовать направленный блок клапана с помощью данных изготовителя, установив параметризацию диафрагмы в значение Tabulated data - Volumetric flow rate vs. spool travel and pressure drop.
Если ввод данных из таблицы данных вручную не требуется, можно использовать функцию обмена файлами MATLAB. grabit для извлечения точек данных из изображения печати:
Войти grabit() в командной строке MATLAB ®.
В появившемся графическом интерфейсе щелкните Загрузить изображение (Load Image), чтобы загрузить кривую клапана в формате PNG, TIF, JPG, GIF или BMP.
Откалибруйте изображение, выбрав диапазоны осей и введя значения диапазонов. Начните с щелчка по началу оси X и введите 0 в появившемся поле и нажмите Enter.
Щелкните Точки захвата (Grab Points), чтобы начать сбор данных щелчком мыши вдоль требуемой кривой. Чтобы собрать другой набор данных, нажмите Enter и снова нажмите кнопку «Захватить точки».

Нажмите кнопку Сохранить в файл, чтобы сохранить набор данных как P_A_pressure_drop.mat в рабочем каталоге.
Введите сохраненные переменные в качестве параметра:
![]()
4-Way 2-Position Направленный клапан (IL) | 4-Way 3-Position Направленный клапан (IL) | 4-Way Направленный клапан (G) | 4-Way Направленный клапан (TL) | Многопозиционный привод клапана