Модель зубчатого колеса можно изменить с помощью примера «Пара двух вращающихся инерций» (Pair Two Spinning Inertias) и использовать ее в качестве начальной точки для изучения сложных наборов зубчатых колес. Одним из важнейших сложных зубчатых зацеплений является планетарная шестерня, которая имеет три колеса, кольцо, солнце и планету, все удерживаются на месте общим несущим телом. Планетарная передача важна, потому что она является общей составляющей в сложных, реалистичных трансмиссиях.
Начните с построенной модели простого зубчатого колеса или откройте окно sdl_gear пример.
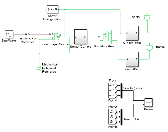
Замените Простой Механизм в своей модели с Планетарным Механизмом из библиотеки блока Simscape™ Driveline™. Планетарная передача разделяет входное угловое движение от водила между кольцевым и солнечным колесами, каждое из которых соединено с их соответствующими телами.
Скопируйте подсистему датчика, подключенный блок инерции и блок «От».
Переименуйте подсистемы датчиков в соответствии с колесами, к которым они присоединяются: несущим, кольцевым и солнечным. Переименуйте сигналы на позициях блоков Перейти к (Goto) и Из (From) в соответствии с передачами, которые представляют сигналы:
Переименуйте сигналы меток в сигналы wC и tC.
Для кольцевого зубчатого колеса переименуйте сигналы меток в wR и tR.
Для солнечного зубчатого колеса переименуйте сигналы позиционных обозначений в wS и tS.
Добавьте входные данные к каждому из двух блоков мультиплексора.
Подключите блоки для формирования новой схемы, как показано на рисунке.
Модель простого планетарного зубчатого колеса

Откройте Область и начните моделирование, чтобы наблюдать угловые скорости кольца, носителя и солнца от наибольшей до наименьшей. Отношение скоростей кольца к скорости солнечной шестерни всегда равно 2.

Чтобы увидеть, как кольца и солнечные колеса вращаются в одиночку, необходимо заблокировать носитель. Для этого:
Удалите блок Inertia1 и связанный соединитель.
Удалите разъем между источником идеального крутящего момента и подсистемой датчика (несущей).
Подключите подсистему датчика (несущий элемент) к соединителю между опорным блоком механического вращения и блоком идеального источника крутящего момента.
Подключите блок источника идеального крутящего момента к соединителю между блоком планетарной передачи и подсистемой сенсора (кольца).
Удалите соединитель, соединяющий блок конфигурации решателя с соединителем между блоком привязки механического вращения и блоком источника идеального крутящего момента.
Измените положение блока «Конфигурация решателя».
Подключите блок конфигурации решателя к соединителю между блоком источника идеального крутящего момента и подсистемой сенсора (кольца).
Модель простого планетарного зубчатого колеса с заблокированным водилом

Откройте область и запустите модель. Наблюдайте угловые скорости кольца, носителя и солнца.

Несущий элемент, соединенный с механической привязкой вращения, не перемещается. Кольцо приводится в движение синусоидальным крутящим моментом, и солнце реагирует вращением в противоположном направлении (кольцевые и солнечные зубчатые колеса находятся снаружи друг друга) с удвоенной скоростью. Кольцевое колесо имеет вдвое больший радиус (или вдвое больше числа зубьев), чем солнце, поэтому вращается вдвое быстрее.