Реализовать трехфазный заземляющий трансформатор, обеспечивающий нейтраль в трехпроводной системе
Simscape/Electrical/Специализированные энергосистемы/Элементы электросети
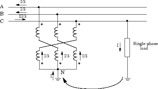
Заземляющие трансформаторы используются в распределительных сетях и в некоторых силовых электронных преобразователях для обеспечения нейтральной точки в трёхпроводной системе. Этот трансформатор представляет собой трехфазный двухобмоточный трансформатор с обмоткой 1 и обмоткой 2, соединенными зигзагообразно, как показано на рисунке ниже.

На рисунке показана однофазная нагрузка, подключенная между фазой C и землей в трехпроводной системе. Ток I, поглощаемый нагрузкой, возвращается к источнику через землю и нейтраль заземляющего трансформатора. Благодаря зигзагообразному соединению и противоположным полярностям обмоток верхней и нижней обмоток заземляющий трансформатор имеет низкий импеданс в нулевой последовательности при сохранении очень высокого импеданса в положительной последовательности. Другими словами, только ток нулевой последовательности может протекать через три обмотки. По определению ток нулевой последовательности представляет собой набор трехфазных токов, имеющих одинаковую величину и фазу. Поэтому нейтральный ток I делится на три равных тока I/3. Поскольку три тока, протекающие в заземляющем трансформаторе, равны, точка нейтрали остается фиксированной, а напряжения линии к нейтрали остаются сбалансированными.
Заземляющий трансформатор моделируется тремя двухобмоточными трансформаторами, имеющими отношение напряжений 1:1. Предположим, что шесть одинаковых обмоток:
R = сопротивления обмотки
X = реактивы утечки обмотки
Rmag, Xmag = параллельное сопротивление и реактивное сопротивление намагничивающей ветви
Импеданс Z1 положительной последовательности и импеданс Z0 нулевой последовательности заземляющего трансформатора задаются следующим образом:
+ jX0 = 2 (R + jX).
X0 реактивного сопротивления нулевой последовательности является наиболее важным параметром заземляющего трансформатора. Чтобы минимизировать дисбаланс напряжения, X0 реактивного сопротивления следует поддерживать как можно ниже.
Укажите единицы измерения, используемые для ввода параметров блока трансформатора заземления. Выбрать pu для использования на единицу измерения. Выбрать SI для использования единиц СИ. Изменение параметра Units с pu кому SI, или от SI кому puавтоматически преобразует параметры, отображаемые в маске блока. Преобразование на единицу основано на номинальной мощности трансформатора Pn в VA, номинальной частоте fn в Гц и номинальном напряжении Vn в Vrms обмоток. По умолчанию: pu.
Номинальная мощность трансформатора в вольт-амперах (VA) и номинальная частота в герцах (Гц). Обратите внимание, что номинальные параметры не влияют на модель трансформатора, если для параметра Units установлено значение SI. По умолчанию: [100e6 60].
Номинальное межфазное напряжение Vn заземляющего трансформатора в вольтах среднеквадратичного напряжения (Vrms). По умолчанию: 25e3.
Сопротивление нулевой последовательности R0 и реактивное сопротивление нулевой последовательности X0 в pu или в ом. По умолчанию: [0.025 0.75] если параметр Units имеет значение pu и [0.15625 4.6875] если параметр Units имеет значение SI.
Шунтирующее сопротивление Rm, моделирующее потери сердечника трансформатора, и намагничивающее реактивное сопротивление Xm, моделирующее ток намагничивания, в pu или ом. По умолчанию: [500 500] если параметр Units имеет значение pu и [3125 3125] если параметр Units имеет значение SI.
Эти значения определяют потери P активной мощности и потери Q реактивной мощности, необходимые для намагничивания заземляющего трансформатора.
Vn2Xm.
Поскольку номинальное напряжение на каждой из шести обмоток представляет собой номинальное напряжение линии к линии, деленное на 3 (Vn/3), три импеданса, эффективно соединенные на одной из двух обмоток на каждой ветви, являются Rmag = Rm/3 и Xmag = Xm/3.
Выбрать Voltages измерение напряжения от линии до нейтрали на клеммах блока трансформатора заземления.
Выбрать Currents для измерения токов, протекающих в три клеммы блока трансформатора заземления.
Выбрать All voltages and currents для измерения напряжений и токов.
По умолчанию: None.
Поместите блок мультиметра в модель, чтобы отобразить выбранные измерения во время моделирования. В списке Available Measurements блока Multimeter измерения идентифицируются меткой, за которой следует имя блока.
Измерение | Этикетка |
|---|---|
напряжения от линии к нейтрали |
|
ток |
|
Насыщение заземляющего трансформатора не моделируется.
Линейный трансформатор, мультиметр, трехфазный трансформатор (две обмотки), трехфазный трансформатор (три обмотки)