Реализовать линейный трансформатор с двумя или тремя обмотками
Simscape/Electrical/Специализированные энергосистемы/Элементы электросети
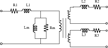
Показанная модель блока линейного трансформатора состоит из трех соединенных обмоток, намотанных на один сердечник.

Модель учитывает сопротивления обмотки (R1 R2 R3) и индуктивности утечки (L1 L2 L3), а также намагничивающие характеристики сердечника, который моделируется линейной (Rm Lm) ветвью.
Для соответствия промышленности блок позволяет задавать сопротивление и индуктивность обмоток в на единицу (pu). Значения основаны на номинальной мощности трансформатора Pn, в VA, номинальной частоте fn, в Гц и номинальном напряжении Vn, в Vrms, соответствующей обмотки. Для каждой обмотки сопротивление на единицу и индуктивность определяются как
Rбаза
Lbase
Импеданс основания, сопротивление основания, реактивное сопротивление основания и индуктивность основания, используемые для каждой обмотки:
Vn) 2Pn
Xbase2āfn
Для сопротивления намагниченности Rm и индуктивности Lm значения pu основаны на номинальной мощности трансформатора и на номинальном напряжении обмотки 1.
Например, параметры по умолчанию обмотки 1, указанные в разделе диалогового окна, дают следующие основания:
2161Ω
.732H
Предположим, что параметры обмотки 1 равны R1 = 4,32 Ом и L1 = 0,4586 Н; соответствующие значения для ввода в диалоговом окне:
Для задания тока намагничивания 0,2% (резистивного и индуктивного) на основе номинального тока необходимо ввести на единицу значения 1/0,002 = 500 pu для сопротивления и индуктивности намагничивающей ветви. Используя рассчитанные ранее базовые значения, эти значения на единицу соответствуют Rm = 1,08e6 Ом и Lm = 2866 henries.
Для реализации идеальной модели трансформатора установите сопротивления обмотки и индуктивности на 0, а сопротивление намагниченности и индуктивность (Rm Lm) на inf.
Укажите единицы измерения, используемые для ввода параметров блока линейного трансформатора. Выбрать pu для использования на единицу измерения. Выбрать SI для использования единиц СИ. Изменение параметра Units с pu кому SI, или от SI кому puавтоматически преобразует параметры, отображаемые в маске блока. Преобразование на единицу основано на номинальной мощности трансформатора Pn в VA, номинальной частоте fn в Гц и номинальном напряжении Vn в Vrms обмоток. По умолчанию: pu.
Номинальная мощность трансформатора Pn в вольт-амперах (VA) и частота fn в герцах (Гц). Обратите внимание, что номинальные параметры не влияют на модель трансформатора, если для параметра Units установлено значение SI. По умолчанию: [ 250e6 60 ].
Номинальное напряжение V в вольтах среднеквадратичного значения, сопротивление в пу или омах и индуктивность утечки в пу или хенри. Значения pu основаны на номинальной мощности Pn и V1. Установите сопротивления и индуктивности обмотки на 0, чтобы реализовать идеальную обмотку. По умолчанию: [ 735e3 0.002 0.08 ] если параметр Units имеет значение pu и [7.35e+05 4.3218 0.45856] если параметр Units имеет значение SI .
Номинальное напряжение V2 в вольтах среднеквадратичного напряжения, сопротивление в пу или омах и индуктивность утечки в пу или хенри. Значения pu основаны на номинальной мощности Pn и V2. Установите сопротивления и индуктивности обмотки на 0, чтобы реализовать идеальную обмотку. По умолчанию: [ 315e3 0.002 0.08 ] если параметр Units имеет значение pu и [3.15e+05 0.7938 0.084225] если параметр Units имеет значение SI.
Если выбран, реализует линейный трансформатор с тремя обмотками; в противном случае он реализует двухобмоточный трансформатор. Выбрано значение по умолчанию.
Параметр «Параметры обмотки 3» недоступен, если не выбран параметр «Трансформатор трех обмоток».
Номинальное напряжение в вольтах RMS (Vrms), сопротивление в pu или ohms и индуктивность утечки в pu или henries. Значения pu основаны на номинальной мощности Pn и V3. Установите сопротивления и индуктивности обмотки на 0, чтобы реализовать идеальную обмотку. По умолчанию: [ 315e3 0.002 0.08 ] если параметр Units имеет значение pu и [3.15e+05 0.7938 0.084225] если параметр Units имеет значение SI.
Сопротивление и индуктивность, имитирующие активные и реактивные потери активной зоны. При выборе значения pu основаны на номинальной мощности Pn и V1. Например, для указания 0,2% потерь активной и реактивной активной зоны при номинальном напряжении используйте Rm = 500 pu и Lm = 500 pu. По умолчанию: [ 500 500 ] если параметр Units имеет значение pu и [1.0805e+06 2866] если параметр Units имеет значение SI.
Rm должен иметь конечное значение, когда индуктивность обмотки 1 больше нуля.
Выбрать Winding voltages для измерения напряжения на клеммах обмотки блока линейного трансформатора.
Выбрать Winding currents для измерения тока, протекающего через обмотки блока линейного трансформатора.
Выбрать Magnetization current для измерения тока намагничивания блока линейного трансформатора.
Выбрать All voltages and currents для измерения напряжений и токов обмотки плюс ток намагничивания.
Поместите блок мультиметра в модель, чтобы отобразить выбранные измерения во время моделирования.
По умолчанию: None.
В списке Available Measurements блока Multimeter измерения идентифицируются меткой, за которой следует имя блока.
Измерение | Этикетка |
|---|---|
Напряжения обмотки |
|
Токи обмоток |
|
Ток намагничивания |
|
Обмотки могут оставаться плавающими (то есть не подключенными к остальной цепи). Однако между плавающей обмоткой и основной цепью автоматически добавляется внутренний резистор. Это внутреннее соединение не влияет на измерения напряжения и тока.
Из-за ограничений, врожденных к теории графов и ее применению к электрической сетевой теории, как осуществлено в программном обеспечении Simscape™ Electrical™ Specialized Power Systems, следующая топология неразрешима:
Петли, содержащие только идеальные вторичные обмотки трансформатора (например, дельта-соединенные идеальные вторичные обмотки трехфазного трансформатора). Для решения этой проблемы топологии можно добавить небольшой импеданс последовательно с контуром.
Петли, содержащие только идеальные вторичные обмотки трансформатора и идеальные источники напряжения. Для решения этой проблемы топологии можно добавить небольшой импеданс последовательно с контуром.
Петли, содержащие только идеальные вторичные обмотки трансформатора и конденсаторы. Для решения этой проблемы топологии можно добавить небольшой импеданс последовательно с контуром.
Все топологии, в которых первичная обмотка идеального трансформатора имеет, по крайней мере, один из своих узлов, который соединен с элементами, состоящими только из первичных обмоток идеального трансформатора или источников тока (например, трехфазных первичных обмоток с плавающей общей точкой). Чтобы разрешить эту топологию цепи, необходимо подключить небольшое сопротивление к проблемному узлу.
power_transformer В примере показана типичная бытовая распределительная трансформаторная сеть, питающая нагрузки от линии к нейтрали и от линии к линии.
Взаимная индуктивность, насыщаемый трансформатор, трехфазный трансформатор (две обмотки), трехфазный трансформатор (три обмотки)