Реализовать трехфазный трансформатор с конфигурируемыми соединениями обмоток
Simscape/Electrical/Специализированные энергосистемы/Элементы электросети
Этот блок реализует трехфазный трансформатор, используя три однофазных трансформатора. Подробное описание электрической модели однофазного трансформатора см. в разделе Блок линейного трансформатора.
При активации характеристика насыщения совпадает с характеристикой, описанной для блока «Насыщаемый трансформатор». Если потоки не указаны, исходные значения автоматически корректируются таким образом, чтобы моделирование начиналось в установившемся состоянии.
Индуктивность утечки и сопротивление каждой обмотки приведены в pu исходя из номинальной мощности трансформатора Pn и о номинальном напряжении обмотки (V1 или V2). Описание каждого блока приведено в разделе «Линейный трансформатор» и «Насыщаемый трансформатор».
Две обмотки трансформатора могут быть соединены следующим образом:
Y
Y с доступной нейтралью
Заземленный Y
Дельта (D1), дельта отставание Y на 30 градусов
Дельта (D11), дельта, ведущая Y на 30 градусов
При выборе Y-соединения с доступной нейтралью для обмотки 1 к блоку добавляется входной порт с меткой N. При запросе доступной нейтрали на обмотке 2 генерируется дополнительный выходной порт с меткой n.
Обозначения D1 и D11 относятся к условию синхронизации, которое предполагает, что фазор опорного напряжения Y находится в полдень (12) на дисплее синхронизации. D1 и D11 относятся соответственно к 13:00 (дельта-напряжения, запаздывающие на 30 градусов) и 11:00 (дельта-напряжения, ведущие на 30 градусов).
Традиционное обозначение для двухобмоточного трехфазного трансформатора использует две буквы, за которыми следует число. Первая буква (Y или D) указывает на высоковольтное соединение wye или дельта-обмотки. Вторая буква (y или d) обозначает низковольтное соединение wye или дельта-обмотки. Число, целое число от 0 до 12, указывает положение фазора напряжения положительной последовательности низкого напряжения на дисплее синхронизации, когда фазор напряжения положительной последовательности высокого напряжения находится в 12:00.
Следующие три рисунка являются примерами стандартных соединений обмоток. Точки обозначают отметки полярности, а стрелки обозначают положение фазоров A-нейтрального напряжения на высоковольтных и низковольтных обмотках. Предполагается, что фазоры вращаются в направлении против часовой стрелки, так что возрастающие числа указывают на увеличение фазового запаздывания.
Yd1: Низковольтная обмотка (d) отстает от высоковольтной обмотки (Y) на 30 градусов. Для параметра соединения «Обмотка 2» установлено значение D1.

Dy11: Низковольтная обмотка (y) является ведущей высоковольтной обмоткой (D) на 30 градусов. Для параметра соединения «Обмотка 1» установлено значение D1.

Dy1: Низковольтная обмотка (y) отстает от высоковольтной обмотки (D) на 30 градусов. Для параметра соединения «Обмотка 1» установлено значение D11.

Можно представить множество других соединений со сдвигами фаз между 0 и 360 градусами (по шагам 30 градусов) путем комбинирования + 30- или -30-градусного фазового сдвига, обеспечиваемого настройками параметров блока D1 и D11, и, в некоторых случаях, дополнительного +/-120-градусного фазового сдвига, получаемого подключением выходных выводов дельта-обмотки к соответствующим фазам сети .
В таблице объясняется, как настроить блок трехфазного трансформатора для получения общих соединений.
| Позиция синхросигнала | Сдвиг фазы (градусы) | Связь | Подключение обмотки 1 | Подключение обмотки 2 | Клеммы дельта-обмотки для подключения к фазам сети ABC |
|---|---|---|---|---|---|
| 0 | 0 | Yy0 | Y | Y | — |
| Dd0 | D1 | D1 | ABC | ||
| 1 | –30 | Yd1 | Y | D1 | ABC |
| Dy1 | D11 | Y | ABC | ||
| 2 | –60 | Dd2 | D11 | D1 | ABC |
| 5 | –150 | Yd5 | Y | D1 | bca |
| Dy5 | D11 | Y | такси | ||
| 7 | +150 | Yd7 | Y | D11 | такси |
| Dy7 | D1 | Y | bca | ||
| 10 | +60 | Dd10 | D1 | D11 | ABC |
| 11 | +30 | Yd11 | Y | D11 | ABC |
| Dy11 | D1 | Y | ABC |
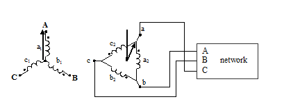
Например, для получения Yd5 соединения установите для параметра соединения обмотки 1 значение Y, а для параметра соединения обмотки 2 значение D1 и подключите фазы сети к обмотке 2 следующим образом:

Для получения дополнительной информации о стандартных обозначениях обмоток трансформатора см. Международный стандарт IEC 60076-1 [1].
Соединения обмоток для обмотки 1. Варианты: Y, Yn, Yg (по умолчанию), Delta (D1), и Delta (D3).
Соединения обмоток для обмотки 2. Варианты: Y, Yn, Yg (по умолчанию), Delta (D1), и Delta (D3).
Выбрать Three single-phase transformers (по умолчанию) для реализации трехфазного трансформатора с использованием трех однофазных моделей трансформатора. Этот тип сердечника можно использовать для представления очень больших силовых трансформаторов в энергосистемах (сотни МВт).
Выбрать Three-limb core (core-type) для реализации трехфазного трансформатора трехцепочечного сердечника. В большинстве применений трехфазные трансформаторы используют трехцепочечный сердечник (трансформатор типа сердечника). Этот тип ядра дает точные результаты при асимметричном сбое как для линейных, так и для нелинейных моделей (включая насыщение). В условиях асимметричного напряжения поток нулевой последовательности трансформатора типа сердечника возвращается за пределы сердечника через воздушный зазор, конструкционную сталь и резервуар. Таким образом, естественный L0 индуктивности нулевой последовательности (без дельта-обмотки) такого трансформатора типа сердечника обычно очень низок (обычно 0,5 pu < L0 < 2 pu) по сравнению с трехфазным трансформатором, использующим три однофазных блока (L0 > 100 pu). Это низкое значение L0 влияет на напряжения, токи и дисбалансы потока во время линейной и насыщенной работы.
Выбрать Five-limb core (shell-type) для реализации трехфазного трансформатора с пятирельбовым сердечником. В редких случаях очень большие трансформаторы строятся с пятистоечным сердечником (трехфазные ножки и две наружные ножки). Эта конфигурация сердечника, также известная как тип оболочки, выбирается главным образом для уменьшения высоты трансформатора и облегчения транспортировки. В условиях несбалансированного напряжения, в отличие от трансформатора с тремя конечностями, поток нулевой последовательности трансформатора с пятью конечностями остается внутри стального сердечника и возвращается через два внешних конца. Поэтому индуктивность естественной нулевой последовательности (без дельты) очень высока (L0 > 100 pu). За исключением малых дисбалансов тока из-за асимметрии сердечника, поведение пятилимпийского трансформатора оболочечного типа аналогично поведению трехфазного трансформатора, построенного с тремя однофазными блоками.
Если выбран, реализует насыщаемый трехфазный трансформатор. Значение по умолчанию очищено.
Для моделирования трансформатора в фазорном режиме блока Powergui необходимо очистить этот параметр.
Выберите для моделирования характеристики насыщения, включая гистерезис, вместо кривой насыщения с одним значением. Этот параметр отображается, только если выбран параметр насыщения Simulate. Значение по умолчанию очищено.
Для моделирования трансформатора в фазорном режиме блока Powergui необходимо очистить этот параметр.
Этот параметр отображается, только если выбран параметр Simulate hysteresis.
Укажите .mat файл, содержащий данные для использования в модели гистерезиса. При открытии инструмента проектирования гистерезиса блока Powergui петля гистерезиса по умолчанию и параметры, сохраненные в hysteresis.mat отображается файл. Используйте кнопку «Загрузить» инструмента «Проектирование гистерезиса» для загрузки другого .mat файл. Используйте кнопку Сохранить (Save) инструмента Hysteresis Design, чтобы сохранить модель в новом .mat файл.
Если этот флажок установлен, начальные потоки определяются параметром «Начальные потоки» на вкладке «Параметры». Параметр Задать начальные потоки (Specify initial fluxes) отображается, только если выбран параметр насыщения Simulate. Значение по умолчанию очищено.
Когда Определить начальный параметр потоков не отобран после моделирования, программное обеспечение Simscape™ Electrical™ Specialized Power Systems автоматически вычисляет начальные потоки, чтобы начать моделирование в устойчивом состоянии. Вычисленные значения сохраняются в параметре «Начальные потоки» и перезаписывают все предыдущие значения.
Выбрать Winding voltages для измерения напряжения на клеммах обмотки.
Выбрать Winding currents для измерения тока, протекающего через обмотки.
Выбрать Fluxes and excitation currents (Im + IRm) для измерения связи потока в вольт-секундах (V.s) и общего тока возбуждения, включая потери железа, смоделированные по Rm.
Выбрать Fluxes and magnetization currents (Im) для измерения связи потока в вольт-секундах (V.s) и тока намагничивания в амперах (A), не включая потери железа, смоделированные Rm.
Выбрать All measurements (V, I, Flux) измерить извилистые напряжения, ток, ток намагничивания и потокосцепления.
По умолчанию: None.
Поместите блок мультиметра в модель, чтобы отобразить выбранные измерения во время моделирования. В списке Available Measurements блока Multimeter измерения идентифицируются меткой, за которой следует имя блока.
Если для параметра «Подключение обмотки 1» (клеммы ABC) установлено значение Y, Yn, или Yg, метки следующие.
Измерение | Этикетка |
|---|---|
Напряжение обмотки 1 |
или
|
Обмотка 1 токов |
или
|
Потоки |
|
Токи намагничивания |
|
Токи возбуждения |
|
Для обмотки 2 применяются те же метки, за исключением того, что 1 заменяется на 2 в метках.
Если для параметра «Подключение обмотки 1» (клеммы ABC) установлено значение Delta (D1) или Delta (D3), метки следующие.
Измерение | Этикетка |
|---|---|
Напряжение обмотки 1 |
|
Обмотка 1 токов |
|
Связи потоков |
|
Токи намагничивания |
|
Токи возбуждения |
|
Укажите единицы измерения, используемые для ввода параметров этого блока. Выбрать pu для использования на единицу измерения. Выбрать SI для использования единиц СИ. Изменение параметра Units с pu кому SI, или от SI кому puавтоматически преобразует параметры, отображаемые в маске блока. Преобразование на единицу основано на номинальной мощности трансформатора Pn в VA, номинальной частоте fn в Гц и номинальном напряжении Vn в Vrms обмоток. По умолчанию: pu.
Номинальная мощность трансформатора в вольт-амперах (VA) и номинальная частота в герцах (Гц). Номинальные параметры не влияют на модель трансформатора, если для параметра Units установлено значение SI. По умолчанию: [ 250e6 , 60 ].
Номинальное напряжение фазы к фазе в вольтах среднеквадратичного напряжения, сопротивление и индуктивность утечки в pu для обмотки 1. По умолчанию: [ 735e3 , 0.002 , 0.08 ] если параметр Units имеет значение pu и [7.35e+05 4.3218 0.45856] если параметр Units имеет значение SI.
Номинальное напряжение фазы к фазе в вольтах среднеквадратичного напряжения, сопротивление и индуктивность утечки в pu для обмотки 2. По умолчанию: [ 315e3 , 0.002 , 0.08 ] если параметр Units имеет значение pu и [3.15e+05 0.7938 0.084225] если параметр Units имеет значение SI.
Сопротивление намагниченности Rm, в pu. По умолчанию: 500 если параметр Units имеет значение pu и 1.0805e+06 если параметр Units имеет значение SI.
Индуктивность намагниченности Lm в pu для ненасыщенного сердечника. Параметр Lm индуктивности намагниченности недоступен, если выбран параметр сердечника Сатурабл (Saturable core) на вкладке Конфигурация (Configuration). По умолчанию: 500 если параметр Units имеет значение pu и 2866 если параметр Units имеет значение SI.
L0 индуктивности пути потока нулевой последовательности возвращается в pu для трансформатора с трехлинейным сердечником.
Этот параметр отображается, только если для параметра Type установлено значение Three-limb core (core type). По умолчанию: 0.5 если параметр Units имеет значение pu и 2.866 если параметр Units имеет значение SI.
Этот параметр доступен, только если выбран параметр Simulate saturation на вкладке Configuration (Конфигурация). По умолчанию: [ 0,0 ; 0.0024,1.2 ; 1.0,1.52 ] если параметр Units имеет значение pu и [0 0;0.66653 1910.3;277.72 2419.7] если параметр Units имеет значение SI.
Характеристика насыщения для насыщаемого ядра. Укажите ряд пар ток/поток (в пу), начиная с пары (0,0).
Укажите начальные потоки для каждой фазы трансформатора. Этот параметр доступен, только если на вкладке Конфигурация (Configuration) выбраны опции Задать начальные потоки (Specify initial fluxes) и Смоделировать параметры насыщения (Simulate saturation parameters). По умолчанию: [ 0.8 , -0.8 , 0.7 ] если параметр Units имеет значение pu и [1273.5 -1273.5 1114.3] если параметр Units имеет значение SI.
Если при моделировании не выбран параметр «Указать начальные потоки», программа Simscape Electrical Specialized Power Systems автоматически вычисляет начальные потоки для запуска моделирования в установившемся состоянии. Вычисленные значения сохраняются в параметре Начальные потоки (Initial Fluxes) и перезаписываются любыми предыдущими значениями.
Вкладка Расширенный (Advanced) блока не отображается, если для параметра Тип моделирования (Simulation type) блока powergui задано значение Continuousили при выборе параметра Автоматически обрабатывать дискретный решатель блока powergui. Вкладка отображается, если для параметра Тип моделирования блока powergui задано значение Discreteи когда параметр Автоматически обрабатывать дискретный решатель блока powergui будет сброшен.
При выборе на выходе модели насыщения вводится задержка, вычисляющая ток намагничивания как функцию связи потока (интеграл входного напряжения, вычисленного трапециевидным методом). Эта задержка устраняет алгебраический цикл, возникающий в результате методов трапециевидной дискретизации, и ускоряет моделирование модели. Однако эта задержка приводит к временной задержке на один этап моделирования в модели и может вызвать численные колебания, если время выборки слишком велико. Алгебраический цикл требуется в большинстве случаев для получения точного решения.
Если флажок снят (по умолчанию), параметр модели дискретного решателя определяет метод дискретизации модели насыщения.
Выберите один из этих методов для разрешения алгебраического цикла.
Trapezoidal iterative- Хотя этот метод дает правильные результаты, он не рекомендуется, поскольку Simulink ® имеет тенденцию к замедлению и может не сходиться (моделирование останавливается), особенно при увеличении количества насыщаемых трансформаторов. Кроме того, из-за алгебраического ограничения цикла Симулинка этот метод не может использоваться в реальном времени. В R2018b и предыдущих версиях этот метод использовался при сбросе параметра Разорвать алгебраический цикл в модели дискретного насыщения.
Trapezoidal robust- Этот метод немного точнее, чем Backward Euler robust способ. Однако он может создавать слегка ослабленные числовые колебания на напряжениях трансформатора, когда трансформатор находится без нагрузки.
Backward Euler robust- Этот метод обеспечивает хорошую точность и предотвращает колебания, когда трансформатор находится без нагрузки.
Максимальное количество итераций для надежных методов указано на вкладке Настройки блока powergui в разделе Сведения о решателе для нелинейных элементов. Для приложений реального времени может потребоваться ограничить число итераций. Обычно ограничение числа итераций до 2 дает приемлемые результаты. Два надежных решателя являются рекомендуемыми методами дискретизации модели насыщения трансформатора.
Дополнительные сведения о том, какой метод следует использовать в приложении, см. в разделе Моделирование дискретизированных электрических систем.
power_transfo3ph в цепи используется блок трехфазного трансформатора, в котором моделируется насыщаемый сердечник. Обе обмотки соединены в Y-образной заземленной конфигурации. Нейтральные точки двух обмоток внутренне соединены с землей.
Насыщаемый трансформатор 500 кВ/ 230-kV находится под напряжением в системе 500-kV. Остаточные потоки 0,8 pu, − 0,4 pu и 0,4 pu были определены соответственно для фаз A, B и C. Выполните моделирование и наблюдайте импульсные токи из-за насыщения активной зоны. См. также power_xfonotation модель, которая показывает четыре типа трехфазных соединений Yd и Dy трансформатора.
[1] МЭК. Международный стандарт IEC 60076-1, Силовой трансформатор - Часть 1: Общие сведения, издание 2.1, 2000-04. «Приложение D: Трехфазные трансформаторные соединения». 2000.
Линейный трансформатор, мультиметр, насыщаемый трансформатор, трехфазный трансформатор (три обмотки), тип матрицы индуктивности трехфазного трансформатора (две обмотки)