Реализовать многообмоточный трансформатор с отводами
Simscape/Electrical/Специализированные энергосистемы/Элементы электросети
Блок многозаводного трансформатора реализует трансформатор, в котором количество обмоток может быть указано как для первичной (обмотки левой стороны), так и для вторичной (обмотки правой стороны).
Эквивалентная схема блока многообмоточного трансформатора аналогична схеме блока линейного трансформатора, и может быть указана или указана характеристика насыщения сердечника. См. справочные страницы блока Сатурабельного трансформатора для получения более подробной информации о том, как реализованы характеристики насыщения и гистерезиса.
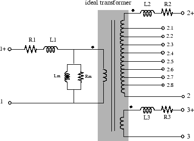
На следующем рисунке показана эквивалентная цепь блока трансформатора с двумя первичными обмотками и тремя вторичными обмотками.

Можно добавить равноудаленные отводы к первой первичной обмотке (верхняя левая обмотка) или к первой вторичной обмотке (верхняя правая обмотка). Эквивалентная цепь блока многообмоточного трансформатора с одной первичной обмоткой и восемью отводами на первой из двух вторичных обмоток показана на следующем рисунке.

Клеммы обмотки идентифицируются соответствующим номером обмотки. Первая обмотка - первая на первичной стороне (верхняя левая сторона), а последняя обмотка - последняя на вторичной стороне (нижняя правая сторона). Полярности обмоток определяются знаком «плюс».
Клеммы отводов идентифицируются по их номеру обмотки, за которым следуют точечный символ и номер отводов. Отводы равномерно разнесены таким образом, что напряжение, возникающее без нагрузки между двумя последовательными отводами, равно общему напряжению обмотки, деленному на (число отводов + 1). Полное сопротивление обмотки и индуктивность утечки обмотки с отводами равномерно распределены по отводам .
Количество обмоток на первичной (левой) стороне трансформатора. По умолчанию: 1.
Количество обмоток на вторичной стороне (правой) трансформатора. По умолчанию: 3.
Выбрать no taps (по умолчанию), если вы не хотите добавлять отводы в трансформатор. Выбрать taps on upper left winding для добавления отводов к первой обмотке на первичной стороне трансформатора. Выбрать taps on upper right winding для добавления отводов к вторичной обмотке на правой стороне трансформатора. Количество отводов определяется параметром Количество отводов (равноудаленные).
Этот параметр не активизируется, если для параметра «Резьбовая обмотка» установлено значение no taps. По умолчанию: 2.
Если для параметра Резьбовая обмотка установлено значение taps on upper left windingуказывается количество отводов, добавляемых к первой обмотке с левой стороны.
Если для параметра Резьбовая обмотка установлено значение taps on upper right windingуказывается количество отводов, добавляемых к первой обмотке с правой стороны.
Если выбран, реализует насыщаемый трансформатор. См. также параметр характеристики насыщения на вкладке Параметры. Значение по умолчанию очищено.
Выберите для моделирования характеристики насыщенности гистерезиса вместо кривой насыщенности с одним значением. Этот параметр включается, только если выбран основной параметр Saturable. Значение по умолчанию очищено.
Параметр файла Hysteresis Mat активируется, только если выбран параметр Simulate hysteresis.
Укажите .mat файл, содержащий данные, используемые для гистерезисной модели. При открытии инструмента проектирования гистерезиса Powergui петля гистерезиса по умолчанию и параметры, сохраненные в hysteresis.mat отображается файл. Используйте кнопку «Загрузить» инструмента «Проектирование гистерезиса» для загрузки другого .mat файл. Используйте кнопку Сохранить (Save) инструмента Hysteresis Design, чтобы сохранить модель в новом .mat файл.
Выбрать Winding voltages для измерения напряжения на клеммах обмотки блока насыщаемого трансформатора.
Выбрать Winding currents для измерения тока, протекающего через обмотки блока Сатурабельного трансформатора.
Выберите Поток и ток возбуждения (Im + IRm), чтобы измерить связь потока в вольт-секундах (V.s) и суммарный ток возбуждения, включая потери железа, смоделированные Rm.
Выбрать Flux and magnetization current (Im) для измерения связи потока в вольт-секундах (V.s) и тока намагничивания в амперах (A), не включая потери железа, смоделированные Rm.
Выбрать All measurement (V, I, Flux) измерить извилистые напряжения, ток, ток намагничивания и потокосцепление.
По умолчанию: None.
Поместите блок мультиметра в модель, чтобы отобразить выбранные измерения во время моделирования.
В списке Available Measurements блока Multimeter измерения идентифицируются меткой, за которой следует имя блока.
Измерение | Этикетка |
|---|---|
Напряжения обмотки |
|
Токи обмоток |
|
Ток возбуждения |
|
Ток намагничивания |
|
Флюсовая связь |
|
Укажите единицы измерения, используемые для ввода параметров блока многообмоточного трансформатора. Выбрать pu для использования на единицу измерения. Выбрать SI для использования единиц СИ. Изменение параметра Units с pu кому SI, или от SI кому puавтоматически преобразует параметры, отображаемые в маске блока. Преобразование на единицу основано на номинальной мощности трансформатора Pn в VA, номинальной частоте fn в Гц и номинальном напряжении Vn в Vrms обмоток. По умолчанию: pu.
Номинальная мощность трансформатора в вольт-амперах (VA) и номинальная частота в герцах (Гц). Обратите внимание, что номинальные параметры не влияют на модель трансформатора, если для параметра Units установлено значение SI. По умолчанию: [75e3 60].
Укажите вектор, содержащий номинальные среднеквадратичные напряжения в Vrms обмоток на левой стороне, а затем номинальные среднеквадратичные напряжения обмоток на правой стороне. Нет необходимости указывать номинальные напряжения отдельных отводов. По умолчанию: [ 14400 120 120 120 ].
Укажите вектор, содержащий значения сопротивления обмоток на левой стороне, а затем значения сопротивления обмоток на правой стороне. Вам не нужно указывать сопротивления отдельных отводов. По умолчанию: [ 0.005 0.005 0.005 0.005] если параметр Units имеет значение pu и [13.824 0.00096 0.00096 0.00096] если параметр Units имеет значение SI.
Укажите вектор, содержащий значения индуктивности утечки обмоток с левой стороны, а затем значения индуктивности утечки обмоток с правой стороны. Нет необходимости указывать индуктивности утечки отдельных отводов. По умолчанию: [ 0.02 0.02 0.02 0.02 ] если параметр Units имеет значение pu и [0.14668 1.0186e-05 1.0186e-05 1.0186e-05] если параметр Units имеет значение SI.
Сопротивление намагниченности Rm, в омах или в pu. По умолчанию: 50 если параметр Units имеет значение pu и 1.3824e+05 если параметр Units имеет значение SI.
Параметр Lm индуктивности намагниченности недоступен, если выбран параметр сердечника Сатурабл (Saturable core) на вкладке Конфигурация (Configuration).
Индуктивность намагниченности Lm, в Henry или в pu, для ненасыщенного сердечника. По умолчанию: 50 если параметр Units имеет значение pu и 366.69 если параметр Units имеет значение SI.
Этот параметр доступен только в том случае, если на вкладке Конфигурация выбран параметр Ядро насыщения.
Характеристика насыщения для насыщаемого ядра. Укажите ряд пар ток/поток (в пу), начиная с пары (0,0). По умолчанию: [ 0,0 ; 0.0024,1.2 ; 1.0,1.52 ] если параметр Units имеет значение pu и [0 0;0.017678 64.823;7.3657 82.109] если параметр Units имеет значение SI.
Вкладка Дополнительно (Advanced) блока не отображается, если для параметра Тип моделирования (Simulation type) блока powergui задано значение Непрерывное (Continuous) или если выбран параметр Автоматически обрабатывать дискретный решатель (Automatically handle district solver) блока powergui. Вкладка отображается, если для параметра Тип моделирования блока powergui задано значение Дискретный, а параметр Автоматически обрабатывать дискретный решатель блока powergui снят.
При выборе на выходе модели насыщения вводится задержка, вычисляющая ток намагничивания как функцию связи потока (интеграл входного напряжения, вычисленного трапециевидным методом). Эта задержка устраняет алгебраический цикл, возникающий в результате методов трапециевидной дискретизации, и ускоряет моделирование модели. Однако задержка вносит в модель задержку на один шаг моделирования и может вызвать численные колебания, если время выборки слишком велико. Алгебраический цикл требуется в большинстве случаев для получения точного решения.
Если флажок снят (по умолчанию), метод дискретизации модели насыщения задается параметром модели дискретного решателя.
Выберите один из этих методов для разрешения алгебраического цикла.
Trapezoidal iterative- Хотя этот метод дает правильные результаты, он не рекомендуется, поскольку Simulink ® имеет тенденцию к замедлению и может не сходиться (моделирование останавливается), особенно при увеличении количества насыщаемых трансформаторов. Кроме того, из-за алгебраического ограничения цикла Симулинка этот метод не может использоваться в реальном времени. В R2018b и предыдущих версиях этот метод использовался при сбросе параметра Разорвать алгебраический цикл в модели дискретного насыщения.
Trapezoidal robust- Этот метод немного точнее, чем Backward Euler robust способ. Однако он может создавать слегка ослабленные числовые колебания на напряжениях трансформатора, когда трансформатор находится без нагрузки.
Backward Euler robust- Этот метод обеспечивает хорошую точность и предотвращает колебания, когда трансформатор находится без нагрузки.
Максимальное количество итераций для надежных методов указано на вкладке Настройки блока powergui в разделе Сведения о решателе для нелинейных элементов. Для приложений реального времени может потребоваться ограничить число итераций. Обычно ограничение числа итераций до 2 дает приемлемые результаты. Два надежных решателя являются рекомендуемыми методами дискретизации модели насыщения трансформатора.
Дополнительные сведения о том, какой метод следует использовать в приложении, см. в разделе Моделирование дискретизированных электрических систем.
power_OLTCregtransformer В примере используются три блока многообмоточных трансформаторов для реализации трехфазного трансформатора OLTC (On Load Tap Changer).