Реализовать линию электропередачи с габаритными параметрами
Simscape/Electrical/Специализированные энергосистемы/Элементы электросети
Блок PI Section Line реализует N-фазную линию передачи с параметрами, скошенными в PI секциях.
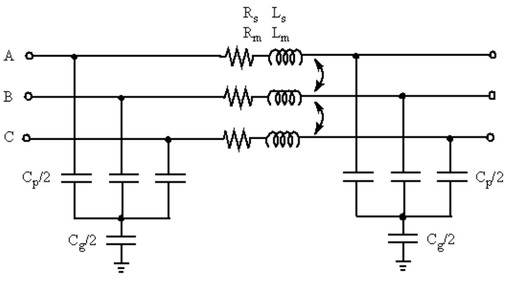
Для линии передачи сопротивление, индуктивность и емкость равномерно распределены вдоль линии. Приблизительная модель линии распределенных параметров получается путем каскадирования нескольких идентичных секций PI. На следующем рисунке показан один участок PI трехфазной линии передачи.

В отличие от блока Линия распределенных параметров (Distributed Parameters Line), который имеет бесконечное число состояний, линейная модель секции PI имеет конечное число состояний, которые позволяют вычислить линейную модель состояния-пространства. Количество используемых секций зависит от диапазона частот, который будет представлен.
Аппроксимация максимального частотного диапазона, представленного моделью линии PI, задается следующим уравнением:
где
| Nbpi | Количество секций PI |
| v | скорость распространения (км/с) = 1c; l в Н/км, c в Ф/км |
| ltot | Длина линии (км) |
Например, для воздушной линии протяженностью 100 км, имеющей скорость распространения 300 000 км/с, максимальный диапазон частот, представленный одной секцией PI, составляет приблизительно 375 Гц. Для изучения взаимодействий между энергосистемой и системой управления этой простой модели может быть достаточно. Тем не менее, для переключающих исследований помпажа с использованием высокочастотных переходных процессов в диапазоне кГц следует использовать гораздо более короткие секции PI. Фактически, наиболее точные результаты можно получить с помощью модели линии распределенных параметров.
Примечание
Блок powergui предоставляет инструмент RLC Line Parameters, который вычисляет сопротивление, индуктивность и емкость на единицу длины на основе геометрии линии и характеристик проводника.
Для коротких участков линии (примерно lsec < 50 км) элементы RLC для каждого участка линии задаются следующим образом:
где
| r | Сопротивление на единицу длины (Ом/км) |
| l | Индуктивность на единицу длины (Н/км) |
| c | Емкость на единицу длины (F/км) |
| f | Частота (Гц) |
| lsec | Длина участка линии = ltot/N (км) |
Однако для длинных отрезков линии RLC-элементы, заданные вышеприведенными уравнениями, должны быть скорректированы, чтобы получить точную модель линии на заданной частоте. Элементы RLC затем вычисляются с использованием гиперболических функций, как объясняется ниже.
2.df
Импеданс серии на единицу длины на частоте f равен
jü l
На единицу длины допустимость шунта на частоте f составляет
jü c
Характеристический импеданс -
z/y
Константа распространения:
)
(Z)
)/λ
)
)/λ
Гиперболические поправки приводят к тому, что значения RLC немного отличаются от нескорректированных значений. R и L уменьшаются, в то время как С увеличивается. Эти поправки становятся более важными по мере увеличения длины участка линии. Например, рассмотрим линию 735 кВ со следующими параметрами положительной последовательности и нулевой последовательности (это параметры по умолчанию блока «Линия трехфазной секции PI» и блока «Линия распределенных параметров»):
Положительная последовательность |
| |||
Нулевая последовательность |
|
Для участка линии протяженностью 350 км нескорректированные значения положительной последовательности RLC:
10 − 9 × 350 = 4,459 × 10 − 6 F
Гиперболическая коррекция при 60 Гц дает:
× 10 − 6 F
Для этих конкретных параметров и участка длинной линии (350 км) относительно важны поправки для RLC-элементов положительной последовательности (соответственно − 6,8%, − 3,4% и + 1,8%). Для параметров нулевой последовательности можно проверить, что необходимо применять даже более высокие коррекции RLC (соответственно − 18%, − 8,5% и + 4,9%).
В блоке PI Section Line всегда используется гиперболическая коррекция независимо от длины сечения линии.
Частота f, в герцах (Гц), при которой на единицу длины r, l, c задаются параметры. Гиперболическая коррекция применяется к элементам RLC каждого отрезка линии с использованием этой частоты. По умолчанию: 60.
Сопротивление на единицу длины в виде матрицы N-by-N в Ом/км (Ом/км). По умолчанию: 0.01273.
Индуктивность на единицу длины линии в виде матрицы N-by-N в henries/km (H/km). Члены в диагонали матрицы не могут быть равны нулю, поскольку это приведет к неправильному вычислению скорости распространения. По умолчанию: 0.9337e-3.
Емкость на единицу длины линии в виде матрицы N-на-N в фарадах/км (F/км). Члены в диагонали матрицы не могут быть равны нулю, поскольку это приведет к неправильному вычислению скорости распространения. По умолчанию: 12.74e-9.
Длина линии в км. По умолчанию: 100.
Количество секций PI. Минимальное значение - 1. По умолчанию: 1.
Если значение параметра Number of phases [N] больше, чем 1, единственное измерение, доступное в раскрывающемся меню - Phase-to-ground voltages.
Если число фаз [N] равно 1, можно выбрать следующие опции:
Выбрать Input and output voltages для измерения напряжения передающего конца (входной порт) и принимающего конца (выходной порт) линейной модели.
Выбрать Input and output currents измерение токов передающего и принимающего концов модели линии.
Выбрать All pi-section voltages and currents для измерения напряжений и токов в начале и конце каждого пи-сечения.
Выбрать All voltages and currents измерение напряжений и токов передающего и приемного концов линейной модели.
По умолчанию: None.
Поместите блок мультиметра в модель, чтобы отобразить выбранные измерения во время моделирования. В списке Available Measurements блока Multimeter измерение идентифицируется меткой, за которой следует имя блока.
Измерение | Этикетка |
|---|---|
Напряжение на конце посылки (вход блока) |
|
Напряжение на приемном конце (блочный выход) |
|
Посылающий конечный ток (входной ток) |
|
Ток приемного конца (выходной ток) |
|
Фаза-земля (входы и выходы блоков) |
|
power_piline В примере показаны напряжения питания линии и токи однофазной линии сечения PI.