Реализовать трехфазный трехобмоточный трансформатор с конфигурируемыми соединениями обмотки и геометрией сердечника
Simscape/Electrical/Специализированные энергосистемы/Элементы электросети

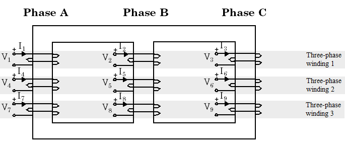
Блок матрицы индуктивности трехфазного трансформатора (три обмотки) представляет собой трехфазный трансформатор с трехцепочечным сердечником и тремя обмотками на фазу. В отличие от блока трехфазного трансформатора (три обмотки), который моделируется тремя отдельными однофазными трансформаторами, этот блок учитывает связи между обмотками разных фаз. Сердечник трансформатора и обмотки показаны на следующей иллюстрации.

Фазные обмотки трансформатора пронумерованы следующим образом:
1, 4, 7 на фазе А
2, 5, 8 на фазе B
3, 6, 9 на фазе C
Эта геометрия сердечника подразумевает, что фазная обмотка 1 соединена со всеми другими фазными обмотками (2-9), тогда как в блоке трехфазного трансформатора (трехфазный трансформатор, использующий три независимых сердечника) обмотка 1 соединена только с обмотками 4 и 7.
Примечание
Не путайте номера фазных обмоток (1, 2 и 3) с номерами, используемыми для идентификации трехфазных обмоток трансформатора. Трехфазная обмотка 1 состоит из фазных обмоток 1, 2, 3, трехфазная обмотка 2 состоит из фазных обмоток 4, 5, 6, а трехфазная обмотка 3 состоит из фазных обмоток 7, 8, 9.
Блок типа матрицы индуктивности трехфазного трансформатора (три обмотки) реализует следующее соотношение матриц:
L99]⋅ddt[I1I2⋮I9].
R1, чтобы R9 представлять сопротивления обмотки. По соотношениям напряжений, индуктивной составляющей токов возбуждения без нагрузки и реактивам короткого замыкания на номинальной частоте вычисляются члены Lii собственной индуктивности и члены Lij взаимной индуктивности. Два набора значений в положительной последовательности и в нулевой последовательности позволяют вычислить 9 диагональных членов и 36 внедиагональных членов симметричной индуктивной матрицы.
Если для параметра Core type установлено значение Three single-phase coresмодель использует три независимые схемы с матрицами (3x3) R и L. В этом условии параметры положительной последовательности и нулевой последовательности идентичны, и необходимо указать только значения положительной последовательности.
Собственные и взаимные условия матрицы (9x9) L получают из токов возбуждения (одна трехфазная обмотка возбуждается, а две другие трехфазные обмотки остаются разомкнутыми) и из реактивов короткого замыкания.
В параметрах маски указаны следующие реактивы короткого замыкания:
X112, X012 - реактивы положительной и нулевой последовательности, измеренные при возбуждении трехфазной обмотки 1 и коротком замыкании трехфазной обмотки 2
X113, X013 - реактивы положительной и нулевой последовательности, измеренные при возбуждении трехфазной обмотки 1 и коротком замыкании трехфазной обмотки 3
X123, X023 - реактивные характеристики положительной и нулевой последовательности, измеренные при возбуждении трехфазной обмотки 2 и коротком замыкании трехфазной обмотки 3
Предполагая следующие параметры положительной последовательности для трехфазных обмоток i и j (где i = 1, 2 или 3 и j = 1, 2 или 3):
Q1i = трехфазная реактивная мощность, поглощаемая обмоткой i при отсутствии нагрузки, когда обмотка i возбуждается напряжением положительной последовательности Vnomi с разомкнутой обмоткой j
Q1j = трехфазная реактивная мощность, поглощаемая обмоткой j без нагрузки, когда обмотка j возбуждается напряжением Vnomj положительной последовательности с разомкнутой обмоткой i
X1ij = реактивное сопротивление короткого замыкания с положительной последовательностью, наблюдаемое от обмотки i
при коротком замыкании обмотки j
Вноми, Вномж = номинальные линейные напряжения обмоток i и j.
Собственные и взаимные реактивы положительной последовательности задаются:
j) ⋅ (X1 (i, i) − X1ij).
Самореакции нулевой последовательности X0 (i, i), X0 (j, j) и взаимное реактивное сопротивление X0 (i, j) = X0 (j, i) также вычисляются с использованием аналогичных уравнений.
Расширение из следующих двух (3x3) реактивных матриц в положительной последовательности и в нулевой последовательности
к (9x9) матрице, выполняется заменой каждой из девяти [X1 X0] пар на (3x3) подматрицу вида:
где само- и взаимные термины даны:
Xs = (X0 + 2X1 )/3
Xm = (X0 - X1 )/3
Для моделирования потерь сердечника (активной мощности P1 и P0 в положительной и нулевой последовательностях) к клеммам одной из трехфазных обмоток также подключаются дополнительные шунтирующие сопротивления. Если выбрана обмотка i, сопротивления вычисляются следующим образом:
Блок учитывает выбранный тип соединения, и значок блока автоматически обновляется. Порт ввода с меткой N добавляется к блоку, если выбрано Y-соединение с доступной нейтралью для обмотки 1. Если вы запрашиваете доступную нейтраль на трехфазной обмотке 2 или 3, дополнительный порт с маркировкой n2 или n3 генерируется.
Часто ток возбуждения нулевой последовательности трансформатора с 3-образным сердечником не обеспечивается производителем. В таком случае можно предположить разумное значение, как поясняется ниже.
На следующем рисунке показан сердечник из трех конечностей с одной трехфазной обмоткой. Только фаза В возбуждается, и напряжение измеряется на фазе А и фазе С. Поток, создаваемый фазой В, равномерно распределяется между фазой А и фазой С, так что Φ/2 течет в конечности А и в конечности С. в этом конкретном случае, если индуктивность утечки обмотки B будет равна нулю, напряжение, индуцированное на фазах А и С, будет -k.VB = -VB/2. Фактически, из-за индуктивности утечки трех обмоток среднее значение коэффициента k индуцированного напряжения при последовательном возбуждении обмоток A, B и C должно быть немного ниже 0,5.

Предположим:
Zs = среднее значение трех собственных импедансов
Zm = среднее значение взаимного импеданса между фазами
Z1 = импеданс положительной последовательности трехфазовой обмотки
Z0 = импеданс нулевой последовательности трехфазовой обмотки
I1 = ток возбуждения положительной последовательности
I0 = ток возбуждения нулевой последовательности
где k = отношение индуцированного напряжения (с k немного ниже 0,5)
Следовательно, отношение I0/I1 можно вывести из k:
Очевидно, k не может быть ровно 0,5, потому что это приведет к бесконечному току нулевой последовательности. Кроме того, когда три обмотки возбуждаются напряжением нулевой последовательности, траектория потока возвращается через воздух и резервуар, окружающие железный сердечник. Высокое сопротивление траектории потока нулевой последовательности приводит к высокому току нулевой последовательности.
Предположим, что I1 = 0,5%. Разумное значение для I0 может составлять 100%. Поэтому I0/I1 = 200. В соответствии с приведенным выше уравнением для I0/I1 можно вывести значение k. k = (200 − 1 )/( 2 * 200 + 1) = 199/401 = 0,496.
Потери нулевой последовательности также выше, чем потери положительной последовательности из-за дополнительных потерь вихревого тока в резервуаре.
Наконец, значение тока возбуждения нулевой последовательности и значение потерь нулевой последовательности не являются критическими, если трансформатор имеет обмотку, подключенную в Дельте, поскольку эта обмотка действует как короткое замыкание для нулевой последовательности.
Трехфазные обмотки могут быть сконфигурированы следующим образом:
Y
Y с доступной нейтралью
Заземленный Y
Дельта (D1), дельта отставание Y на 30 градусов
Дельта (D11), дельта, ведущая Y на 30 градусов
Примечание
Обозначения D1 и D11 относятся к следующему соглашению часов. Предполагается, что фазор опорного напряжения Y находится в полдень (12) на дисплее тактового сигнала. D1 и D11 относятся соответственно к 1: 00 (дельта-напряжения, запаздывающие напряжения Y на 30 градусов) и 11: 00 (дельта-напряжения, ведущие напряжения Y на 30 градусов).
Выберите геометрию сердцевины: Three single-phase cores или Three-limb or five-limb core (по умолчанию). При выборе первой опции для вычисления матрицы индуктивности используются только параметры положительной последовательности. При выборе второй опции используются параметры положительной и нулевой последовательности.
Соединение обмотки для трехфазной обмотки 1. Варианты: Y, Yn, Yg (по умолчанию), Delta (D1), и Delta (D11).
Соединение обмотки для трехфазной обмотки 2. Варианты: Y, Yn, Yg (по умолчанию), Delta (D1), и Delta (D11).
Соединение обмотки для трехфазной обмотки 3. Варианты: Y, Yn, Yg (по умолчанию), Delta (D1), и Delta (D11).
Выберите для подключения трехфазных обмоток 1 и 2 в автотрансформаторе (трехфазные обмотки 1 и 2 последовательно с аддитивным напряжением). Значение по умолчанию очищено.
Если первое напряжение, указанное в параметре Nominal line-line voltages, выше второго напряжения, то отвод низкого напряжения подключается с правой стороны (клеммы a2, b2, c2). В противном случае отвод низкого напряжения подключается с левой стороны (клеммы A, B, C ).
В режиме автотрансформатора необходимо указать одинаковые соединения обмоток для трехфазных обмоток 1 и 2. При выборе Yn как для обмотки 1, так и для обмотки 2 на левой стороне отображается общий нейтральный N соединитель.
На следующем рисунке показаны соединения обмоток для одной фазы автотрансформатора, когда трехфазные обмотки соединены соответственно в Yg, Yg и Delta.
Если V1 > V2:

Если V2 > V1:

Обмотки W1,W2,W3 соответствовать следующим номерам фазных обмоток:
Фаза A: W1 = 1, W2 = 4, W3 = 7
Фаза B: W1 = 2, W2 = 5, W3 = 8
Фаза C: W1 = 3, W2 = 6, W3 = 9
Выбрать Winding voltages для измерения напряжения на клеммах обмотки блока трехфазного трансформатора.
Выбрать Winding currents для измерения тока, протекающего через обмотки блока трехфазного трансформатора.
Выбрать All measurements для измерения напряжений и токов обмотки.
По умолчанию: None.
Поместите блок мультиметра в модель, чтобы отобразить выбранные измерения во время моделирования. В списке Available Measurements блока Multimeter измерения идентифицируются меткой, за которой следует имя блока.
Если для параметра соединения «Обмотка 1» установлено значение Y, Yn, или Yg, метки следующие.
Измерение | Этикетка |
|---|---|
Напряжение обмотки 1 |
или
|
Обмотка 1 токов |
или
|
Если для параметра соединения «Обмотка 1» установлено значение Delta (D11) или Delta (D1), метки следующие.
Измерение | Этикетка |
|---|---|
Напряжение обмотки 1 |
|
Обмотка 1 токов |
|
Те же метки применяются к трехфазным обмоткам 2 и 3, за исключением того, что 1 заменяется на 2 или 3 в метках.
Номинальная мощность трансформатора в вольт-амперах (VA) и номинальная частота в герцах (Гц). По умолчанию: [260e6, 60].
Номинальные напряжения фазы к фазе обмоток 1, 2, 3 в вольтах СРК. По умолчанию: [315e3, 120e3, 43e3].
Сопротивления в pu для обмоток 1, 2 и 3. По умолчанию: [0.005, 0.005, 0.005] .
Ток возбуждения без нагрузки в процентах от номинального тока, когда номинальное напряжение положительной последовательности подается на любые выводы трехфазной обмотки (ABC, abc2 или abc3). По умолчанию: 0.06.
Потери сердечника плюс потери обмотки при отсутствии нагрузки, в ваттах (Вт), когда номинальное напряжение положительной последовательности подается на любые трехфазные выводы обмотки (ABC, abc2 или abc3). По умолчанию: 260e6*0.04/100.
Реактивы короткого замыкания положительной последовательности X12, X23 и X13 в pu. Xij представляет собой реактивное сопротивление, измеренное от обмотки i, когда обмотка j закорочена. По умолчанию: [0.087, 0.166, 0.067].
Если в параметре автотрансформатора выбраны обмотки 1 и 2, реактивы короткого замыкания обозначаются как XHL, XHT и XLT. H, L и T указывают следующие выводы: H = высоковольтная обмотка (обмотка 1 или обмотка 2), L = низковольтная обмотка (обмотка 1 или обмотка 2) и T = третичная (обмотка 3).
Ток возбуждения без нагрузки в процентах от номинального тока, когда номинальное напряжение нулевой последовательности подается на любые трехфазные выводы обмотки (ABC, abc2 или abc3), соединенные в Yg или Yn. По умолчанию: 100.
Примечание
Если трансформатор содержит обмотки с дельта-подключением (D1 или D11), ток нулевой последовательности, протекающий в обмотку Yg или Yn, подключенную к источнику напряжения нулевой последовательности, не представляет результирующий ток возбуждения, поскольку токи нулевой последовательности также протекают в дельта-обмотке. Поэтому необходимо указать ток циркуляции нулевой последовательности без нагрузки, полученный при разомкнутых дельта-обмотках.
Если вы хотите измерить этот ток возбуждения, вы должны временно изменить соединения дельта-обмоток с D1 или D11 на Y, Yg или Yn и подключить возбужденную обмотку в Yg или Yn, чтобы обеспечить обратный путь для токов нулевой последовательности источника.
Потери сердечника плюс потери обмотки при отсутствии нагрузки, в ваттах (Вт), когда номинальное напряжение нулевой последовательности подается на любые трехфазные выводы обмотки (ABC, abc2 или abc3), подключенные в Yg или Yn. Для измерения этих потерь обмотки Дельта должны быть временно разомкнуты. По умолчанию: 260e6*1/100.
Примечание
Примечание.Если трансформатор содержит обмотки с дельта-подключением (D1 или D11), ток нулевой последовательности, протекающий в обмотку Yg или Yn, подключенную к источнику напряжения нулевой последовательности, не представляет результирующий ток возбуждения, поскольку токи нулевой последовательности также протекают в дельта-обмотке. Поэтому необходимо указать ток циркуляции нулевой последовательности без нагрузки, полученный при разомкнутых дельта-обмотках.
Реактивы короткого замыкания нулевой последовательности X12, X23 и X13 в pu. Xij представляет собой реактивное сопротивление, измеренное от обмотки i, когда обмотка j закорочена. Если флажок Нулевая последовательность (Zero-sequence X12 measured with winding 3 Delta connected) не установлен, X12 представляет реактивное сопротивление короткого замыкания, когда обмотка 3 не подключена в дельте. По умолчанию: [0.1, 0.2, 0.3 ].
Если флажок Соединить обмотки 1 и 2 в автотрансформаторе установлен, реактивы короткого замыкания помечаются как XHL, XHT и XLT. H, L и T указывают следующие выводы: H = высоковольтная обмотка (обмотка 1 или обмотка 2), L = низковольтная обмотка (обмотка 1 или обмотка 2) и T = третичная (обмотка 3).
Установите этот флажок, если доступные тесты на короткое замыкание нулевой последовательности выполняются с третьей обмоткой (обмотка 3), подключенной в дельте. Значение по умолчанию очищено.
Эта модель трансформатора не включает насыщение. При необходимости моделирования насыщения подключите первичную обмотку насыщаемого трехфазного трансформатора (две обмотки) параллельно первичной обмотке модели. Используйте одно и то же соединение (Yg, D1 или D11) и одинаковое сопротивление обмотки для двух обмоток, соединенных параллельно. Укажите Y или Yg-соединение для вторичной обмотки и оставьте его открытым. Укажите необходимое напряжение, номинальную мощность и характеристики насыщения. Характеристика насыщения получается, когда трансформатор возбуждается напряжением положительной последовательности.
При моделировании трансформатора с тремя однофазными сердечниками или сердечником из пяти конечностей эта модель создает приемлемые токи насыщения, поскольку поток остается захваченным внутри железного сердечника.
Для сердечника с тремя конечностями модель насыщения также дает приемлемые результаты, даже если поток нулевой последовательности циркулирует вне сердечника и возвращается через воздух и бак трансформатора, окружающий железный сердечник. По мере того, как поток нулевой последовательности циркулирует в воздухе, магнитопровод является в основном линейным и его сопротивление является высоким (высокие намагничивающие токи). Эти высокие токи нулевой последовательности (100% и более номинального тока), необходимые для намагничивания воздушного тракта, уже учтены в линейной модели. Подключение насыщаемого трансформатора вне линейной модели с тремя конечностями с характеристикой «поток-ток», полученной в положительной последовательности, создает токи, необходимые для намагничивания железного сердечника. Эта модель дает приемлемые результаты, имеет ли трансформатор с тремя конечностями дельту или нет.
Линейный трансформатор, мультиметр, трехфазный трансформатор (две обмотки), трехфазный трансформатор (три обмотки), тип матрицы индуктивности трехфазного трансформатора (две обмотки)