Семь моделей приводов постоянного тока библиотеки, обозначенные DC1 DC7, основаны на кистевом двигателе постоянного тока в библиотеке Electric Drives. Как и в любом электродвигателе, щеточный двигатель постоянного тока состоит из статорной (неподвижной) части и роторной (подвижной) части. Щеточный двигатель постоянного тока также имеет два типа обмоток - обмотку возбуждения или возбуждения и обмотку якоря. Как следует из названия, обмотка поля используется для создания магнитного поля возбуждения в двигателе, в то время как катушки якоря переносят индуцированный ток двигателя. Поскольку постоянная времени (L/R) якорной цепи значительно меньше, чем у обмотки возбуждения, управление скоростью путем изменения напряжения якоря происходит быстрее, чем изменение напряжения поля. Поэтому поле возбуждения подается от источника постоянного напряжения, в то время как обмотки якоря питаются от переменного источника постоянного тока. Последний источник вырабатывается фазоуправляемым тиристорным преобразователем для моделей DC1- DC4 и транзисторным прерывателем для моделей DC5, DC6 и DC7. Тиристорный преобразователь питается однофазным источником переменного тока для DC1 и DC2 и трехфазным источником переменного тока для DC3 и DC4. Наконец, модели постоянного тока могут работать в наборах квадрантов.
|
Модель |
Тип преобразователя |
Операция «Квадранты» |
|---|---|---|
|
DC1 |
Однофазный тиристорный преобразователь |
I-II |
|
DC2 |
Однофазный тиристорный преобразователь |
I-II-III-IV |
|
DC3 |
Трехфазный тиристорный преобразователь |
I-II |
|
DC4 |
Трехфазный тиристорный преобразователь |
I-II-III-IV |
|
DC5 |
Вертолет |
Я |
|
DC6 |
Вертолет |
I-II |
|
DC7 |
Вертолет |
I-II-III-IV |
Работа в квадрантах II и IV соответствует прямому и обратному торможению соответственно. Для моделей постоянного тока библиотеки Electric Drives это торможение является рекуперативным, что означает, что кинетическая энергия системы «двигатель-нагрузка» преобразуется в электрическую энергию и возвращается к источнику питания. Этот двунаправленный поток мощности получается инвертированием соединений двигателя, когда ток становится нулевым (DC1 и DC3), или использованием второго преобразователя (DC2 и DC4). Оба способа позволяют инвертировать ток двигателя для создания электрического крутящего момента, противоположного направлению движения. Модели привода постоянного тока с питанием от измельчителя (DC5, DC6, DC7) производят рекуперативное торможение аналогичным образом.
В этом примере создается и моделируется простой привод двигателя постоянного тока на основе тиристорного преобразователя:

В примере используется модель DC3 с параметром двигателя постоянного тока мощностью 200 л.с., установленным во время регулирования скорости. Блок DC3 моделирует двухквадрантный трехфазный тиристорный преобразователь. Двигатель подключается к нагрузке и приводится в движение до номинальной скорости 1750 об/мин.
Все модели библиотеки имеют три типа входов: электрические входы, вход уставки скорости или крутящего момента (SP) и механический вход крутящего момента (Tm). Поскольку DC3 модель является трехфазным приводом, она представляет три электрических входа: A, B и C. Для работы DC3 модели необходимо подключить эти входы к соответствующему источнику напряжения:
Добавьте в цепь блок трехфазного источника из библиотеки Simscape > Electrical > Specialized Power Systems > Fundamental Blocks > Electrical Sources. Подключите выходы источника напряжения A, B и C к входам DC3 A, B и C соответственно.
В этом примере приводится в действие двигатель постоянного тока мощностью 200 л.с. с номинальным напряжением якоря 500 В. Среднее выходное напряжение из трехфазного тиристорного выпрямительного моста задается
где среднеквадратичное значение среднеквадратичного напряжения трехфазного источника напряжения, а α - угловое значение зажигания тиристоров. Для лучшего управления напряжением обычно накладывается нижний предел угла зажигания, и максимальное среднее выходное напряжение, доступное от выпрямительного моста, таким образом, задается как
где αмин - нижний предел угла стрельбы. В нашем случае нижний предел угла стрельбы, используемый в модели DC3, составляет 20 градусов. При таком значении угла и для того, чтобы иметь максимальное среднее выходное напряжение 500 В для приведения двигателя мощностью 200 л.с. в движение до номинальной скорости, необходимое среднеквадратичное значение напряжения фазы к фазе, заданное предшествующим уравнением, равно 370 В. При условии, что привод подключен к американской электрической сети, ближайшее стандартное значение напряжения равно 460 В.
Установите среднеквадратичное напряжение фазы-фазы источника переменного тока на 460 В, а частоту на 60 Гц. Назовите источник переменного тока 460 V 60 Hz.
Следует отметить, что значения амплитуды источника напряжения и частоты, необходимые для каждой модели привода библиотеки электрических приводов, можно найти в ссылочных примечаниях. Также включены номинальные значения соответствующих двигателей. Таблица содержит значения, соответствующие модели DC3 200 л.с.
|
Входное напряжение привода |
Амплитуда |
460 В |
|
Частота |
60 Гц | |
|
Номинальные значения двигателя |
Власть |
200 л.с. |
|
Скорость |
1750 об/мин | |
|
Напряжение |
500 В |
Для представления реального трехфазного источника необходимо указать правильные значения сопротивления источника R и индуктивности L. Для их определения обычно используют значение мощности короткого замыкания Psc и заданное отношение X/R, где λ - угловая частота источника напряжения. Как правило, мощность короткого замыкания, поглощаемая импедансом источника, должна быть по меньшей мере в 20 раз больше номинальной мощности привода, а отношение X/R обычно близко к 10 для промышленных установок.
Величина импеданса Z источника получается
V2Psc
где V - среднеквадратичное значение напряжения от фазы к фазе источника напряжения. Для высокого отношения X/R r сопротивление источника R приблизительно равно
| Zr | (1) |
и индуктивность источника L к
| Zλ | (2) |
В этом примере среднеквадратичное напряжение фазы к фазе составляет 460 В, а частота источника составляет 60 Гц. Если предположить, что мощность короткого замыкания в 25 раз превышает номинальную мощность привода, мы обнаружим импеданс источника 0,056 Ом. Для отношения X/R, равного 10, используя уравнение 1 и уравнение 2 , мы находим значение сопротивления 0,0056 Ом и значение индуктивности 0,15 мГ.
Снимите флажок Задать импеданс с помощью уровня короткого замыкания (Specify impedance using short-circuit level) и установите значение сопротивления источника переменного тока 0,0056 Ом, а индуктивность 0,15 мЧ.
Вход Tm представляет момент нагрузки, приложенный к валу двигателя постоянного тока. Если значения крутящего момента нагрузки и частоты вращения имеют противоположные знаки, то крутящий момент ускорения будет представлять собой сумму крутящего момента электромагнитного момента и крутящего момента нагрузки. Многие моменты нагрузки пропорциональны скорости ведомой нагрузки, как представлено уравнением.
| (3) |
где startm - скорость в рад/с, а N - скорость в об/мин. Вы сейчас такую нагрузку построите.
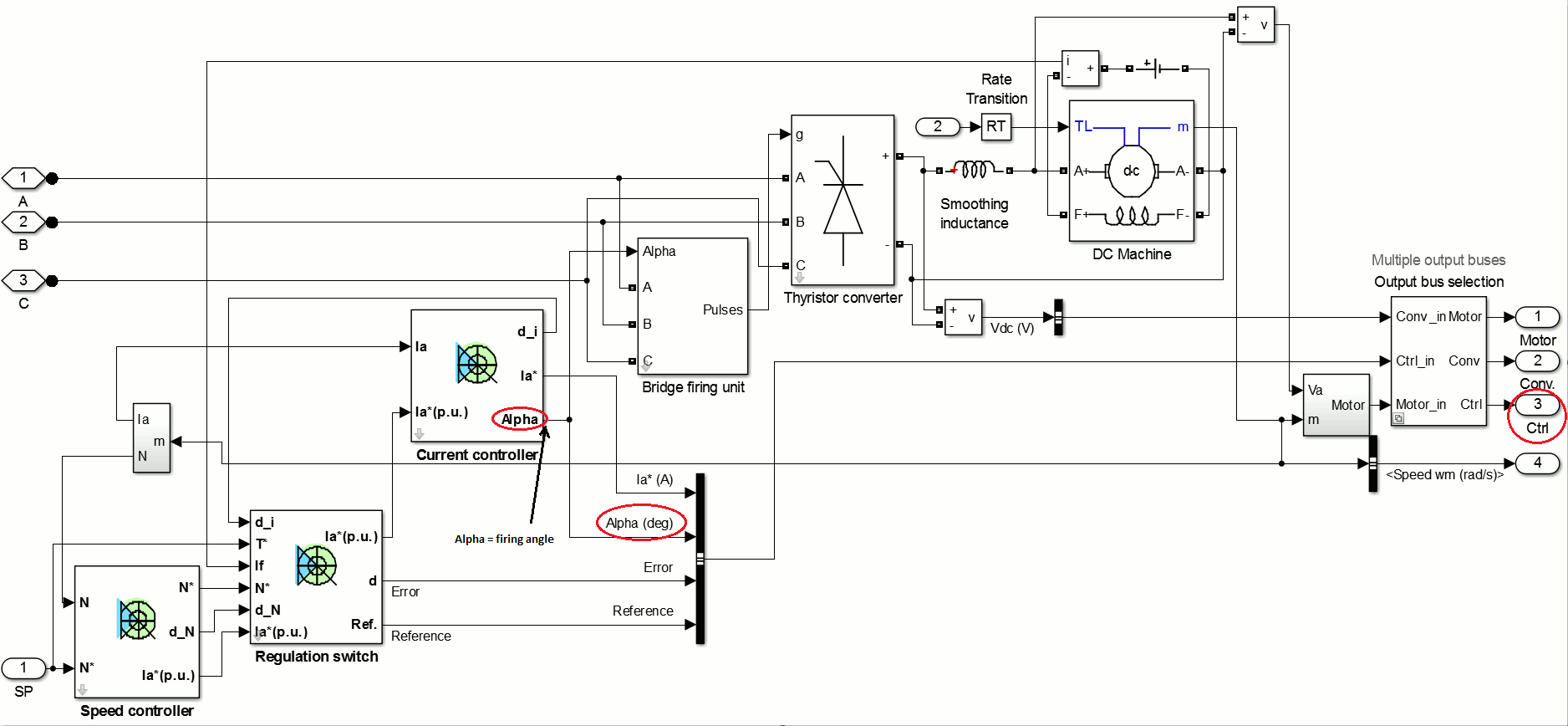
Для вычисления этого типа крутящего момента механической нагрузки необходима скорость двигателя постоянного тока. Это можно получить с помощью выходных данных модели DC3. Все модели приводов библиотеки Electric Drives имеют четыре выходных вектора: Motor, Conv., Ctrl и Wm. Вектор двигателя содержит все связанные с двигателем переменные, вектор Conv. содержит все значения напряжения преобразователя и тока, вектор Ctrl содержит все важные значения регулирования, такие как опорные сигналы скорости или крутящего момента, погрешность регулирования скорости или крутящего момента, значение угла зажигания и т. д., и Wm - скорость двигателя в рад/с. Все описания ввода-вывода доступны на справочной странице каждой модели.
Скорость двигателя (Wm) может быть умножена на постоянную K уравнения 3, чтобы получить сигнал крутящего момента нагрузки, который должен быть подключен к входу Tm DC3 модели:
Создайте следующую подсистему и присвойте ей имя Linear load torque.
![]()
Постоянную K можно вычислить, зная, что при номинальной скорости двигатель должен развивать номинальный крутящий момент. Как показано в таблице, которая содержит значения, соответствующие модели DC3 200 л.с., двигатель постоянного тока, используемый в этом моделировании, имеет номинальную скорость Nm, n, равную 1750 об/мин. Поскольку номинальная механическая выходная мощность Pm, n двигателя составляет 200 л.с., номинальный крутящий момент Tmec, n механической нагрузки может быть вычислен согласно уравнению 4 (где вязким трением пренебрегают).
| (4) |
где startm, n - номинальная скорость в рад/с. Используя это уравнение, мы находим номинальный механический крутящий момент 814 н.э. Наконец уравнение 3 дает нам значение K 4,44.
Установить постоянное значение блока линейного крутящего момента нагрузки равным 4.44.
Подключите вход и выход блока линейного крутящего момента нагрузки к входам Wm и Tm блока DC3 соответственно. Ваша модель теперь должна выглядеть следующим образом.

Входным значением уставки модели DC3 может быть либо значение скорости (в об/мин), либо значение крутящего момента (в Н.м) в зависимости от режима регулирования (скорость или регулирование крутящего момента). В этом примере мы установим блок DC3 в режим регулирования скорости и приведем двигатель постоянного тока мощностью 200 л.с. в номинальную скорость 1750 об/мин.
Добавление блока константы в DC_example.
Подключите блок константы к входу уставки модели DC3 и присвойте ему имя Speed reference.
Установите уставку 1750 об/мин.
Теперь необходимо использовать выходные данные модели DC3 для визуализации интересных сигналов в области. Предположим, что необходимо визуализировать следующие сигналы:
Угол срабатывания тиристорного моста
Напряжение якоря двигателя
Ток якоря двигателя и эталон
Опорная скорость и частота вращения двигателя
Обратите внимание, что все описания ввода-вывода модели можно найти в соответствующих ссылочных примечаниях. Посмотрите под маской блока DC3, чтобы увидеть, какие сигналы подключены к DC3 выходам. На вкладке «Блок» нажмите кнопку «Искать под маской».
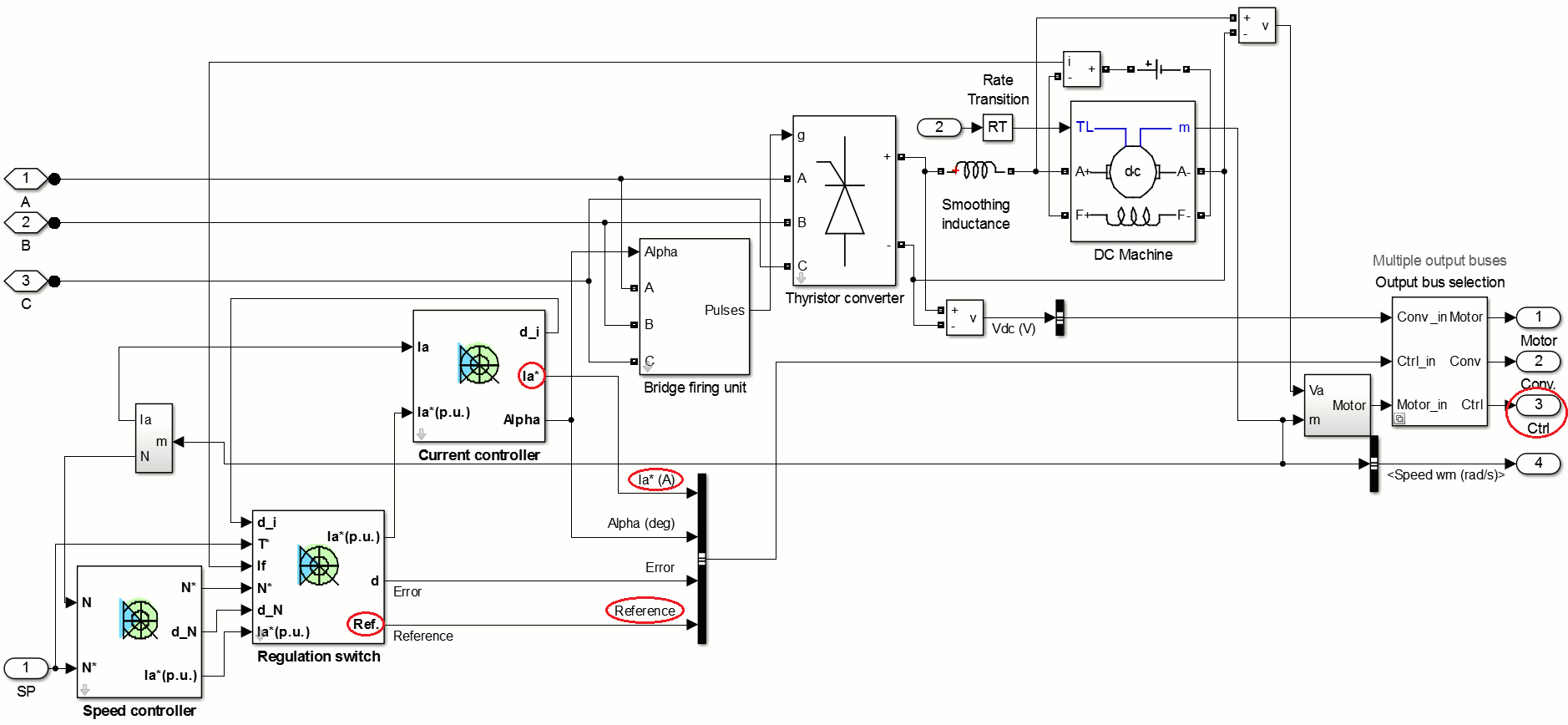
Как показано ниже, угол выстрела находится внутри выходного вектора Ctrl. Угол стрельбы Альфа (см. примечания вхождения блока DC3) является вторым элементом этого вектора.

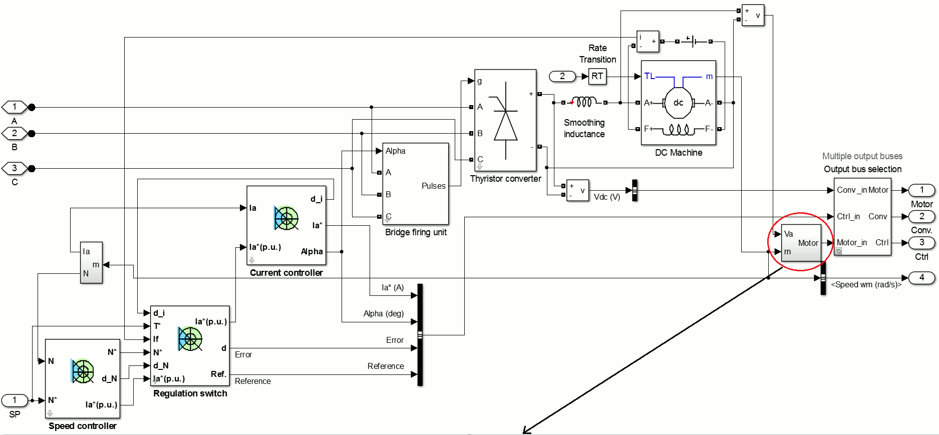
Вектор Motor (показан на следующем рисунке) содержит три необходимых сигнала. Сигналы напряжения якоря и тока являются соответственно первым и третьим элементами. Скорость является вторым элементом вектора Motor.


Наконец, опорные сигналы тока и скорости являются первым и четвертым элементами вектора Ctrl соответственно (см. следующий рисунок). Обратите внимание, что сигнал Ref. в блоке переключения правил будет эталонным моментом в режиме регулирования крутящего момента.

Сигналы тока и напряжения внутреннего моста могут выделяться через выход Conv., который подключен к выходу мультиметра. Чтобы просмотреть эти сигналы, добавьте в схему блок мультиметра из библиотеки Simscape > Electrical > Specialized Power Systems > Fundamental Blocks > Measurements. Щелкнув блок Мультиметр (Multimeter), можно выбрать сигналы преобразователя, которые требуется вывести. Дополнительные сведения об использовании блока мультиметра см. на справочной странице блока мультиметра.
С помощью блока селектора теперь можно извлечь необходимые сигналы из трех выходных векторов для их визуализации:
Создайте следующую подсистему для извлечения всех необходимых сигналов визуализации. Назовите его Signal Selector.

Подключите выходы двигателя, конвейера и Ctrl блока DC3 к входам двигателя, конвейера и Ctrl блока селектора сигналов.
Скопируйте два блока области в модель. Они будут использоваться для отображения выходных сигналов блока селектора сигнала и блока мультиметра. Для первой области откройте диалоговое окно «Параметры области». На вкладке «Общие» задайте количество осей равным 4, диапазон времени моделирования до autoи использовать прореживание 20. Снимите флажок Limit Data Points to Last на вкладке Data history. Подключите четыре выхода блока селектора сигналов к входам области. Подключите выход блока мультиметра к входу второго объема.
Все модели накопителей библиотеки являются дискретными моделями. Для моделирования системы необходимо указать правильный шаг времени моделирования и задать опцию решателя с фиксированным шагом. Рекомендуемые значения времени для приводов постоянного тока, приводов переменного тока и механических моделей можно найти в разделах Примечания на соответствующих страницах ссылок на блоки. Рекомендуемое время выборки для модели DC3 составляет 5 мкс. Выполните следующие действия.
Добавьте блок Powergui из библиотеки Simscape > Electrical > Специализированные системы питания > Основные блоки в DC_example. Откройте Powergui, щелкните Настроить параметры и в диалоговом окне Параметры блока Powergui установите Тип моделирования в Discrete. Установите время выборки 5 мкс.
На вкладке Моделирование (Simulation) щелкните Параметры модели (Model Settings). Выберите Решатель. В разделе Выбор решателя выберите fixed-step и discrete (no continuous states). Установить время остановки на 12 секунд.
Перед моделированием цепи необходимо сначала установить правильные внутренние параметры DC3.
Многие модели библиотеки Electric Drives имеют два набора параметров: маломощный и высокоэнергетический. По умолчанию все модели первоначально загружаются с маломощным набором. Параметры модели DC3, загруженные в данный момент в DC_example это диски мощностью 5 л.с.
Теперь вы установите параметры привода высокой мощности, которые являются параметрами привода мощностью 200 л.с. Для этого используется графический интерфейс пользователя:
Откройте пользовательский интерфейс, дважды щелкнув блок DC3.
Интерфейс разделен на три основные части системы привода: параметры двигателя (вкладка DC Machine), параметры преобразователя (вкладка Converter) и параметры регулирования контроллера привода (вкладка Controller).
Для загрузки параметров 200 л.с. нажмите кнопку Load.
При нажатии кнопки Загрузить (Load) появляется окно, содержащее файлы параметров низкого и высокого энергопотребления каждой модели переменного и постоянного тока. Эти файлы содержат все параметры, используемые графическим интерфейсом пользователя. Имя каждого файла начинается с имени модели, за которым следует значение мощности. Таким образом названа версия DC3 мощностью 200 л.с. dc3_200hp_params.
Выберите dc3_200hp_params.mat и нажмите кнопку «Загрузить».
Параметры 200 л.с. теперь загружены. Обратите внимание, что можно также сохранить пользовательские параметры диска с помощью кнопки «Сохранить». При этом пользовательские параметры сохраняются в формате MAT-файла и могут быть перезагружены в любое время.
Все инерции по умолчанию электроприводов являются инерциями «холостого хода», которые представляют только инерции ротора. Когда двигатель соединен с нагрузкой, параметр инерции вкладки DC Machine представляет собой суммарные инерции ротора и ведомой нагрузки. В этом примере инерция двигателя DC3 200 л.с. без нагрузки составляет 2,5 кг * м ^ 2. Поскольку привод непосредственно связан с нагрузкой, необходимо увеличить это значение по инерции нагрузки. Предположим, что новая комбинированная инерция составляет 15 кг * м ^ 2.
В разделе «DC Machine» диалогового окна измените значение инерции на 15 кг * м ^ 2.
Нажмите кнопку ОК, чтобы применить изменения и закрыть диалоговое окно.
Регуляторы скорости и тока блока DC3 выполнены в виде пропорционально-интегрального регулятора. Подробные сведения о регуляторах каждой модели привода можно найти на соответствующих страницах ссылок на блоки. Пользовательский интерфейс каждой модели содержит схему внутренней структуры контроллера привода.
Откройте интерфейс пользователя. Перейдите на вкладку «Контроллер» и нажмите кнопку «Схема».

Все параметры регулирования по умолчанию (скорость и текущие параметры контроллера) были обрезаны для инерций «без нагрузки». Поскольку инерция была изменена, необходимо внести некоторые изменения в контроллер скорости. Регулятор тока не должен изменяться, изменение инерции оказывает незначительное влияние на управление током.
Чтобы визуализировать изменения, которые необходимо внести, выполните моделирование данной схемы.
Запустите моделирование. Результаты моделирования, визуализированные в области, показаны ниже.

Ток якоря следует за его эталоном, но насыщается при 450 А во время фазы ускорения. Это насыщение является результатом текущего контрольного предела контроллера 1,5 pu, что, в свою очередь, вызывает недостаточный крутящий момент ускорения. Двигатель не может следовать норме скорости 650 об/мин/сек по умолчанию. Поскольку крутящий момент ускорения не может быть увеличен, чтобы избежать выгорания якорной цепи, наклонная скорость должна быть снижена на ту же величину, на которую была увеличена инерция. Если уменьшить наклонной скорости на величину, равную увеличению инерции, можно получить тот же крутящий момент и кривую скорости (или ток и скорость), что и значение по умолчанию, полученное при инерции 2,5 кг * м ^ 2, используя новую инерцию I.
=I⋅ω˙+Tmec+B⋅ω=I⋅ω˙+K′⋅ω+B⋅ω
Термин представляет собой вязкое трение в приводе, где В - коэффициент вязкого трения.
При этом снижаем скорость клина чуть меньше увеличения инерции, чтобы иметь достаточно высокий разгон, и устанавливаем его на 200 об/мин./с.
Откройте интерфейс пользователя. В разделе Controller установите параметр ramp скорости ускорения в меню контроллера скорости в значение 200 rpm/s.
Запустите моделирование и просмотрите новые результаты в области.

Нынешнее регулирование очень хорошее, и никаких текущих изменений в регуляторе не будет предпринято. Регулирование скорости является удовлетворительным, но некоторые улучшения могут быть сделаны: начальное отслеживание эталона скорости может быть более быстрым, и превышение скорости и небольшая ошибка скачка скорости, встречающаяся во время фазы ускорения, могут быть уменьшены. Модификация пропорциональных и интегральных коэффициентов усиления ПИ регулятора скорости позволяет достичь этих целей:
Увеличивая пропорциональное усиление контроллера скорости, вы увеличиваете чувствительность контроллера, потому что он реагирует гораздо быстрее на небольшие ошибки регулирования скорости. В результате начальное отслеживание эталона скорости улучшается, поскольку текущий эталон, выдаваемый контроллером скорости, реагирует быстрее.
Увеличение интегрального коэффициента усиления позволяет двигателю значительно быстрее догнать эталонный наклон скорости во время периодов нарастания, что приводит к более быстрой реакции на небольшие интегральные условия ошибки скорости, которые возникают, когда сигнал регулируется вслед за наклоном. Контроллер будет реагировать для того, чтобы уменьшить ошибку скорости, составляющую одно целое намного быстрее, путем создания немного более высокого крутящего момента ускорения при следовании наклонной траектории ускорения.
Слишком высокое увеличение пропорционального и интегрального усиления может вызвать нестабильность, контроллер становится сверхчувствительным. Слишком высокие коэффициенты усиления также могут вызвать насыщение тока. Простым способом регулировки коэффициентов усиления контроллера скорости является их пошаговое увеличение и моделирование новой конфигурации после каждого изменения до тех пор, пока не будут получены требуемые характеристики системы (метод проб/ошибок).
Когда регулятор тока должен быть обрезан, хорошим способом достижения этого является поддержание ротора неподвижным путем установки очень высокого значения комбинированной инерции. Это позволяет разделить электрические и механические параметры. Затем вы настраиваете текущие параметры контроллера до тех пор, пока ток не будет полностью следовать заданным текущим ссылкам. К текущему регулятору применяется тот же процесс, что и для регулирования скорости. После того как регулятор тока подстрижен, можно подстроить регулятор скорости, сбросив объединенную инерцию до ее начального значения.
Попробуйте использовать различные значения регулятора скорости и наблюдать за изменениями в динамике системы. Пропорциональный коэффициент усиления 80 и интегральный коэффициент усиления 200 дают очень хорошие результаты, как показано.

Значение угла зажигания уменьшается с увеличением скорости, чтобы генерировать растущее выходное напряжение преобразователя. Преобразователь работает в выпрямительном режиме, мощность переходит от источника переменного тока к двигателю постоянного тока. Увеличение напряжения позволяет преобразователю продолжать подавать ток на электродвигатель постоянного тока во время фазы ускорения, при этом напряжение якоря увеличивается пропорционально скорости. Увеличение тока, наблюдаемое во время этой фазы, обусловлено увеличением крутящего момента, противоположного нагрузке. Около t = 8,5 с скорость достигает своей уставки, и ток якоря снижается примерно до 335 А, так как больше не требуется крутящий момент ускорения.
Прежде чем завершить этот пример, обратите внимание на два фильтра первого порядка, используемых в диаграммах скорости и текущего контроллера на схематическом рисунке контроллера. Эти фильтры удаляют нежелательные гармоники тока и скорости в сигналах измерения тока и скорости. Эти гармоники вызваны выпрямленными выходными напряжениями трехфазных полных преобразователей. Основная частота пульсаций, вводимая трёхфазным полным преобразователем, равна шестикратной частоте источника напряжения (6-я гармоника). В случае этого примера первая гармоническая частота, таким образом, равна 360 Гц. Частота отсечки фильтров первого порядка должна быть, по меньшей мере, ниже 360 Гц. Поскольку фильтры являются фильтрами первого порядка, частота отсечки должна быть намного ниже, чтобы иметь достаточно хорошее отклонение гармоник. Помните, что слишком низкая частота отсечки может привести к нестабильности системы. В случае дисководов прерывателей типа DC5, DC6 и DC7 основная частота равна частоте ШИМ.
Большинство моделей дисков можно моделировать в режиме среднего значения. В таком режиме блоки универсального моста, используемые для моделирования силовых преобразователей, приводящих в действие двигатели, заменяются преобразователями среднего значения. Используемые модели преобразователя среднего значения описаны на ссылочных страницах каждой модели дисковода. Это позволяет увеличить шаг времени моделирования и, таким образом, увеличить скорость моделирования.
Используйте следующую процедуру для моделирования модели в режиме среднего значения.
Откройте интерфейс пользователя. Выберите Average в выпадающем списке Уровень детализации модели (Model detail level).
Выберите раздел Конвертер.
Обратите внимание, что он содержит некоторые дополнительные параметры, специфичные для режима среднего значения. Эти параметры влияют на внешний источник напряжения и используются выпрямителем среднего значения.
При моделировании в режиме среднего значения временной шаг может быть увеличен для более быстрого моделирования. Рекомендуется увеличить временной шаг до наименьшего времени выборки контроллера, используемого в модели. В этом случае время выборки одинаково для контроллеров скорости и тока и равно 100 мкс.
Закройте пользовательский интерфейс и откройте блок powergui. Задать тип моделирования как Discrete. Установите время выборки 100 мкс. Запустите моделирование.
Обратите внимание, что время моделирования сокращается. Наблюдайте за результатами моделирования: выходное напряжение выпрямителя и пульсации тока не представлены, видно только среднее значение этих сигналов. Если позже попытаться визуализировать входной ток, вы увидите только основной компонент 60 Гц детализированного тока.