Регулятор нагрузки для модели турбины-регулятора
Simscape/Электрооборудование/Управление/Турбинные регуляторы

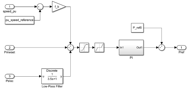
Диспетчер блок LCFB1 моделирует турбину модели LCFB1, загружает контроллер. Этот регулятор нагрузки можно использовать с любой моделью регулятора турбины, например с блоками регулятора типа 1 или регулятора типа 3.
Можно переключаться между непрерывной и дискретной реализациями блока с помощью параметра Sample time (-1 для унаследованного). Чтобы настроить контроллер на непрерывное время, установите для свойства Sample time (-1 для унаследованного) значение 0. Чтобы настроить контроллер на дискретное время, установите для свойства Sample time (-1 для унаследованного) положительное, ненулевое значение или значение -1 для наследования времени выборки из восходящего блока.
Эта диаграмма иллюстрирует общую структуру блока:

[1] Целевая группа по моделированию турбин-регуляторов, динамические модели для турбин-регуляторов в исследованиях энергосистем, IEEE Power Energy Society, январь 2013.