Модель линеаризованной паропроводной турбины IEEE типа 1
Simscape/Электрооборудование/Управление/Турбинные регуляторы

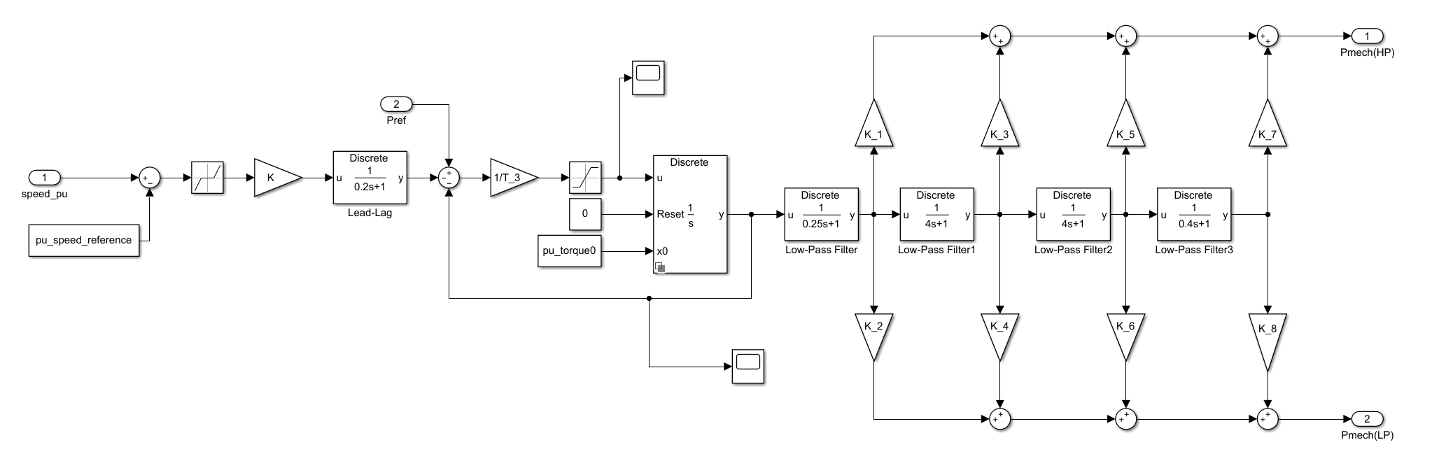
Блок типа 1 регулятора моделирует модель IEEEG1 модель паровой турбины-регулятора IEEEG1.
Этот блок позволяет моделировать кросс-составные агрегаты и имеет два набора турбинных фракций:
Часть альбома, K_2, Часть альбома, K_4, Часть альбома, K_6, Часть альбома, K_8 для низкого давления (LP).
HP Fraction, K_1, HP Fraction, K_3, HP Fraction, K_5, HP Fraction, K_7 для с высоким давлением (HP).
Можно переключаться между непрерывной и дискретной реализациями блока с помощью параметра Sample time (-1 для унаследованного). Чтобы настроить регулятор на непрерывное время, установите для свойства Sample time (-1 для наследуемого) значение 0. Чтобы настроить регулятор для дискретного времени, установите для свойства Sample time (-1 для унаследованного) положительное, ненулевое значение или значение -1 для наследования времени выборки из восходящего блока.
Эта диаграмма иллюстрирует общую структуру блока:

[1] Динамические модели для паровых и гидротурбин в исследованиях энергосистем, транзакции IEEE по энергетическим аппаратам и системам. т. PAS-92, № 6, 1973, с. 1904-1915.
[2] Целевая группа по моделированию турбин-регуляторов, динамические модели для турбин-регуляторов в исследованиях энергосистем, IEEE Power Energy Society, январь 2013.
[3] Руководство IEEE по применению систем регулирования турбины для гидроагрегатов, стандарт IEEE 1207-2011.