SPICE-совместимый N-канальный изолированный затвор биполярный транзистор
Simscape/Electrical/Дополнительные компоненты/SPICE Полупроводники

Блок SPICE NIGBT моделирует биполярный транзистор с изолированным затвором (IGBT) типа SPICE n.
SPICE, или программа моделирования с акцентом на интегральные схемы, является инструментом моделирования для электронных схем. Вы можете преобразовать некоторые подсхемы СПЕЦИИ в эквивалентные модели Simscape™ Electrical™, используя блок Параметров Окружающей среды и СОВМЕСТИМЫЕ СО СПЕЦИЕЙ блоки от Дополнительной библиотеки Компонентов. Дополнительные сведения см. в разделе subcircuit2ssc.
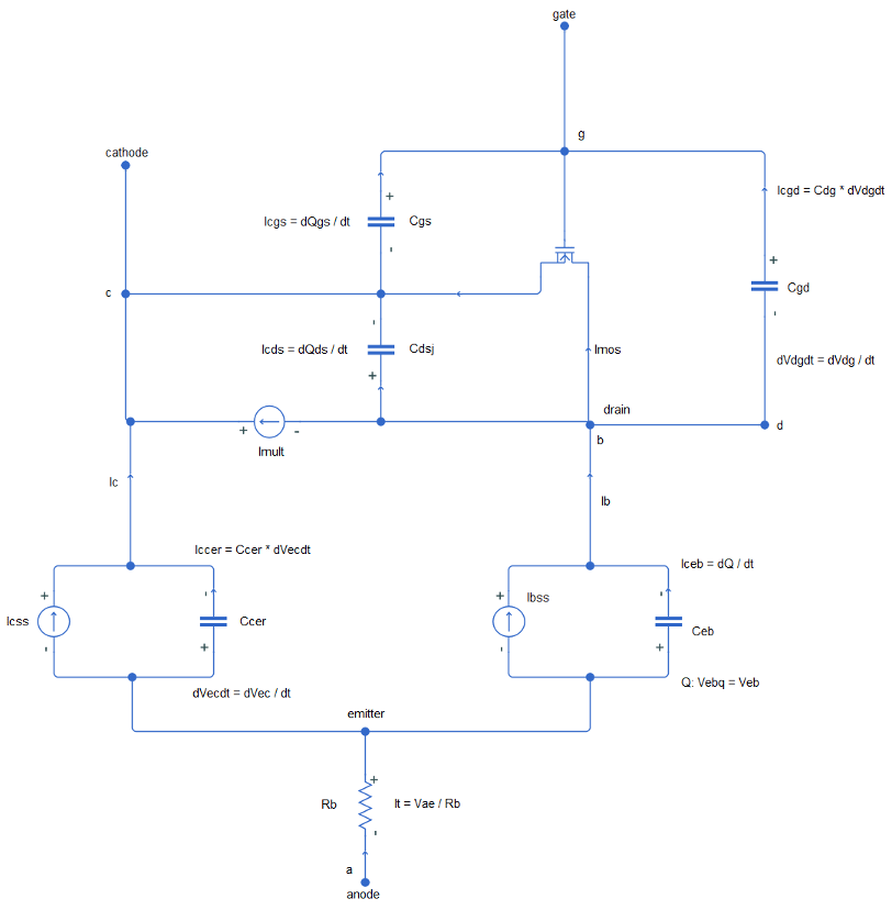
На этом рисунке показана эквивалентная схема для блока SPICE NIGBT:

Переменные для уравнений блоков SPICE NIGBT включают в себя:
Переменные, определяемые путем задания параметров для блока SPICE NIGBT.
Температура, Т, то есть 300.15
K по умолчанию. Можно использовать другое значение, указывая параметры блока SPICE NIGBT или параметры блока SPICE NIGBT и блока параметров среды. Дополнительные сведения см. в разделе Температура транзистора.
В этой таблице приведены уравнения, определяющие взаимосвязь между током канала МОП-транзистора Imos и напряжением источника затвора Vgs.
| Применимый диапазон значений Vgs | Соответствующее уравнение Имоса |
|---|---|
VT | SCALE |
(Vgs − VT) + GMIN * Vds) | |
VT) KF | VT)] + GMIN * Vds) |
В этих уравнениях:
Vds - напряжение стока-истока.
VT - пороговое напряжение.
KF - коэффициент триодной области.
КП - мостовая транспроводимость.
THETA - коэффициент поперечного поля.
В этой таблице показаны уравнения, которые определяют взаимосвязь между установившимся коллекторным током Icss и базовой емкостью эмиттера Qeb.
| Применимый диапазон значений Qeb | Соответствующее уравнение Icss |
|---|---|
0 | 0 |
Qeb] * МАСШТАБ |
В этих уравнениях:
MUNMUP - коэффициент амбиполярной мобильности.
MUP - коэффициент диффузии для отверстий.
Wbcj - ширина квази-нейтрального основания, где:
WB - ширина металлургического основания.
Vbiq * NB - ширина истощения базового коллектора.
Vbc - напряжение базы-коллектора.
Vbi - встроенное напряжение, и оно равно 0.6
V
В этой таблице показаны уравнения, которые определяют зависимость между установившимся базовым током Ibss и емкостью Qeb эмиттера.
| Применимый диапазон значений Qeb | Соответствующее уравнение Ibss |
|---|---|
0 | 0 |
AREA * SCALE |
В этих уравнениях:
TAU - время существования амбиполярной рекомбинации.
JSNE - плотность тока насыщения эмиттера.
ni - внутренняя концентрация носителя. В 300
K оно равно 1.45*1010
1/cm3.
AREA - базовая плата мобильной несущей системы O&M, где:
NB - базовый допинг.
AREA - область устройства.
Эта таблица показывает уравнения, которые определяют зависимость между напряжением эмиттера-базы, Veb, и емкостью эмиттера-базы, Qeb.
| Применимый диапазон значений Qeb | Соответствующее уравнение Вэба |
|---|---|
0 | Vebj |
Vebd) | |
Qbi | Vebd |
В этих уравнениях:
22qNBεsiA2is напряжение истощения эмиттера-базы.
Vbi - встроенное напряжение.
* Vbi - встроенное напряжение соединения эмиттер-база.
DCμnclnP0 + NBNB- напряжение диффузии эмиттер-база.
Ток анода получают из этого уравнения:
SCALE,
где:
Vae - приложенное анодно-эмиттерное напряжение.
Rb - базовое сопротивление, модулированное проводимостью.
В этой таблице показаны уравнения, которые определяют зависимость между основным сопротивлением, модулированным проводимостью, Rb, и емкостью эмиттер-база, Qeb.
| Применимый диапазон значений Qeb | Соответствующее уравнение Rb |
|---|---|
0 | AREA * NB |
AREA * neff |
В этих уравнениях:
мкеff - эффективная подвижность носителя.
neff - эффективная концентрация допинга в основе.
MUN - это подвижность электронов.
мкефф и нефф получают с использованием следующих уравнений:
δ¯p=P0sinh (W2L) sinh (WL)
где:
micnc - подвижность рассеяния электронных носителей.
mc - подвижность рассеяния носителя дырок.
Dc - диффузия рассеяния носителя-носителя.
L - длина амбиполярной диффузии.
P0 - концентрация носителя на конце основания эмиттера.
- средняя концентрация носителя в основании.
Ток лавинного умножения получается из этого уравнения:
) + М * Иген,
где:
SCALETAUqniAREA2αsiVbcqNB- ток, генерируемый тепловым способом на основе коллектора.
Icss - ток стационарного коллектора.
Imos - ток МОП-канала.
Iccer - ток перераспределения коллектор-эмиттер.
Это уравнение определяет зависимость между напряжением база-коллектор, Vbc, и коэффициентом лавинного умножения, M:
BVN,
где:
NB − 0 75- напряжение пробоя коллектора-эмиттера с разомкнутой базой.
BVF - коэффициент лавинной однородности.
BVN - показатель степени лавинного умножения.
Емкость источника затвора получается из этого уравнения:
SCALE.
Емкость истока стока получается из этого уравнения:
Wdsj * SCALE,
где Wdsj = Wbcj - ширина истощения стока-источника.
В этой таблице показаны уравнения, определяющие соотношение между емкостью затвора-стока, Qdg, и напряжением затвора-стока, Vdg
| Применимый диапазон значений Vdg | Соответствующее уравнение Qdg |
|---|---|
МАСШТАБ | |
> 0 | Cgdo * VTD] * SCALE |
В этих уравнениях:
AGD - оксидная емкость затворного стока.
Vdg - напряжение затвора стока.
αsi - диэлектрическая проницаемость кремния.
VTD) qNB - ширина истощения затворов.
VTD - порог истощения перекрытия затворов-стоков, VTD.
COXD - емкость оксида затвора-стока на единицу площади, COXD.
AGD - зона перекрытия затворов и стоков, AGD.
NB - базовый допинг, NB.
Это уравнение показывает взаимосвязь между током перераспределения коллектор-эмиттер, Iccer, и емкостью перераспределения коллектор-эмиттер, Ccer:
SCALE,
где Vec - напряжение эмиттера-коллектора.
В этой таблице показаны уравнения, которые определяют соотношение между емкостью перераспределения коллектор-эмиттер, Ccer, и емкостью Qeb эмиттер-база.
| Применимый диапазон значений Qeb | Соответствующее уравнение Ccer |
|---|---|
0 | * AREA |
CminAREA |
В этих уравнениях:
Cbcj - емкость истощения основного коллектора.
AREA - базовая плата мобильной несущей в фоновом режиме.
Неявный ток конденсатора эмиттер-база получается из этого уравнения:
SCALE.
Можно использовать следующие опции для определения температуры транзистора, T:
Фиксированная температура (Fixed temperature) - в блоке используется температура, не зависящая от температуры контура, если для параметра Model temperature dependence using в настройках температуры блока SPICE NIGBT установлено значение Fixed temperature. Для этой модели блок устанавливает T равным TFIXED.
Температура устройства - в блоке используется температура, которая зависит от температуры цепи, если для параметра «Температурная зависимость модели» в настройках температуры блока SPICE NIGBT установлено значение Device temperature. Для этой модели блок определяет температуру как
TOFFSET
где:
TC - температура контура.
Если в цепи отсутствует блок параметров среды, то ТС равен 300,15 К.
При наличии в цепи блока «Параметры среды» значение TC равно значению, заданному для параметра «Температура» в настройках SPICE блока «Параметры среды». Значением по умолчанию для параметра «Температура» является 300.15
K.
TOFFSET - температура смещенного локального контура.
Расположение портов см. на рисунке.
![]()
[1] Хефнер, А.Р. и Дибольт, Д.М. Экспериментально проверенная модель IGBT, реализованная в симуляторе цепи Saber. Сделки IEEE по Power Electronics 9, № 5 (сентябрь 1994 года): 532-42. https://doi.org/10.1109/63.321038.
[2] Хефнер, А.Р., младший Технология измерения полупроводников: INSTANT - IGBT Network Simulation and Transient ANalysis Tool. Министерство торговли США/Управление технологий, Национальный институт стандартов и технологий. 1992.