Тепловое моделирование предоставляет данные, которые помогают оценить требования к охлаждению системы с помощью тепловых портов. Некоторые блоки в библиотеке Simscape™ Electrical™ Semiconductors & Converters имеют тепловые варианты, которые позволяют определять температуры устройств, моделируя генерацию тепла. Например, блок IGBT (Ideal, Switching), который моделирует трёхполюсное полупроводниковое устройство, имеет тепловые варианты, которые могут моделировать тепло, генерируемое событиями переключения и потерями проводимости.
Дополнительные сведения о выборе значений параметров см. в разделе Повышение числовой производительности. Описание взаимосвязи между вкладками Тепловой порт (Thermal Port) и Температурная зависимость (Temperature Dependence) в диалоговом окне блока см. в разделе Поведение электричества в зависимости от температуры.
Некоторые блоки Simscape Electrical, такие как блоки в библиотеке Semiconductors & Converters, содержат дополнительный тепловой порт, скрытый по умолчанию. Если требуется смоделировать генерируемое тепло и температуру устройства, откройте тепловой порт следующим образом:
Щелкните правой кнопкой мыши блок, в котором требуется отобразить тепловой порт.
Выберите меню «Simscape» > «Block choices» > «Show thermal port».

При открытии теплового порта окно «Параметры блока» для этого блока содержит дополнительную вкладку «Тепловой порт». Видимые параметры зависят от значения, заданного для параметра «Тепловая сеть»:
Все блоки с дополнительными тепловыми портами включают в себя дополнительную внутреннюю тепловую модель, чтобы сохранить схему незаполненной.
На этом рисунке показана эквивалентная модель внутренней тепловой модели Кауэра для полупроводниковых приборов.

Порт H соответствует тепловому порту H блока. Два блока тепловой массы представляют тепловую массу корпуса устройства и тепловую массу полупроводникового перехода соответственно. Блок «Источник расхода тепла» (на диаграмме называется power_dissipated) вводит тепло в модель со значением, равным генерируемому электрически теплу от устройства.
Два токопроводящих блока теплопередачи моделируют тепловые сопротивления. Сопротивление R_JC (проводимость 1/R_JC) представляет собой тепловое сопротивление между переходом и корпусом. Из-за этого сопротивления соединение будет более горячим, чем в случае при нормальных условиях. Сопротивление R_CA представляет собой тепловое сопротивление между портом Н и корпусом устройства. Если устройство не имеет теплоотвода, то следует подключить порт H к блоку источника температуры, температура которого устанавливается в условиях окружающей среды. Если устройство имеет внешний теплоотвод, то необходимо смоделировать теплоотвод снаружи устройства и подключить теплоотвод непосредственно к порту H.
При моделировании внутренней тепловой сети блока с помощью модели Кауэра будут видны следующие параметры:
Температурные сопротивления корпуса соединения и корпуса (или теплоотвода), [R_JC R_CA] - вектор строки [R_JC
R_CA] двух значений теплового сопротивления, представленный двумя проводящими блоками теплопередачи. Первым значением, R_JC, является тепловое сопротивление между соединением и корпусом. Вторым значением, R_CA, является тепловое сопротивление между портом H и корпусом устройства. Значение по умолчанию: [ 0 10 ] K/W.
Параметризация тепловых масс (Thermal mass parameterization) - выберите, следует ли параметризовать тепловые массы в терминах термических постоянных времени (By thermal time constants) или укажите значения тепловой массы непосредственно (By thermal mass). Дополнительные сведения см. в разделе Параметризация тепловых масс. Значение по умолчанию: By thermal time constants.
Константы теплового времени соединения и случая, [t_J t_C] - вектор строки [t_J
t_C] двух значений тепловой постоянной времени. Первое значение, t_J, является постоянной времени перехода. Второе значение, t_C, является постоянной времени случая. Чтобы включить этот параметр, задайте для параметра «Тепловая масса» значение By thermal time constants. Значение по умолчанию: [ 0 10 ] s.
Тепловая масса соединения и корпуса, [M_J M_C] - вектор строки [M_J
M_C] двух значений тепловой массы. Первое значение, M_J, - тепловая масса соединения. Вторым значением, M_C, является тепловая масса корпуса. Чтобы включить этот параметр, задайте для параметра «Тепловая масса» значение By thermal mass. Значение по умолчанию: [ 0 1 ] J/K.
Начальные температуры соединения и случая, [T_J T_C] - вектор строки [T_J T_C] с двумя значениями температуры. Первое значение, T_J, является начальной температурой соединения. Второе значение, T_C, - начальная температура случая. Значение по умолчанию: [ 25 25 ] °C.
Применяются следующие правила:
Тепловая масса корпуса должна быть больше нуля.
Тепловая масса соединения может быть равна нулю, только если сопротивление корпуса соединения также равно нулю.
Если определены тепловые массы корпуса и соединения, но сопротивление корпуса соединения равно нулю, то исходные температуры, назначенные соединению и корпусу, должны быть идентичными.
На этом рисунке показана эквивалентная модель внутренней тепловой модели Фостера для полупроводниковых приборов.

Порт H соответствует тепловому порту H блока. Блок «Источник расхода тепла» (на диаграмме называется power_dissipated) вводит тепло в модель со значением, равным генерируемому электрически теплу от устройства. Поскольку этот параметр использует блоки Foster Thermal Model для моделирования тепловой сети, необходимо подключить источник тепла к порту H напрямую или через некоторые дополнительные тепловые компоненты, чтобы поток питания имел четко определенный путь. Это не требуется в тепловой модели Кауэра, поскольку тепловые массы уже обеспечивают путь к тепловой привязке.
При моделировании внутренней тепловой сети блока с помощью модели Фостера будут видны следующие параметры:
Тепловые сопротивления, [R1 R2... Rn] - строка из n значений теплового сопротивления, представленных элементами Фостера, используемыми в тепловой сети. Все эти значения должны быть больше нуля. Значение по умолчанию: [ 4 6 ] K/W.
Параметризация тепловых масс (Thermal mass parameterization) - выберите, следует ли параметризовать тепловые массы в терминах термических постоянных времени (By thermal time constants) или укажите значения тепловой массы непосредственно (By thermal mass). Дополнительные сведения см. в разделе Параметризация тепловых масс. Значение по умолчанию: By thermal time constants.
Температурные постоянные времени, [t1 t2... tn] - вектор строки из n значений температурных временных констант, где n - количество элементов Фостера, используемых в тепловой сети. Длина этого вектора должна соответствовать длине термических сопротивлений, [R1 R2... Rn]. Все эти значения должны быть больше нуля. При такой параметризации тепловые массы вычисляются какMi = ti/Ri, где Mi, ti и Ri - тепловая масса, тепловое время и тепловое сопротивление для i-го элемента Фостера. Чтобы включить этот параметр, задайте для параметра «Тепловая массовая параметризация» значение By thermal time constants. Значение по умолчанию: [ 6 18 ] s.
Тепловые массы, [M1 M2... Mn] - вектор строки из n значений тепловой массы, где n - количество элементов Фостера, используемых в тепловой сети. Все эти значения должны быть больше нуля. Чтобы включить этот параметр, задайте для параметра «Тепловая массовая параметризация» значение By thermal mass. Значение по умолчанию: [ 1.5 3 ] J/K.
Для внутренней тепловой модели Фостера тепловые сопротивления, температурные постоянные времени и тепловые массы должны быть больше нуля.
Если требуется смоделировать тепловую сеть полупроводникового блока внешне по отношению к самому блоку, задайте для параметра Тепловая сеть значение External. На этом рисунке показана эквивалентная модель внутренней тепловой модели для полупроводниковых приборов.

Порт H соответствует тепловому порту H блока. Блок источника расхода тепла (называемый power_dissipated на диаграмме) представляет общую рассеиваемую мощность в блоке. Рассеиваемая мощность выводится в виде теплового потока в узел H. Аналогично тепловой модели Фостера, необходимо подключить источник тепла или дополнительные тепловые компоненты к узлу H, чтобы тепло имело место течь.
При выборе внешнего моделирования внутренней тепловой сети блока дополнительные параметры отсутствуют.
Если требуется оценить тепловые массы, существует две опции параметризации:
By thermal time constants - параметризация тепловых масс в терминах термических постоянных времени. Это значение по умолчанию.
By thermal mass - Укажите значения тепловой массы непосредственно.
Для Cauer model (junction and case), термические постоянные времени t_J и t_C определяются следующим образом:
t_J = M_J· R_JC
t_C = M_C· R_CA
где M_J и M_C - тепловая масса соединения и корпуса соответственно, R_JC - тепловое сопротивление между соединением и корпусом, а R_CA - тепловое сопротивление между портом Н и корпусом устройства.
Для Foster model, термическая постоянная времени ti определяется следующим образом для i-го элемента Фостера:
ti = Mi· Ri,
где Mi и Ri - тепловая масса и тепловое сопротивление i-го элемента Фостера соответственно.
Экспериментальным измерением можно определить константу «случай-время». Если данные для константы времени перехода недоступны, можно либо опустить константу и установить значение сопротивления случая перехода равным нулю, либо установить значение типичной константы времени перехода равным одной десятой константы времени случая. Можно также оценить тепловые массы на основе размеров устройства и усредненных тепловыделений для конкретного материала.
Для блоков с дополнительными тепловыми портами существует два варианта моделирования:
Моделирование генерируемого тепла, температуры устройства и влияния температуры на электрические уравнения.
Моделирование генерируемого тепла и температуры устройства, но без учета влияния температуры на электрические уравнения. Используйте эту опцию, когда влияние температуры на электрические уравнения невелико для моделируемого диапазона температур или когда основной задачей моделирования является захват тепла, генерируемого для поддержки проектирования на уровне системы.
Тепловой порт и вкладка Тепловой порт (Thermal Port) окна Параметры блока (Block Parameters) позволяют моделировать генерируемое тепло и температуру устройства. Для блоков с вкладкой Температурная зависимость (Temperature Dependence) можно моделировать влияние температуры соединения на электрические характеристики. Вкладка Тепловая зависимость (Thermal Dependence) позволяет моделировать влияние температуры полупроводникового перехода на электрические уравнения. Поэтому:
Чтобы смоделировать все температурные эффекты, покажите тепловой порт блока и, если у блока есть вкладка Температурная зависимость (Temperature Dependence), задайте для параметра Параметризация (Parameterization) одну из указанных опций, например: Use an I-V data point at second measurement temperature.
Чтобы смоделировать только генерируемое тепло и температуру устройства, покажите тепловой порт блока и на вкладке Температурная зависимость (Temperature Dependence) задайте для параметра Параметризация (Parameterization) значение None — Simulate at parameter measurement temperature.
Задайте реалистичные значения тепловых масс и сопротивлений. В противном случае температуры перехода могут стать экстремальными и выходить за пределы допустимых результатов, что может проявляться как численные трудности во время моделирования. Можно проверить, являются ли числовые трудности результатом нереалистичных тепловых значений, отключив температурную зависимость для электрических уравнений, открыв окно Параметры блока (Block Parameters), щелкнув вкладку Тепловая зависимость (Thermal Dependence) и установив для параметра Параметризация (Parameterization) значение None — Simulate at parameter measurement temperature.
Температурные временные константы обычно намного медленнее электрических временных констант, поэтому тепловые аспекты модели вряд ли диктуют максимальный фиксированный временной шаг, на котором можно моделировать (например, для аппаратного моделирования в цикле). Однако, если требуется удалить детали (например, для ускорения моделирования), постоянная времени между тепловым переходом и массой обычно на порядок быстрее, чем постоянная времени между тепловым переходом и массой. Yo может устранить эффект тепловой массы соединения, установив тепловую массу соединения и тепловое сопротивление корпуса соединения на ноль.
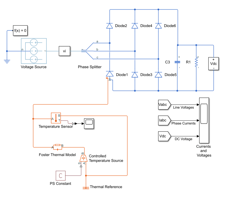
Для моделирования и измерения теплопередачи в зависимости от тепловых характеристик полупроводника подключите тепловую сеть на основе модели Фостера и датчик температуры к блоку с тепловым портом.
Откройте модель. В командной строке MATLAB ® введите :
ee_rectifier_diodes
Модель содержит трехфазный выпрямитель, включающий шесть диодных блоков.
Выберите тепловой вариант для блока Diode1, щелкнув правой кнопкой мыши блок и выбрав в контекстном меню «Simscape» > «Block choices». Выберите Показать тепловой порт.
Откройте блок Diode1. В разделе «Параметры теплового порта» задайте для параметра «Тепловая сеть» значение External.
Добавьте блок Simscape Electrical, представляющий тепловой поток между диодом и окружающей средой. Откройте браузер библиотеки Simulink ®, щелкните Simscape > Electrical > Passive > Thermal и добавьте в модель блок Foster Thermal Model.
Откройте блок Foster Thermal Model и измените следующие параметры:
Данные о тепловом сопротивлении - Указать [ 0.00311 0.008493 0.00252 0.00288 ]
K/W.
Данные термической постоянной времени - Указать [ 0.0068 0.0642 0.3209 2.0212 ]
s.
Добавьте эти блоки, чтобы представить температуру окружающей среды как постоянную, используя идеальный источник температуры.
В браузере библиотеки Simulink откройте библиотеку Simscape > Foundation Library > Thermal > Thermal Sources и добавьте блок источника контролируемой температуры.
В библиотеке Simscape > Foundation Library > Thermal > Thermal Elements добавьте блок «Thermal Reference».
В библиотеке Simscape > Foundation Library > Physical Signals > Sources добавьте блок PS Constant. Для параметра «Константа» укажите значение 300.
Добавьте следующие блоки для измерения и отображения температуры Diode1:
В браузере библиотеки Simulink откройте библиотеку Simscape > Foundation Library > Thermal > Thermal Sensors и добавьте блок Temperature Sensor.
В библиотеке Simscape > Utilities добавьте блок преобразователя PS-Simulink. Для параметра Output signal unit выберите K.
В библиотеке Simulink > Sinks добавьте блок Scope.
Расположите и соедините блоки, как показано на рисунке.

Пометьте сигнал от блока PS-Simulink Converter к блоку Scope двойным щелчком по линии между блоками и вводом Temp (K).
Моделирование модели.
Для просмотра данных о температуре откройте блок «Объем».

Температура Diode1 колеблется в диапазоне температур 0,3 К, так как она увеличивается от начального значения 300 К до точки отстаивания 300,6-300,9 К к концу моделирования.
Для просмотра общего количества тепла, генерируемого всеми полупроводниками выпрямителя, используйте журнал данных и обозреватель результатов Simscape.
Чтобы позволить тепловые порты на всех диодах выпрямителя, выберите тепловые варианты для Diode2, Diode3, Diode4, Diode5 и блоков Diode6, щелкнув правой кнопкой мыши по блокам и выбрав Simscape> выбор Блока> Шоу тепловой порт.
Откройте блоки Diode2, Diode3, Diode4, Diode5 и Diode6 и в разделе «Параметры теплового порта» задайте для параметра «Тепловая сеть» значение External.
Добавьте блоки для измерения теплопередачи для каждого диода путем создания подсистемы тепловой модели Foster.
Создайте копию этой группы блоков:
Модель Foster Thermal
Источник регулируемой температуры
Константа PS
Температурный эталон
Расположите и соедините скопированные блоки, как показано на рисунке.

Создайте подсистему из скопированных блоков и переименуйте подсистему в Foster_D2. Дополнительные сведения см. в разделе Создание подсистем.
Откройте подсистему Foster_D2. Откройте блок Conn1 и для параметра Port location в родительской подсистеме выберите Right.

Сделайте четыре копии подсистемы Foster_D2. Приложите одну подсистему к каждому из остающихся Диодных блоков и переименуйте подсистемы как Foster_D3 через Foster_D6, чтобы соответствовать Diode3 через имена блока Diode6.
Моделирование модели.
Просмотрите результаты в обозревателе результатов Simscape.
В окне модели в разделе Трехфазный выпрямитель (Three-Phase Rectifier) щелкните Обзор результатов моделирования (Explore simulation results).
Чтобы отобразить данные о температуре для Diode1, в окне Simscape Results Explorer разверните узел Diode1 > H и щелкните Т.
Чтобы отобразить напряжение постоянного тока на отдельном графике, разверните узел Датчик напряжения (Sensing Vdc) > Датчик напряжения (Voltage Sensor), нажмите клавишу CTRL и нажмите кнопку V.
Чтобы отобразить данные о температуре для всех диодов, разверните узел Diode2 > H, нажмите CTRL и нажмите T. Повторите процесс для Diode3 через Diode6.
Чтобы наложить данные о температуре на один график, в окне Simscape Results Explorer над окном узла дерева нажмите
кнопку «Параметры». В диалоговом окне «Параметры» для параметра «Сигналы печати» выберите Overlay. Чтобы принять изменение, нажмите кнопку OK. Щелкните и перетащите легенду вниз, чтобы увидеть данные о температуре.

Температурный профиль для каждого диода последовательно отстает от температурного профиля Diode1. Для каждого диода температура также повышается и устанавливается по тем же значениям, что и температурный профиль для Diode1. Данные указывают на то, что из-за запаздывания температуры отдельных диодов температура выпрямителя повышается и оседает по тому же температурному профилю, что и диоды, но с меньшими колебаниями.