Фильтр Bandstop pi
Используйте lcbandstoppi класс для представления полосового фильтра в виде сети индукторов и конденсаторов.
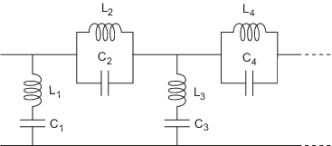
Объект сети LC bandstop pi является 2-портовой сетью, как показано на следующей принципиальной схеме.

На диаграмме [L1, L2, L3, L4,...] - значение 'L' свойство object, и [C1, C2, C3, C4, ...] является значением 'C' свойство объекта.
h = rfckt.lcbandstoppi возвращает сетевой объект LC bandstop pi, свойства которого имеют значения по умолчанию.
h = rfckt.lcbandstoppi('Property1',value1,'Property2',value2,...) задает свойства, используя одну или несколько пар имя-значение. Можно указать несколько пар имя-значение. Заключить имя каждого свойства в кавычку
analyze | Анализ объекта RFCKT в частотной области |
calculate | Расчет указанных параметров для объектов rfckt или объектов rfdata |
circle | Рисование кругов на диаграмме Смита |
extract | Извлечение указанных параметров сети из объекта rfckt или объекта данных |
listformat | Список допустимых форматов для указанного параметра объекта цепи |
listparam | Список допустимых параметров для указанного объекта цепи |
loglog | Печать параметров указанного объекта цепи с использованием логарифмической шкалы |
plot | Печать заданных параметров объекта цепи на плоскости X-Y |
plotyy | Печать параметров ВЧ-цепи или ВЧ-данных на плоскости X-Y с осями Y на левой и правой сторонах |
getop | Отображение условий эксплуатации |
polar | Печать заданных параметров объекта в полярных координатах |
semilogx | Печать параметров объекта ВЧ-канала с использованием логарифмической шкалы для оси X |
semilogy | Печать параметров объекта ВЧ-канала с использованием логарифмической шкалы для оси y |
smith | Печать параметров объекта цепи на диаграмме Смита |
write | Запись радиочастотных данных из канала или объекта данных в файл |
getz0 | Получение характеристического импеданса объекта линии передачи |
read | Считывание радиочастотных данных из файла в новую или существующую цепь или объект данных |
restore | Восстановление данных на исходные частоты |
getop | Отображение условий эксплуатации |
groupdelay | Групповая задержка объекта S-параметра или объекта RF-фильтра или объекта цепи RF Toolbox |
[1] Людвиг, Р. и П. Бретчко, RF Circuit Design: Theory and Applications, Prentice-Hall, 2000.
[2] Зверев, А.И., Handbook of Filter Synthesis, John Wiley & Sons, 1967.
rfckt.lcbandpasspi | rfckt.lcbandpasstee | rfckt.lcbandstoptee | rfckt.lchighpasspi | rfckt.lchighpasstee | rfckt.lclowpasspi | rfckt.lclowpasstee