Модельная сеть LC bandstop pi
Радиочастотный блок/эквивалентные фильтры основной полосы/многозвенной цепи
Блок LC Bandstop Pi моделирует сеть LC bandstop pi, описанную в диалоговом окне блока, с точки зрения ее частотно-зависимых S-параметров.
Для каждой пары индуктора и конденсатора в сети блок сначала вычисляет ABCD-параметры на каждой частоте, содержащейся в векторе частот моделирования. Для каждой пары рядов A = 1, B = Z, C = 0 и D = 1, где Z - импеданс пары рядов. Для каждой пары шунтов A = 1, B = 0, C = Y и D = 1, где Y - допуск пары шунтов.
Блок LC Bandstop Pi затем каскадирует ABCD-параметры для каждой серии и шунтирующей пары на каждой из частот моделирования и преобразует каскадные параметры в S-параметры с использованием RF Toolbox™ abcd2s функция.
Для получения информации об определении частот моделирования см. блок «Выходной порт».
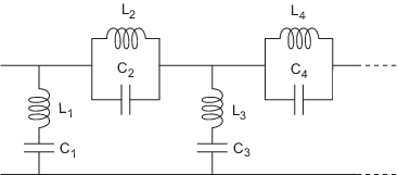
Объект сети LC bandstop pi является двухпортовой сетью, как показано на следующей принципиальной схеме.

[L1, L2, L3, L4,...] - значение 'L' свойство, и [C1, C2, C3, C4, ...] является значением 'C' собственность.
[1] Людвиг, Рейнгольд и Павел Бретчко. RF Circuit Design: теория и применение. Прентис-Холл, 2000.
[2] Зверев, Анатоль И. Хандбук синтеза фильтров. John Wiley & Sons, 1967.
Общая пассивная сеть | LC полосовой тройник | LC Bandstop Tee | LC Highpass Pi | Тройник LC Highpass | LC Lowpass Pi | Тройник нижних частот LC | Серия C | Серия L | Серия R | RLC серии | Шунт С | Шунт L | Шунт R | Шунт RLC