Модели AD9371 можно использовать для моделирования моделей аналоговых устройств ® AD9371 RF передатчика, приемника, наблюдателя и анализатора. Эти модели также помогают увидеть влияние дефектов РЧ на передаваемый или принимаемый сигнал.
Установка радиочастотных приемопередатчиков аналоговых устройств с использованием simrfSupportPackages. Можно открыть модели с помощью браузера библиотеки Simulink ® и открыть RF Blockset™ Models for Analog Devices RF Transceivers или ввести в командной строке MATLAB ® следующее:
open ad9371_modelsВыберите нужную модель из библиотеки:

Примечание
Для запуска этой модели требуются следующие дополнительные лицензии:
Коммуникационный Toolbox™
Поток данных Stateflow ®
Designer™ с фиксированной точкой
Полная документация по использованию моделей доступна при загрузке программного обеспечения.
open(ad93xx_getdoc)

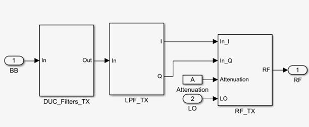
Модель датчика состоит из трех этапов:
Фильтры цифрового преобразования (DUC_Filters_TX))
Аналоговые фильтры (Analog_Filters_TX)
RF-интерфейс (RF_TX)
Модель датчика можно использовать для моделирования следующих вариантов поведения:
Настраиваемое затухание
Уровень шума, зависящий от затухания и несущей частоты
Ослабление и зависящий от несущей частоты перехват на выходе третьего порядка (OIP3) и перехват на выходе второго порядка (OIP2)
Ослабление и дисбаланс усиления, зависящий от несущей частоты (для моделирования конечного отклонения изображения)
Затухание и утечка несущей, зависящая от несущей частоты гетеродина (LO)

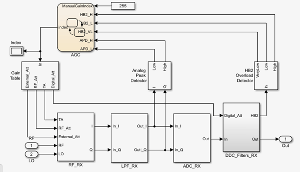
Модель приёмника состоит из трёх этапов:
РЧ-приемник (RF_RX)
Аналоговые фильтры (LPF_RX)
Аналого-цифровой преобразователь (ADC_RX)
Фильтры цифрового понижающего преобразования (DDC_Filters_RX)
Индикатор силы сигнала приемника (RSSI): два метра власти, чтобы обнаружить силу полученного сигнала в другом разделе цепи (Аналоговый Пиковый Датчик и Датчик Перегрузки HB2)
Конечный автомат автоматической регулировки усиления (АРУ)
Программируемый стол выгоды (Стол Выгоды)
Модель приемника можно использовать для моделирования следующих вариантов поведения.
Настраиваемое внутреннее затухание
Показатель шума, зависящий от затухания и несущей частоты
Ослабление и зависящий от несущей частоты перехват на выходе третьего порядка (OIP3) и перехват на выходе второго порядка (OIP2)
Ослабление и дисбаланс усиления, зависящий от несущей частоты (для моделирования конечного отклонения изображения)
Затухание и утечка несущей, зависящая от несущей частоты гетеродина (LO)
Аналоговые фильтры обеспечивают непрерывный сигнал времени
АЦП моделирует модулятор дельта-сигма третьего порядка с высокой частотой дискретизации.
Цифровые фильтры преобразования с понижением частоты преобразуют сильно дискретизированный сигнал на выходе АЦП в более низкую скорость передачи в основной полосе.
Индикатор уровня принимаемого сигнала измеряет мощность на двух каскадах, на выходе РЧ приемника и после первого полуполосного фильтра
AGC изменяет индекс таблицы усиления в соответствии с флагами пересечения порога, сообщенными RSSI.
Таблица усиления по умолчанию считывается из файла MATLAB, DefaultGainTables. Этот файл можно настроить.

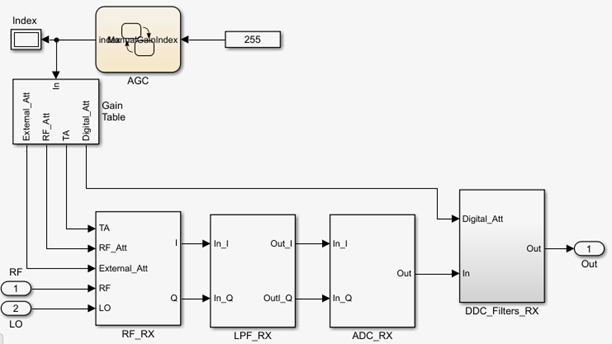
Модель приемника наблюдателя состоит из трех этапов:
РЧ-приемник (RF_RX)
Аналоговые фильтры (LPF_RX)
Аналого-цифровой преобразователь (ADC_RX)
Фильтры цифрового понижающего преобразования (DDC_Filters_RX)
Автомат автоматического регулирования усиления (АРУ), работающий в ручном режиме
Программируемый стол выгоды (Стол Выгоды)
Модель приемника наблюдателя можно использовать для моделирования следующих вариантов поведения:
Настраиваемое внутреннее затухание
Показатель шума, зависящий от затухания и несущей частоты
Ослабление и зависящий от несущей частоты перехват на выходе третьего порядка (OIP3) и перехват на выходе второго порядка (OIP2)
Ослабление и дисбаланс усиления, зависящий от несущей частоты (для моделирования конечного отклонения изображения)
Затухание и утечка несущей, зависящая от несущей частоты гетеродина (LO)
Аналоговые фильтры обеспечивают непрерывный сигнал времени.
АЦП моделирует модулятор дельта-сигма третьего порядка с высокой частотой дискретизации.
Цифровые фильтры преобразования с понижением частоты преобразуют сильно дискретизированный сигнал на выходе АЦП в более низкую скорость передачи в основной полосе.
Индикатор уровня принимаемого сигнала измеряет мощность на двух каскадах, на выходе РЧ приемника и после первого полуполосного фильтра
Таблица усиления по умолчанию считывается из файла MATLAB, DefaultGainTables. Этот файл можно настроить.

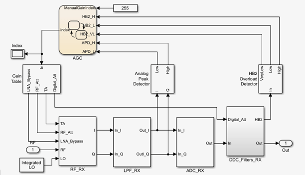
Модель нюхательного приемника состоит из трех этапов:
РЧ-приемник (RF_RX)
Аналоговые фильтры (LPF_RX)
Аналого-цифровой преобразователь (ADC_RX)
Фильтры цифрового понижающего преобразования (DDC_Filters_RX)
Индикатор силы сигнала приемника (RSSI): два метра власти, чтобы обнаружить силу полученного сигнала в другом разделе цепи (Аналоговый Пиковый Датчик и Датчик Перегрузки HB2)
Автомат автоматического регулирования усиления (АРУ), работающий в ручном режиме
Программируемый стол выгоды (Стол Выгоды)
Модель приемника AD9371 sniffer можно использовать для моделирования следующих вариантов поведения:
Настраиваемое внутреннее затухание
Показатель шума, зависящий от несущей частоты
Ослабление и зависящий от несущей частоты перехват на выходе третьего порядка (OIP3) и перехват на выходе второго порядка (OIP2)
Ослабление и дисбаланс усиления, зависящий от несущей частоты (для моделирования конечного отклонения изображения)
Затухание и утечка несущей, зависящая от несущей частоты гетеродина (LO)
Аналоговые фильтры обеспечивают непрерывный сигнал времени.
АЦП моделирует модулятор дельта-сигма третьего порядка с высокой частотой дискретизации.
Цифровые фильтры преобразования с понижением частоты преобразуют сильно дискретизированный сигнал на выходе АЦП в более низкую скорость передачи в основной полосе.
Индикатор уровня принимаемого сигнала измеряет мощность на двух каскадах, на выходе РЧ приемника и после первого полуполосного фильтра
AGC изменяет индекс таблицы усиления в соответствии с флагами пересечения порога, сообщенными RSSI.
Таблица усиления по умолчанию считывается из файла MATLAB, DefaultGainTables. Этот файл можно настроить.