Удаление линии из модели Simulink
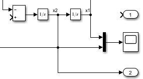
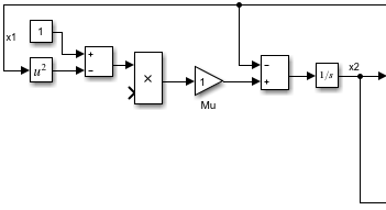
Для модели vdp, удалите линию, соединяющую блок продукта с блоком усиления.
load_system('vdp'); delete_line('vdp','Product/1','Mu/1');
Для модели vdpудалите линию с помощью маркера линии. Можно получить дескриптор линии с помощью различных методов.
load_system('vdp'); h = get_param('vdp/Mu','LineHandles'); delete_line(h.Outport(1));
Получите дескриптор линии при создании линии. Удалите строку с помощью этого дескриптора.
a = add_line('vdp','Mu/1','Sum/2'); delete_line(a)
Для удаления всей линии можно использовать точку на линии.
Найти координаты порта для блока Mu в модели vdp.
open_system('vdp'); mu = get_param('vdp/Mu','PortConnectivity'); mu.Position
ans = 1×2
190 150
ans = 1×2
225 150
Линия, соединяющая блок Mu с блоком Sum, начинается с выходного порта (225 150). Для удаления линии можно использовать любую точку справа от этой точки вдоль той же оси X.
delete_line('vdp',[230,150]);Использовать delete_line с разветвленными линиями для удаления сегмента для любого соединения.
Открытие модели vdp.
open_system('vdp');Удалите строку из x1 в блок Out1. Эта команда удаляет только сегмент линии, соединяющей ветвь с указанным блоком.
delete_line('vdp','x1/1','Out1/1')

Удалите сегмент линии из x2 в Mux.
delete_line('vdp','x2/1','Mux/2')

Удалите сегмент линии из x2 в блок Product.
delete_line('vdp','x2/1','Product/2')

sys - Модель или подсистема для удаления строкиМодель или подсистема для удаления строки, указанной как символьный вектор.
Пример: 'vdp' , 'f14/Controller'
out - Блокировать выходной порт для удаления строкиБлокировать выходной порт для удаления строки, указанный как:
Имя блока, косая черта и имя или номер порта. Большинство портов блока пронумерованы сверху вниз или слева направо. Для порта состояния вместо номера порта используйте имя порта State.
Дескриптор порта, из которого требуется удалить строку.
Использовать 'PortHandles' с get_param чтобы получить ручки.
Пример: 'Mu/1', 'Subsystem/2'
in - Блокировать входной порт для удаления строкиБлокировать входной порт для удаления строки, указанный как:
Имя блока, косая черта и имя или номер порта. Имя порта на:
Включенной подсистемой является Enable.
Триггерная подсистема - Trigger.
Если подсистемами «Действие» и «Переключение вариантов» является «Действие».
Дескриптор порта, из которого требуется удалить строку.
Использовать 'PortHandles' с get_param чтобы получить ручки.
Пример: 'Mu/1', 'Subsystem/2'
point - Точка на линии, которую требуется удалитьТочка, которая попадает на линию, которую требуется удалить, заданная как матрица 1 на 2.
Пример: [150 200]
lineHandle - Дескриптор линии, которую требуется удалитьДескриптор линии, которую требуется удалить. Дескриптор строки можно получить с помощью get_param с 'LineHandles' или путем назначения линии дескриптору при его программном создании.
Имеется измененная версия этого примера. Открыть этот пример с помощью изменений?
1. Если смысл перевода понятен, то лучше оставьте как есть и не придирайтесь к словам, синонимам и тому подобному. О вкусах не спорим.
2. Не дополняйте перевод комментариями “от себя”. В исправлении не должно появляться дополнительных смыслов и комментариев, отсутствующих в оригинале. Такие правки не получится интегрировать в алгоритме автоматического перевода.
3. Сохраняйте структуру оригинального текста - например, не разбивайте одно предложение на два.
4. Не имеет смысла однотипное исправление перевода какого-то термина во всех предложениях. Исправляйте только в одном месте. Когда Вашу правку одобрят, это исправление будет алгоритмически распространено и на другие части документации.
5. По иным вопросам, например если надо исправить заблокированное для перевода слово, обратитесь к редакторам через форму технической поддержки.