Профилировщик решателя регистрирует события, которые приводят к сбросу параметров решателя, поскольку сброс решателя влечет за собой вычислительные затраты. В дополнение к общему количеству сбросов можно также просмотреть разбивку по типу события сброса.
Примечание
Событие сброса решателя может иметь несколько причин. В результате количество событий полного сброса решателя на панели Статистика (Statistics) может быть меньше суммы сбросов решателя каждого типа.
Некоторые события пересечения нулей происходят при разрыве в сигнале. Рассмотрим пример модели подпрыгивающего шара из раздела «События пересечения нулей».

Записи профилировщика решателя 67 сброс решателя, вызванный пересечением нуля из блока переключения в модели. Сравните размер шага и подсветку Reset решателя с выходом x блока Integrator второго порядка, который является высотой шара от земли. Обратите внимание, что сброс решателя происходит, когда шарик отскакивает от земли.


Сброс решателя также происходит, когда модель имеет дискретный сигнал, управляющий блоком с непрерывными состояниями, как показано в этом примере модели.

Дискретный блок синусоидальной волны выводит синусоидальную волну 1 рад/с с дискретным временем выборки ts = 2.
Отчет Профилировщика решателя показывает, что четыре сброса решателя происходят из-за дискретных сигналов, управляющих непрерывным блоком. Эти сброса происходят при каждом выполнении блока синусоидальной волны.

Этот тип сброса решателя происходит, когда вывод блока не выполняется во время пробного или второстепенного временного шага и обновляется только во время интегрирования или основного временного шага. В результате выходной сигнал блока изменяется прерывисто от одного основного временного шага к другому. В результате решатель сбрасывается. См. раздел Время выборки фиксированного дополнительного шага.
В данном примере показана простая установка и контроллер, отслеживающие синусоидальный опорный сигнал. Источником этого сигнала является блок синусоидальной волны, время выборки которого определено как фиксированное в малом шаге.

Наблюдать из результатов сеанса профилирования, что есть 80
Решатель сигналов ZOH сбрасывается в моделировании.

Примечание
При выборе параметра Непрерывные состояния для ведения журнала или включении SaveStates параметр, производная непрерывного блока, управляемого сигналом Fixed-in-Minor-Step, равна NaN.
Это происходит потому, что управляющий блок Fixed-in-Minor-Step обновляет свое значение только на каждом основном шаге времени. Поэтому сигнал, подаваемый в непрерывный блок, является прерывистым, и состояние не дифференцируется.
На графике показаны выходы блоков синусоидальной волны и интегратора в примерной модели.

Совет
Сброс решателя, вызванный сигналами ZOH, является серьезным по сравнению с событиями сброса решателя, вызванными дискретными сигналами, и может значительно замедлить моделирование. Это происходит потому, что события сброса сигнала ZOH происходят на каждом основном шаге решателя. При необходимости измените конфигурацию моделирования, чтобы избежать этих сбросов.
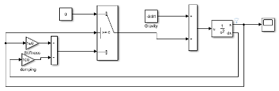
Иногда блок можно настроить на сброс решателя при выполнении определенных условий во время его выполнения. Рассмотрим sldemo_bounceмодель подпрыгивающего шара, которую можно найти в примере Захват скорости подпрыгивающего шара с блоком памяти.

Наблюдать из результатов профилирования, что 130 решатель сбрасывается, инициируемый блоком. Событие сброса решателя может иметь несколько причин. В этом случае пересечения нулей и изменения блоков вызывают событие сброса решателя.

Одним из параметров, вызывающих событие сброса решателя изменений блоков, является параметр Reinitialize dx/dt, когда x достигает параметра насыщения. Эта настройка необходима для правильного моделирования динамики подпрыгивающего мяча.

При выполнении моделирования решателю необходимо сбросить параметры в первый раз. Это событие отображается как событие Initial Reset в отчете Solver Profiler. Это происходит один раз в начале моделирования.
Некоторые события сброса являются внутренними для модуля Simulink ®. Эти события сброса необходимы для правильной настройки механизма для точного моделирования.