С помощью Simulink ® Design Verifier™ можно определить правила автоматической замены блоков в модели. Например, можно обойти блок, несовместимый с программным обеспечением, создав правило, заменяющее неподдерживаемый блок Simulink в модели поддерживаемым блоком, функционально эквивалентным. Можно также настроить блоки для анализа, создав правило, которое добавляет ограничения или цели к определенным блокам в модели.
При выполнении замены блоков программа создает копию модели и заменяет блоки в копии без изменения исходной модели. Таким образом можно легко настроить модель для анализа.
Программа Simulink Design Verifier автоматически заменяет блоки в модели, используя:
Библиотеки блоков замены
Правила, определяющие блоки для замены и условия
Любой блок заменяется встроенным блоком, блоком библиотеки или подсистемой.
Замены блоков расширяемы, позволяя определить собственные библиотеки блоков замены и пользовательские правила замены блоков. С помощью замены блоков можно
Работа с несовместимостью, например, с наличием неподдерживаемых блоков в модели.
Настройте блок для анализа, например:
Добавление ограничений к входным сигналам
Добавление целей к выходным сигналам
Исключение содержимого подсистемы или блока модели для упрощения анализа
Примечание
Можно использовать автоматическую блокировку в качестве альтернативы блокировке замен для устранения несовместимости. Автоматическое блокирование заменяет неподдерживаемые блоки элементами с одинаковым интерфейсом. Дополнительные сведения см. в разделе Обработка несовместимости с автоматической остановкой.
Замена блоков может повлиять на создание тестового случая, если замененные блоки совместно используют функциональные возможности с другими частями модели. Перед заменой блоков следует ознакомиться с функциональными зависимостями этих блоков или общих сигналов. См. раздел Выделение функциональных зависимостей. Блоки замены могут также влиять на другие рабочие процессы анализа, такие как проверка свойств.
Например, можно настроить блок для анализа с помощью блока замены, который добавляет цели к входному сигналу. Если от этого сигнала зависит другая подсистема, блок замены эффективно добавляет цель для подсистемы.
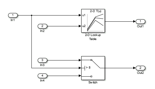
В этом примере диапазон точек останова u1 в таблице поиска 2-D 5–7. Пороговое значение переключения 8 выпадает за пределы u1 диапазон таблицы подстановки.

Тесты, произведенные, не заменяя 2D Справочную таблицу, удовлетворяют две цели: то, что спусковой механизм не больше, чем порог блока Выключателя 8и что триггер превышает пороговое значение блока коммутатора 8.
Цель удовлетворена

Генерация теста с заменой блока возвращает другой анализ. blkrep_rule_lookup2D_normal.m правило замены блока заменяет 2D Справочную таблицу подсистемой в маске, содержащей 2D Справочную таблицу и подсистему проверки.

Подсистема проверки ограничивает анализ в пределах границ точки останова таблицы. Дополнительные ограничения препятствуют созданию тестов, выполняющих вторую задачу для блока Switch. Условие, при котором входной сигнал In1 > 8 является неудовлетворительным.
Цели выполнены

Цели оказались неудовлетворительными
