exponenta event banner

Статистика изображений

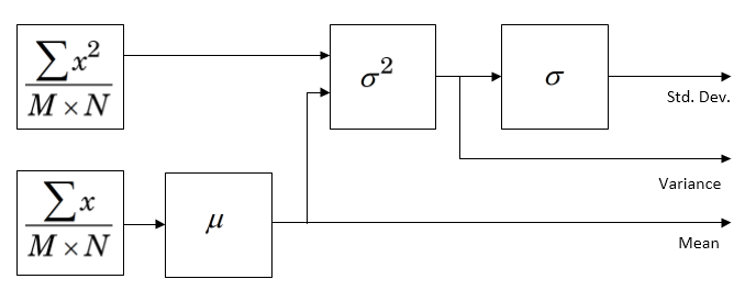
Расчет среднего, отклонения и стандартного отклонения

  • Библиотека:
  • Инструментарий/статистика HDL Vision

  • Image Statistics block

Описание

Блок «Статистика изображения» вычисляет среднее значение, дисперсию и стандартное отклонение потоковых видеоданных. Каждый расчет выполняется по всем пикселям в интересующей области ввода (ROI). Блок реализует вычисления, используя аппаратно-эффективные алгоритмы.

Этот блок использует потоковый пиксельный интерфейс с шиной для сигналов управления кадрами. Этот интерфейс позволяет блоку работать независимо от размера и формата изображения. Все блоки Vision HDL Toolbox™ используют один и тот же потоковый интерфейс. Блок принимает значение скалярного пикселя и шину, которая содержит пять управляющих сигналов. Сигналы управления указывают достоверность каждого пикселя и его местоположение в кадре. Чтобы преобразовать кадр (пиксельную матрицу) в поток пикселей и управляющие сигналы, используйте блок «От кадра к пикселям». Полное описание интерфейса см. в разделе Потоковый пиксельный интерфейс.

Порты

Вход

развернуть все

Один пиксель изображения в потоке пикселей, заданный как скаляр, представляющий интенсивность в градациях серого.

double и single типы данных поддерживаются для моделирования, но не для генерации кода HDL.

Типы данных: uint8 | uint16 | uint32 | int8 | int16 | int32 | fixed point | Boolean | double | single

pixelcontrol шина содержит пять сигналов. Сигналы описывают достоверность пикселя и его местоположение в кадре. Дополнительные сведения см. в разделе Шина управления пикселами.

Типы данных: bus

Продукция

развернуть все

Блок использует арифметику полной точности для внутреннего расчета. На выходных портах промежуточные данные возвращаются к входному типу с помощью следующих настроек с фиксированной точкой: Метод округления = Nearestи действие переполнения = Saturate. В таблице показана длина выходного слова для каждого вычисления относительно длины входного слова (IWL).

Средний РазличиеСтд. Отклонение
IWL2 × IWL2 × IWL

Среднее значение последнего завершенного входного кадра, возвращаемого в виде скаляра. Тип данных среднего значения совпадает с типом данных пикселя.

Типы данных: uint8 | uint16 | fixed point

Дисперсия последнего завершенного входного кадра, возвращаемого в виде скаляра. Тип данных var совпадает с типом данных пикселя.

Типы данных: uint8 | uint16 | fixed point

Стандартное отклонение последнего завершенного входного кадра, возвращаемого в виде скаляра. Тип данных stdDev совпадает с типом данных пикселя.

Типы данных: uint8 | uint16 | fixed point

Блок устанавливает этот вывод в true когда статистические выходы для кадра готовы.

Типы данных: Boolean

Параметры

развернуть все

Выберите этот параметр для активизации среднего порта и вычисления среднего значения для каждого входного кадра.

Выберите этот параметр, чтобы включить порт var и вычислить дисперсию каждого входного кадра.

Выберите этот параметр, чтобы включить порт stdDev и рассчитать стандартное отклонение каждого входного кадра.

Совет

  • Чтобы изменить размер и размеры ROI, можно манипулировать входными сигналами управления видеопотоком. См. Регионы интересов.

  • Количество допустимых пикселей во входном изображении влияет на точность средней аппроксимации. Чтобы избежать ошибки аппроксимации, используйте изображение, которое содержит число, кратное 64n пикселов, до 64n + 1 пикселов, где n равно 0, 1, 2 или 3. Подробные сведения о средней аппроксимации см. в разделе Алгоритм.

  • Блок вычисляет статистику по кадрам размером до 644 (16, 777, 216) пикселей. Этот размер поддерживает кадры высокой четкости.

Алгоритмы

развернуть все

Расширенные возможности

.

См. также

| | (Панель инструментов компьютерного зрения) | (Панель инструментов компьютерного зрения) | (Панель инструментов компьютерного зрения)

Представлен в R2015a