Как преобразования Фурье, так и вейвлет измеряют сходство между сигналом и анализирующей функцией. Оба преобразования используют математический инструмент, называемый внутренним продуктом, в качестве этой меры подобия. Эти два преобразования различаются по выбору функции анализа. Это приводит к тому, что два преобразования по-разному представляют сигнал и какой вид информации может быть извлечен.
В качестве простого примера внутреннего произведения в качестве меры подобия рассмотрим внутреннее произведение векторов в плоскости. В следующем примере MATLAB ® вычисляется внутреннее произведение трех единичных векторов {u, w} в плоскости:
u = [sqrt(3)/2 1/2]; v = [1/sqrt(2) 1/sqrt(2)]; w = [0 1]; % Three unit vectors in the plane quiver([0 0 0],[0 0 0],[u(1) v(1) w(1)],[u(2) v(2) w(2)]); axis([-1 1 0 1]); text(-0.020,0.9371,'w'); text(0.6382,0.6623,'v'); text(0.7995,0.4751,'u'); % Compute inner products and print results fprintf('The inner product of u and v is %1.2f\n', dot(u,v)) fprintf('The inner product of v and w is %1.2f\n', dot(w,v)) fprintf('The inner product of u and w is %1.2f\n', dot(u,w))
Глядя на рисунок, ясно, что u и v наиболее похожи по своей ориентации, в то время как u и w являются наиболее непохожими.

Внутренние продукты улавливают этот геометрический факт. Математически внутреннее произведение двух векторов, u и v, равно произведению их норм и косинуса угла, λ, между ними:
v | | cos (
Для особого случая, когда u и v имеют единичную норму, или единичную энергию, внутреннее произведение равно cos (start) и поэтому лежит между [-1,1]. В этом случае можно интерпретировать внутреннее произведение непосредственно как коэффициент корреляции. Если u или v не имеют единичной нормы, внутреннее изделие может превышать 1 в абсолютном значении. Однако внутреннее произведение все еще зависит от косинуса угла между двумя векторами, что делает его интерпретируемым как своего рода корреляция. Обратите внимание, что абсолютное значение внутреннего произведения является наибольшим, когда угол между ними равен 0 или δ радиан (0 или 180 градусов). Это происходит, когда один вектор является действительным скалярным кратным другому.
В то время как внутренние продукты в более пространствах, подобных тем, которые встречаются в преобразованиях Фурье и вейвлета, не проявляют такой же простоты геометрической интерпретации, как в предыдущем примере, они измеряют сходство таким же образом. Значительная часть полезности этих преобразований заключается в том, что они по существу суммируют корреляцию между сигналом и некоторыми основными функциями с определенными физическими свойствами, такими как частота, масштаб или положение. Суммируя сигнал в этих составляющих частях, мы можем лучше понять механизмы, которые генерировали сигнал.
Анализ Фурье используется в качестве отправной точки для введения вейвлет-преобразований и в качестве эталона для демонстрации случаев, когда вейвлет-анализ обеспечивает более полезную характеристику сигналов, чем Фурье-анализ.
Математически процесс анализа Фурье представлен преобразованием Фурье:
jü tdt.
который является интегралом (суммой) за все время сигнала f (t), умноженного на комплексную экспоненту. Напомним, что сложная экспонента может быть разбита на реальные и мнимые синусоидальные компоненты. Обратите внимание, что преобразование Фурье отображает функцию одной переменной в другую функцию одной переменной.
Интеграл, определяющий преобразование Фурье, является внутренним произведением. Пример того, как внутренние продукты измеряют сходство между двумя сигналами, см. в разделе Внутренние продукты. Для каждого значения λ интеграл (или сумма) по всем значениям времени создает скаляр F (λ), который суммирует, насколько похожи эти два сигнала. Эти комплексные скаляры являются коэффициентами Фурье. Концептуально, умножение каждого коэффициента Фурье, F (λ), на комплексную экспоненциальную (синусоидальную) частотную λ дает составляющие синусоидальные компоненты исходного сигнала. Графически процесс выглядит как

Поскольку является комплекснозначным, F (λ) в общем случае является комплекснозначным. Если сигнал содержит значимые колебания при угловой частоте, равной λ 0, абсолютное значение λ 0) будет большим. Исследуя график (λ) | как функцию угловой частоты, можно определить, какие частоты вносят наибольший вклад в изменчивость f (t).
Для иллюстрации того, как преобразование Фурье фиксирует сходство между сигналом и синусоидами различных частот, следующий код MATLAB анализирует сигнал, состоящий из двух синусоид 4 и 8 герц (Гц), искаженных аддитивным шумом с использованием дискретного преобразования Фурье.
rng(0,'twister'); Fs = 128; t = linspace(0,1,128); x = 2*cos(2*pi*4*t)+1.5*sin(2*pi*8*t)+randn(size(t)); xDFT = fft(x); Freq = 0:64; subplot(211); plot(t,x); xlabel('Seconds'); ylabel('Amplitude'); subplot(212); plot(Freq,abs(xDFT(1:length(xDFT)/2+1))) set(gca,'xtick',[4:4:64]); xlabel('Hz'); ylabel('Magnitude');

Рассматривая как сигнал времени, трудно определить, какие значительные колебания присутствуют в данных. Однако, рассматривая абсолютное значение коэффициентов преобразования Фурье как функцию частоты, можно легко обнаружить доминирующие колебания на частоте 4 и 8 Гц.
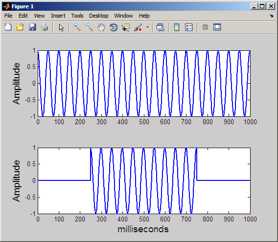
Преобразование Фурье суммирует сходство между сигналом и синусоидой с единственным комплексным числом. Величина комплексного числа фиксирует степень, в которой колебания на определенной частоте вносят вклад в энергию сигнала, в то время как аргумент комплексного числа фиксирует информацию о фазе. Следует отметить, что коэффициенты Фурье не имеют временной зависимости. Коэффициенты Фурье получаются интегрированием, или суммированием, в течение всего времени, поэтому ясно, что эта информация потеряна. Рассмотрим следующие два сигнала:

Оба сигнала состоят из одной синусоидальной волны с частотой 20 Гц. Однако в верхнем сигнале синусоидальная волна длится все 1000 миллисекунд. На нижнем графике синусоидальная волна начинается на 250 и заканчивается на 750 миллисекундах. Преобразование Фурье обнаруживает, что два сигнала имеют одинаковое частотное содержание, но не имеет способа улавливать, что длительность колебания 20 Гц отличается между двумя сигналами. Кроме того, преобразование Фурье не имеет механизма для маркировки начала и конца прерывистой синусоидальной волны.
Стремясь исправить этот недостаток, Деннис Габор (1946) адаптировал преобразование Фурье для анализа только небольшого участка сигнала за раз - метод, называемый окном сигнала. Адаптацию Габора называют кратковременным преобразованием Фурье (STFT). Техника работает, выбирая временную функцию или окно, которая по существу ненулевая только на конечном интервале. В качестве одного из примеров рассмотрим следующую функцию окна Гаусса:
− αt2
Гауссова функция центрирована вокруг t = 0 на интервале, который зависит от значения α. Смещение гауссовой функции на λ приводит к:
(t−τ) 2,
который центрирует гауссово окно вокруг Умножая сигнал на (t−τ) выбирает часть сигнала, сосредоточенного в τ. Взяв преобразование Фурье этих оконных сегментов для различных значений, составляет STFT. Математически это:
Функция STFT отображает функцию одной переменной в функцию двух переменных Это 2-D представление сигнала 1-D означает, что в STFT имеется избыточность. На следующем рисунке показано, как STFT отображает сигнал в частотно-временное представление.

STFT представляет собой своего рода компромисс между временными и частотными представлениями сигнала. Он предоставляет некоторую информацию как о том, когда, так и на каких частотах происходит событие сигнала. Однако получить эту информацию можно только с ограниченной точностью, и эта точность определяется размером окна.
Хотя компромисс STFT между информацией о времени и частоте может быть полезным, недостаток состоит в том, что после выбора определенного размера для временного окна это окно будет одинаковым для всех частот. Многие сигналы требуют более гибкого подхода - такого, при котором можно изменять размер окна для более точного определения времени или частоты.
Вместо построения графика STFT в трех измерениях, условное обозначение состоит в кодировании start) | как интенсивности на некоторой цветовой карте. Вычисления и показ STFT двух волн синуса на 20 Гц другой продолжительности, показанной ранее:

Используя STFT, можно увидеть, что прерывистая синусоидальная волна начинается около 250 мс и заканчивается около 750 мс. Кроме того, можно видеть, что энергия сигнала сконцентрирована около 20 Гц.