exponenta event banner

Оценка в режиме онлайн

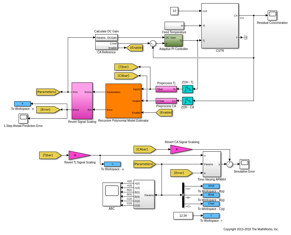
Оцените параметры модели и состояния во время работы системы, сгенерируйте код и разверните во целевых процессорах

Алгоритмы онлайн-оценки обновляют параметры модели и оценки состояния, когда доступны новые данные. Можно выполнить онлайн-оценку параметра и онлайн-оценку состояния с помощью Simulink® блоки и в командной строке. Можно сгенерировать код C/C + + и развернуть код на целевом процессоре. Чтобы узнать больше об онлайн-оценке, см. «Что такое онлайн-оценка»?

Рекомендуемые примеры