exponenta event banner

imextendedmax

Преобразование расширенного максимума

Описание

пример

BW = imextendedmax(I,H) возвращает преобразование extended-maxima для I, который является региональным максимумом H-maxima преобразование. Региональные максимумы являются связанными компонентами пикселей с постоянным значением интенсивности, и все внешние краевые пиксели которых имеют меньшее значение.

BW = imextendedmax(I,H,conn) вычисляет преобразование extended-maxima, где conn определяет связность пикселей.

Примеры

свернуть все

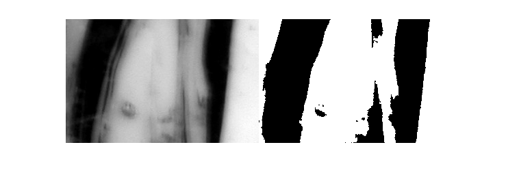
Чтение изображения в рабочую область.

I = imread('glass.png');

Вычислите преобразование расширенного максимума.

BW = imextendedmax(I,80);

Отобразите оригинальное изображение и преобразованное изображение один за другим.

imshowpair(I,BW,'montage')

Figure contains an axes. The axes contains an object of type image.

Входные параметры

свернуть все

Входное изображение, заданное как числовой массив любой размерности.

Пример: I = imread('glass.png');

Типы данных: single | double | int8 | int16 | int32 | int64 | uint8 | uint16 | uint32 | uint64

Преобразование H-максимума, заданное как неотрицательный скаляр.

Пример: BW = imextendedmax(I,80);

Типы данных: single | double | int8 | int16 | int32 | int64 | uint8 | uint16 | uint32 | uint64

Пиксельная связность, заданная как одно из значений в этой таблице. Связность по умолчанию 8 для 2-D изображений и 26 для 3-D изображений.

Значение

Значение

Двумерные связи

4-соединенный

Пиксели соединяются, если их ребра касаются. Окрестностью пикселя являются соседние пиксели в горизонтальном или вертикальном направлении.

8-соединенный

Пиксели соединяются, если их ребра или углы касаются. Окрестностью пикселя являются смежные пиксели в горизонтальном, вертикальном или диагональном направлении.

Трехмерные связи

6-соединенный

Пиксели соединяются, если их лица касаются. Окрестностью пикселя являются смежные пиксели в:

  • Одно из следующих направлений: в, вне, слева, справа, вверх и вниз

18-соединенный

Пиксели соединяются, если их грани или ребра касаются. Окрестностью пикселя являются смежные пиксели в:

  • Одно из следующих направлений: в, вне, слева, справа, вверх и вниз

  • Комбинация двух направлений, таких как right-down или in-up

26-соединенный

Пиксели соединяются, если их грани, ребра или углы касаются. Окрестностью пикселя являются смежные пиксели в:

  • Одно из следующих направлений: в, вне, слева, справа, вверх и вниз

  • Комбинация двух направлений, таких как right-down или in-up

  • Комбинация трех направлений, таких как справа вверх или слева вниз

Для более высоких размерностей, imextendedmax использует значение по умолчанию conndef(ndims (I), 'maximal').

Связь также может быть определена более общим образом для любой размерности путем определения 3х3-бай-... -by-3 матрица 0s и 1с. The 1-значенные элементы определяют местоположения окрестностей относительно центрального элемента conn. Обратите внимание, что conn должно быть симметричным относительно его центрального элемента. Дополнительные сведения см. в разделе «Определение пользовательских соединений».

Типы данных: single | double | int8 | int16 | int32 | int64 | uint8 | uint16 | uint32 | uint64

Выходные аргументы

свернуть все

Преобразованное изображение, возвращенное как логический массив того же размера, что и I.

Ссылки

[1] Soille, P. Morphological Image Analysis: Principles and Applications. Springer-Verlag, 1999, стр. 170-171.

Расширенные возможности

.
Представлено до R2006a