Моделируйте усилитель степени с памятью
RF Blockset/Огибающая цепи/Элементы

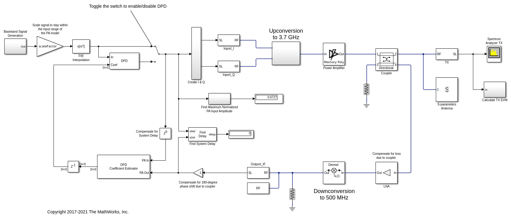
Блок Power Amplifier моделирует двухпортовые усилители степени. Полиномиальное выражение памяти, полученное из ряда Вольтерра, моделирует нелинейную связь между входным и выходным сигналами. Это усилитель степени включает в себя эффекты памяти, потому что выходная характеристика зависит от входного сигнала тока и входного сигнала в предыдущие моменты времени. Эти усилители степени применяются при передаче широкополосных или узкополосных сигналов.
Чтобы избежать работы нелинейного усилителя степени в нежелательной области, Simulink® входной сигнал должен быть масштабирован. Это происходит, когда нелинейный усилитель степени в радиочастотной области используется для усиления сигнала Simulink.
[1] Морган, Деннис Р., Чжэнсян Ма, Джейхён Ким, Майкл Г. Зиердт и Джон Пасталан. «Обобщенная модель Полинома памяти для цифрового предварительного искажения Степени усилителей». IEEE® Транзакции по обработке сигналов. Том 54, № 10, октябрь 2006, стр. 3852-3860.
[2] Gan, Li, and Emad Abd-Elrady. «Цифровое предварительное искажение полиномиальных систем памяти с использованием архитектур прямого и косвенного обучения». В работе одиннадцатой Международной конференции IASTED по обработке сигналов и изображений (SIP) (Ф. Крус-Рольдан и Н. Б. Смит, эд.), № 654-802. Калгари, AB: ACTA Press, 2009.