exponenta event banner

jc_0657: Retention of output value based on conditional control flow blocks and Merge blocks

Рекомендации по идентификатору подраздела

  • NA-MAAB - a2

  • JMAAB - a1/a2

Версии MATLAB

Все

Правило

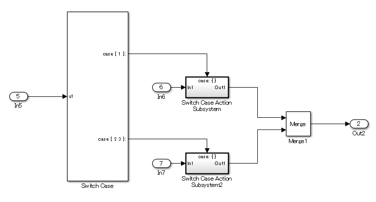
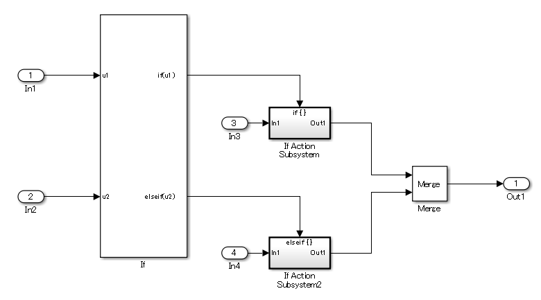
Sub ID a1

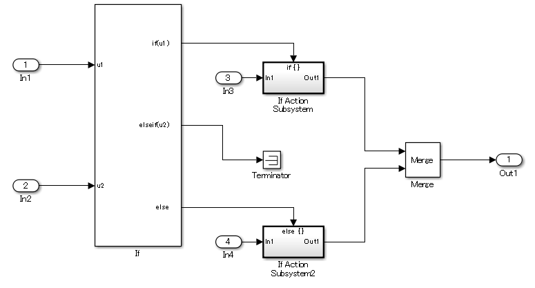
Неиспользованные порты действия должны соединяться с Terminator блоком при выполнении следующих условий:

  • Прошлое значение сохранено

  • Merge переключения функций используются блок и блок условного потока, такой как If или Switch Case блок.

Пользовательский параметр

Неприменимо

Пример - Исправление

If пример блока

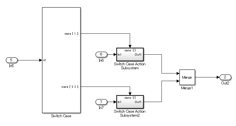
Switch Case пример блока

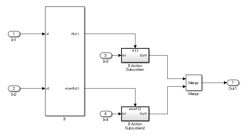
Пример - Неправильный

If пример блока

Switch Case пример блока

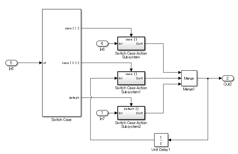
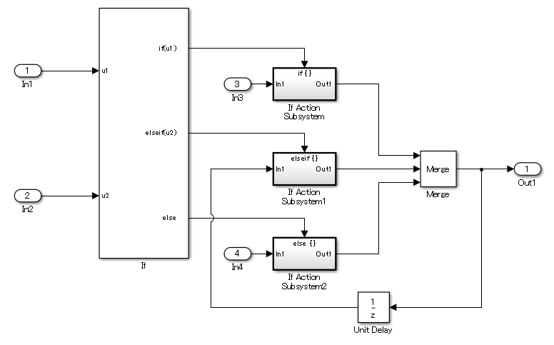
Sub ID a2

Цикл обратной связи, использующий блок Delay, должен быть реализован при выполнении следующих условий:

  • Прошлое значение сохранено

  • Merge переключения функций используются блок и блок условного потока, такой как If или Switch Case блок.

Пользовательский параметр

Неприменимо

Пример - Исправление

If пример блока

Switch Case пример блока

Пример - Неправильный

If пример блока

Switch Case пример блока

Объяснение

Sub ID a1:

  • Повышает эффективность кода.

  • Связи с Terminator блоком могут использоваться, когда прошлые значения удерживаются иначе, чем по умолчанию (else).

Sub ID a2:

  • Сохранение прошлых значений явное.

Верификация

Соблюдение этого руководства по моделированию не может быть проверено с помощью проверки Model Advisor.

Последнее изменение

R2020a

См. также

Введенный в R2020a