Физические системы могут быть описаны как ряд дифференциальных уравнений в неявной форме,
или в форме неявное пространство состояний 
Если
он несингулярен, то система может быть легко преобразована в систему обыкновенных дифференциальных уравнений (ОДУ) и решена как таковая:

Много раз состояния системы появляются без прямого отношения к их производным, обычно представляющим физические законы сохранения. Для примера:

В этом случае
сингулярна и не может быть инвертирована. Этот класс систем обычно называют дескрипторными системами, а уравнения - дифференциально-алгебраическими уравнениями (ДАУ).
Рассмотрим схему RLC простой серии.

Из Закона о Напряжении Кирхгофа, падение напряжения через схему равен сумме падения напряжения через каждый из его элементов:

Из закона тока Кирхгофа:

где нижние индексы, 
и
обозначают сопротивление, индуктивность и емкость соответственно.

или 
или 
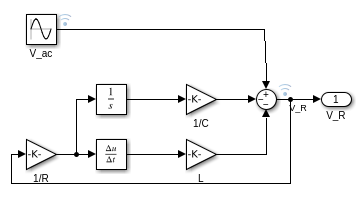
Моделируйте систему в Simulink с,
,
чтобы
найти напряжение на резисторе. Чтобы
использовать блок Descriptor State-Space, система может быть записана в неявную, или дескриптор, форму пространства состояний, как
показано ниже.

где
является вектором состояния.
Установите
, так как напряжение на резисторе измеряется.

Сравните это с моделированием системы алгебраическим циклом, чтобы найти.

Симуляция обеих моделей дает одинаковые результаты. Однако блок Descriptor State-Space позволяет вам сделать более простую блок-схему и избежать алгебраических циклов.
