Увеличение объекта для взвешенной смешанной чувствительности H ∞ и H 2 формирующих цикл проекта
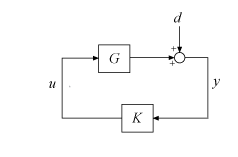
вычисляет модель в пространстве состояний увеличенного объекта LTI P (s) с функциями взвешивания W 1 (s), W 2 (s) и W 3 (s), штрафующий сигнал ошибки, управляющий сигнал и выходной сигнал, соответственно. P = augw(G,W1,W2,W3)P увеличенный объект следующей схемы.

Эта управляющая структура используется в смешанном H ∞ синтез, который позволяет вам спроектировать H ∞ контроллер путем одновременного формирования частотных характеристик для отслеживания и подавления помех, шумоподавления и робастности и усилия контроллера. Для получения дополнительной информации смотрите, что Цикл Смешанной Чувствительности Формирует.
Для H ∞ или H 2 синтеза, модели G и W1,W2,W3 должно быть соответствующим. Другими словами, они должны быть ограничены как (для передаточных функций непрерывного времени) или (для передаточных функций дискретного времени). Кроме того, W1,W2,W3 должно быть устойчивым. Объект G должно быть stabilizable и обнаруживаемым. В противном случае, получившийся P не stabilizable никаким контроллером.
augw производит увеличенный объект P (s), данный:
Разделение встраивается с помощью P = mktito(P,NY,NU), который устанавливает P.InputGroup и P.OutputGroup свойства можно следующим образом.
[r,c] = size(P);
P.InputGroup = struct('U1',1:c-NU,'U2',c-NU+1:c);
P.OutputGroup = struct('Y1',1:r-NY,'Y2',r-NY+1:r);
h2syn | hinfsyn | makeweight | mixsyn