exponenta event banner

Системы возобновляемой энергии

Модели ветряного двигателя

Блоки

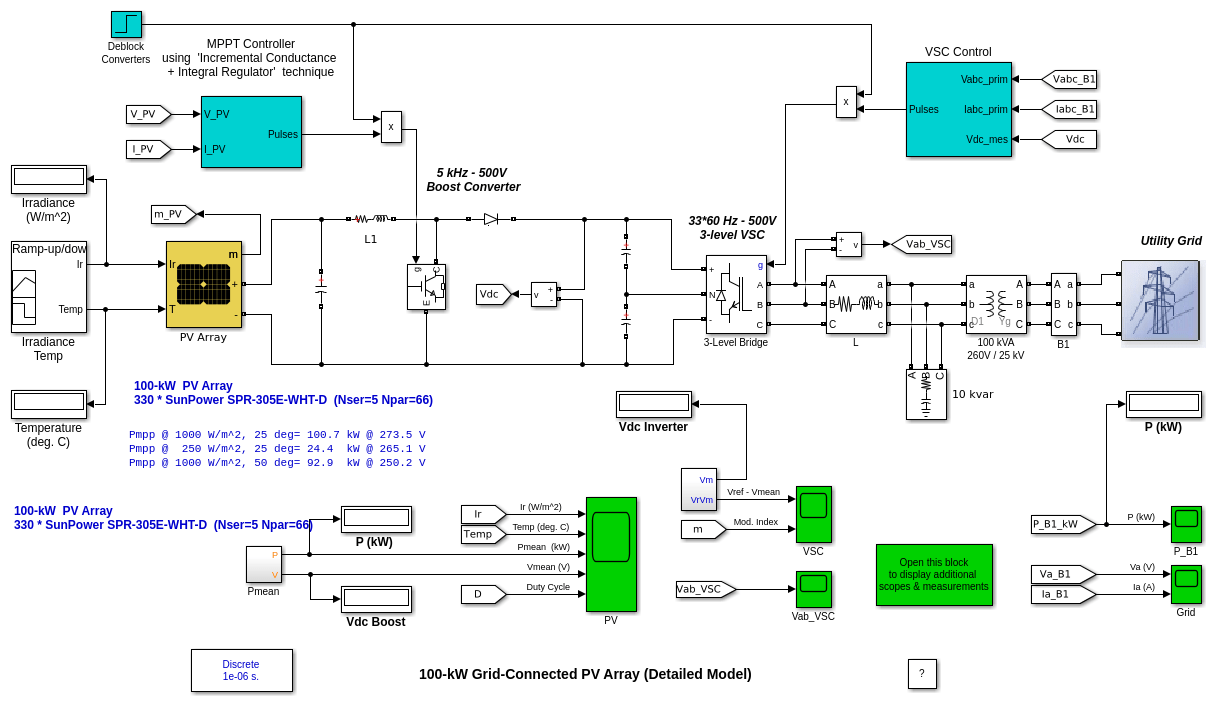
PV ArrayРеализуйте модули PV массивов

Темы

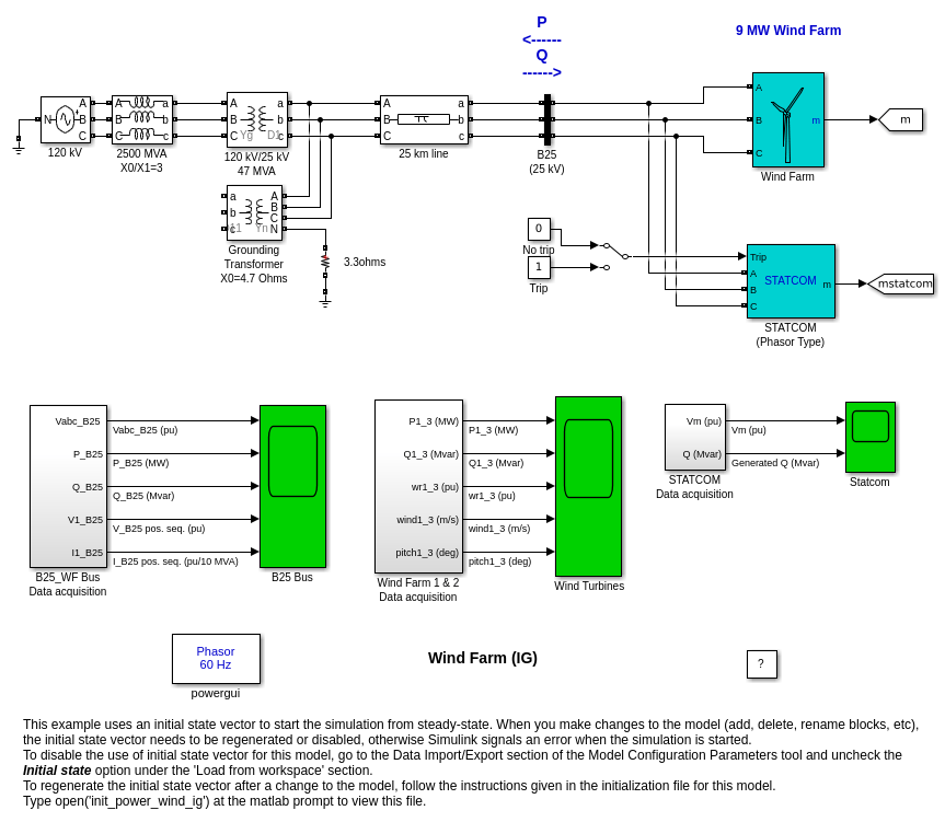
Ветровая электростанция Используя Вдвойне-федеральные генераторы индукции

Изучите установившиеся и динамические характеристики ветровой электростанции на 9 МВт, соединенной с системой распределения.

Рекомендуемые примеры