exponenta event banner

Силовая электроника

Тиристоры, диоды, мосты

Блоки

развернуть все

DiodeРеализуйте диодную модель
GTOРеализуйте модель тиристора логического элемента выключает (GTO)
Ideal SwitchРеализуйте идеальное устройство переключателя
IGBTРеализуйте биполярный транзистор изолированного затвора (IGBT)
IGBT/DiodeИдеал реализаций IGBT, GTO, или MOSFET и антипараллельный диод
MOSFETМодель Implement MOSFET
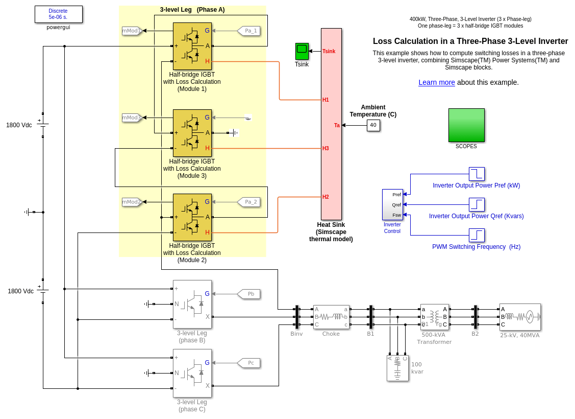
Three-Level BridgeРеализуйте трехуровневый конвертер степени нейтральной точки зафиксирована (NPC) с выбираемой топологией и устройства переключения степени
ThyristorРеализуйте тиристорную модель
Universal BridgeРеализуйте универсальный преобразователь энергии с выбираемыми топологией и ключевыми элементами
Full-Bridge ConverterКонвертер степени Имплемент фалл-бридж
Full-Bridge MMCРеализуйте полный мост модульный многоуровневый конвертер
Full-Bridge MMC (External DC Links)Полный мост конвертер степени MMC с внешними связями DC
Half-Bridge ConverterРеализуйте конвертер степени полумоста
Half-Bridge MMCРеализуйте полумост модульный многоуровневый конвертер
Three-Level NPC ConverterРеализуйте трехфазный, трехуровневый конвертер степени Зафиксированной Нейтральной Точки (NPC)
Two-Level ConverterРеализуйте трехфазный двухуровневый конвертер степени
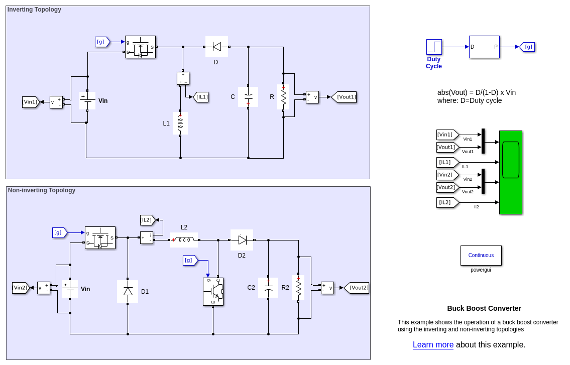
Two-Quadrant DC/DC ConverterРеализуйте 2D квадрантный конвертер DC/DC

Темы

Компенсированная ряду система передачи

Исследуйте модель для серийной компенсации и связанных явлений, таких как подсинхронный резонанс в системе передачи.

Основанный на тиристоре статический компенсатор Var

Смоделируйте статический компенсатор var (SVC) с помощью трех банков тиристорного переключаемого конденсатора (TSC) и одного управляемого тиристором реакторного банка (TCR).

Основанный на GTO STATCOM

Смоделируйте статический синхронный компенсатор (STATCOM) использование конвертера с 48 импульсами GTO.

Основанная на тиристоре ссылка HVDC

Исследуйте высоковольтный DC (HVDC) ссылка передачи, которая использует текущие конвертеры с 12 импульсными тиристорами.

Основанная на VSC ссылка HVDC

Смоделируйте принудительно коммутируемый Полученный Напряжением Конвертер высоковольтный постоянный ток (VSC-HVDC) ссылка передачи.

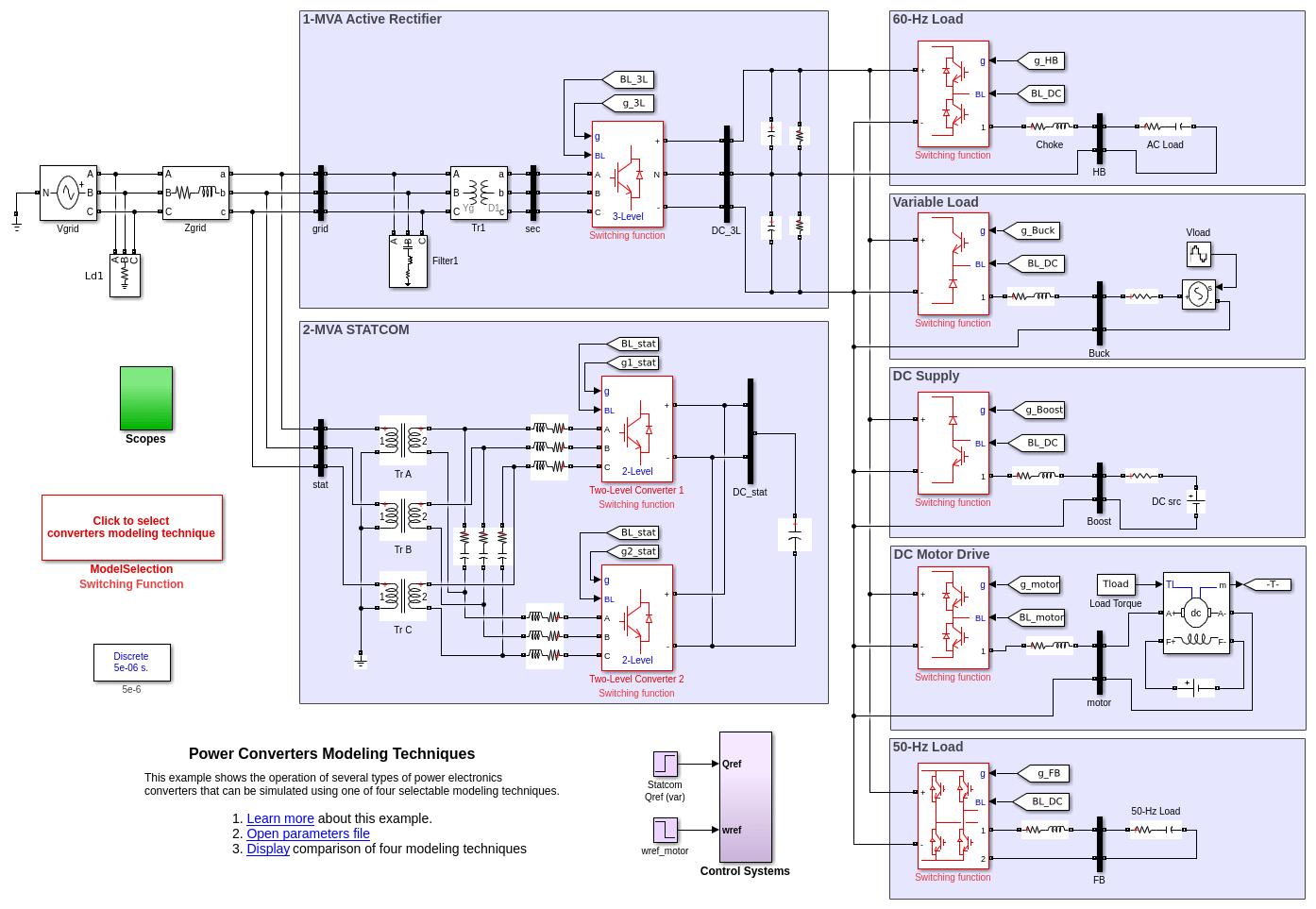
Представление силовой электроники

Узнать, как использовать силовую электронику и трансформаторы и варьироваться начальные условия схемы.

Рекомендуемые примеры