exponenta event banner

Электроприводы

Диски AC, диски DC, валы, редукторы скорости, батареи, топливные элементы

Блоки

развернуть все

BatteryТиповая модель батареи
Fuel Cell StackРеализуйте типовую водородную модель стека топливного элемента
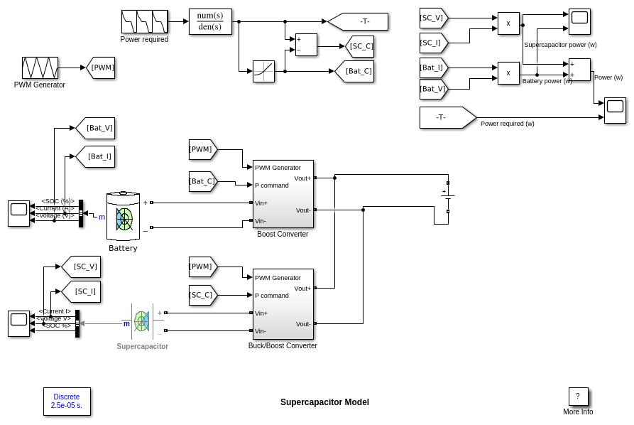
SupercapacitorРеализуйте типовую суперконденсаторную модель

Темы

Симулируйте диск двигателя постоянного тока

Узнать, как, чтобы использовать DC управляют моделями от библиотеки Electric Drives.

Симулируйте диск электродвигателя переменного тока

Узнать, как, чтобы использовать AC управляют моделями от библиотеки Electric Drives.

Повторно настройте параметры диска

Узнать, как изменить параметры электропривода.

Измените блок диска

Узнать, как изменить электрические соединения или управляющие модули путем изменения блока диска.

Многоуровневое моделирование для быстрого прототипирования

Уменьшайте затраты на разработку системы с помощью Модельно-ориентированного проектирования.

Библиотека электроприводов

Библиотека Electric Drives предоставляет вам простой способ включить электроприводы в ваши модели.

Механические модели

Узнать, как, чтобы симулировать вал, соединяющий блок электропривода с механической загрузкой, блокируют и достигают высокого крутящего момента в низкой скорости.

Механическая связь двух электроприводов

Исследуйте механическую связь AC4 (DTC трехфазный основанный на асинхронном двигателе диск) и DC2 (однофазный диск двигателя постоянного тока двойного конвертера) блоки.

Извилистая машина

Смоделируйте извилистую машину с помощью блока Two-Quadrant Three-Phase Rectifier DC Drive.

Управление осью робота Используя бесщеточный диск двигателя постоянного тока

Исследуйте шесть роботов степеней свободы, управляемых AC6 (бесщеточный диск двигателя постоянного тока) блоки.

Создание собственного диска

Узнать, как создавать модель электропривода согласно вашим конкретным требованиям.

Рекомендуемые примеры