Демодуляция методом OQPSK
Набор средств связи/модуляция/цифровая модуляция основной полосы частот/PM
Блок основной полосы частот демодулятора OQPSK применяет фильтрацию формы импульса к входной форме сигнала и демодулирует ее с использованием метода квадратурной фазовой манипуляции со смещением (OQPSK). Дополнительные сведения см. в разделе Фильтр формирования импульсов. Вход является представлением модулированного сигнала в основной полосе частот.
Информацию о задержках, возникающих при обработке пары модулятор-демодулятор, см. в разделе Задержки модуляции.
In - Входной сигнал основной полосы частотВходной сигнал основной полосы, определяемый как дискретно-временной комплексный скалярный или столбчатый вектор.
Блок обрабатывает входной сигнал на основе настройки типа выходного сигнала.
Типы данных: double
Поддержка комплексного номера: Да
Out - Выходные данныеВыходные данные, возвращаемые в виде вектора целочисленного или битового столбца.
Output type - Тип выводаInteger (по умолчанию) | Bit Тип вывода, указанный как Integer или Bit.
Если для параметра «Тип вывода» задано значение Integerблок выводит вектор целых символов со значениями от 0 до 3, длина которого является количеством выходных символов.
Если для параметра «Тип вывода» задано значение Bitблок выводит 2-разрядное двоичное представление целых чисел в векторе четной длины с двоичными значениями.
Период ввода для каждой целочисленной или битовой пары - это число выборок на символ, умноженное на период выходных выборок.
Phase offset (rad) - Фаза нулевой точки созвездия сигнала0 (по умолчанию) | скалярФазовое смещение от λ/4, определяемое как скаляр в радианах. Фазовое смещение применяется к нулевой точке сигнальной совокупности перед задержкой квадратурной составляющей. После задержки мнимой составляющей OQPSK сигнал нормализуется с единичной мощностью.
Пример: Установка смещения фазы (рад) в pi/4 выравнивает нулевую точку точки совокупности сигналов QPSK по осям, {(1,0), (0, j), (-1,0), (0, -j)}.
Symbol mapping - Битовое отображение созвездия сигналовGray (по умолчанию) | Binary | пользовательский 4-элементный числовой вектор целых чисел со значениями от 0 до 3Битовое отображение созвездия сигналов, указанное как Gray, Binaryили пользовательский 4-элементный числовой вектор целых чисел со значениями от 0 до 3.
| Настройка | Отображение созвездий для целых чисел | Отображение созвездия для битов | Комментарий |
|---|---|---|---|
|
|
| Отображение созвездия сигналов кодируется по Грею. |
|
|
| Отображение комбинации сигналов для входного целого числа |
Пользовательский 4-элементный числовой вектор целых чисел со значениями от 0 до 3 |
|
| Элементы [a b c d] должны состоять из набора значений [0, 1, 2, 3] в любом порядке. |
Pulse shape - Форма фильтрующего импульсаHalf sine (по умолчанию) | Normal raised cosine | Root raised cosine | CustomВыберите форму импульса фильтрации: Half sine, Normal raised cosine, Root raised cosine, или Custom.
Rolloff factor - Повышенный коэффициент отката косинусного фильтра0.2 (по умолчанию) | скалярПовышенный коэффициент отката косинусного фильтра, заданный как скаляр из 0 кому 1.
Это свойство включено, если Pulse shape имеет значение Normal raised cosine или Root raised cosine.
Типы данных: double
Filter span (in symbols) - Длина фильтра10 (по умолчанию) | скалярДлина фильтра в символах, заданная как скаляр. Идеальный приподнятый косинусный фильтр имеет бесконечную импульсную характеристику. Однако для реализации практической реализации этого фильтра объект усекает импульсную характеристику символов диапазона фильтра (в символах).
Это свойство включено, если Pulse shape имеет значение Normal raised cosine или Root raised cosine.
Типы данных: double
Filter numerator - Числитель фильтра[0.7071 0.7071] (по умолчанию) | вектор строкиЧислитель фильтра, заданный как вектор строки.
Этот параметр активируется, когда форма импульса Custom.
Типы данных: double
Samples per symbol - Количество образцов на символ4 (по умолчанию) | положительное целое числоЧисло выборок на символ, указанное как положительное четное целое число.
Типы данных: double
Rate options - Параметр скорости обработкиEnforce single-rate processing (по умолчанию) | Allow multirate processing
Enforce single-rate processing - Выполняет модель, гарантируя, что входные и выходные сигналы имеют одинаковое время выборки порта. Блок реализует изменение скорости путем изменения размера на выходе по сравнению с входом. Для целочисленных выходов выходная ширина равна 1/Samples на символ, умноженной на входную ширину.
Дополнительные сведения см. в разделе Односкоростная обработка с блоком демодулятора OQPSK.
Allow multirate processing - Выполняет модель, позволяя входному и выходному сигналам иметь разное время выборки порта. Время вывода символа равно Samples per symbol, умноженное на время ввода образца.
Дополнительные сведения см. в разделе Многоскоростная обработка с блоком демодулятора OQPSK.
Output data type - Тип выходных данныхdouble (по умолчанию) | single | uint8Выберите тип выходных данных: double, single, или uint8.
Типы данных |
|
Многомерные сигналы |
|
Сигналы переменного размера |
|
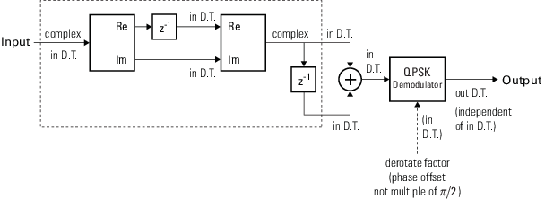
Каждая выборка на входной символ создает один выходной символ. На этой фигуре пунктирная линия представляет область, содержащую обработку входного образца.

Блоки цифровой модуляции и демодуляции несут задержки между своими входами и выходами, которые приводят к смещению времени поступления принятых данных. Данные, которые поступают в блок модуляции или демодуляции в момент времени T, появляются на выходе в момент времени T + задержки. Следует учитывать системные задержки при сравнении переданных данных с принятыми данными, например, на наложенных графиках или при вычислении статистики ошибок. Как показано здесь, задержка модуляции-демодуляции OQPSK изменяется в зависимости от фильтра формирования импульсов, установки входных/выходных данных и конфигурации моделирования.
| Форма импульса | Параметры тарифа | Рассматривать каждую дискретную скорость как отдельную задачу? | Входные/выходные данные (*) | Сквозная задержка, производимая парой модулятор-демодулятор OQPSK (в выборках) |
|---|---|---|---|---|
Half sine или Custom | Enforce single-rate operation | Н/Д | Integer | 1 |
Bit | 2 | |||
Allow multirate processing | false (одиночная постановка задач) | Integer | длина (данные) + 1 + 1 | |
Bit | длина (данные) + 2 + 2 | |||
true (многозадачность) | Integer | длина (данные) + 1 + 2 | ||
Bit | длина (данные) + 2 + 4 | |||
Normal raised cosine или Root raised cosine | Enforce single-rate operation | Н/Д | Integer | Диапазон фильтра (в символах) |
Bit | 2 * Диапазон фильтра (в символах) | |||
Allow multirate processing | false (одиночная постановка задач) | Integer | длина (данные) + диапазон фильтра (в символах) + 1 | |
Bit | длина (данные) + 2 * Диапазон фильтра (в символах) + 2 | |||
true (многозадачность) | Integer | 2 * длина (данные) + диапазон фильтра (в символах) + 2 | ||
Bit | 2 * длина (данные) + 2 * Диапазон фильтра (в символах) + 4 | |||
(*) Параметр типа данных - входной тип для модуляции и выходной тип для демодуляции. | ||||
Схема модуляции OQPSK требует избыточной дискретизации двух или более, чтобы задержать (или сдвинуть) квадратурный канал на 90 градусов. Эта избыточная выборка достигается посредством интерполяционной фильтрации, реализуемой посредством формирования импульсов.
1. Если смысл перевода понятен, то лучше оставьте как есть и не придирайтесь к словам, синонимам и тому подобному. О вкусах не спорим.
2. Не дополняйте перевод комментариями “от себя”. В исправлении не должно появляться дополнительных смыслов и комментариев, отсутствующих в оригинале. Такие правки не получится интегрировать в алгоритме автоматического перевода.
3. Сохраняйте структуру оригинального текста - например, не разбивайте одно предложение на два.
4. Не имеет смысла однотипное исправление перевода какого-то термина во всех предложениях. Исправляйте только в одном месте. Когда Вашу правку одобрят, это исправление будет алгоритмически распространено и на другие части документации.
5. По иным вопросам, например если надо исправить заблокированное для перевода слово, обратитесь к редакторам через форму технической поддержки.


