Параллельное соединение двух моделей
parallel
sys = parallel(sys1,sys2)
sys = parallel(sys1,sys2,inp1,inp2,out1,out2)
sys = parallel(sys1,sys2,'name')
parallel соединяет два объекта модели параллельно. Эта функция принимает любой тип модели. Обе системы должны быть либо непрерывными, либо дискретными с одинаковым временем выборки. Статические коэффициенты усиления нейтральны и могут быть определены как обычные матрицы.
sys = parallel(sys1,sys2) формирует основное параллельное соединение, показанное на следующем рисунке.

Эта команда равняется прямому добавлению
sys = sys1 + sys2
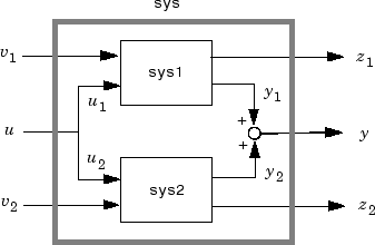
sys = parallel(sys1,sys2,inp1,inp2,out1,out2) образует более общее параллельное соединение, показанное на следующем рисунке.

Векторы inp1 и inp2 содержат индексы во входных каналах sys1 и sys2соответственно и определяют входные каналы u1 и u2 на диаграмме. Аналогично, векторы out1 и out2 содержат индексы в выходах этих двух систем и определяют выходные каналы y1 и y2 на диаграмме. Результирующая модель sys имеет [v1; u; v2] в качестве входов и [z1; y; z2] в качестве выходных данных.
sys = parallel(sys1,sys2,'name') соединяется sys1 и sys2 путем сопоставления имен ввода-вывода. Необходимо указать все имена операций ввода-вывода sys1 и sys2. Соответствующие имена отображаются в sys в том же порядке, что и в sys1. Например, следующая спецификация:
sys1 = ss(eye(3),'InputName',{'C','B','A'},'OutputName',{'Z','Y','X'});
sys2 = ss(eye(3),'InputName',{'A','C','B'},'OutputName',{'X','Y','Z'});
parallel(sys1,sys2,'name')d =
C B A
Z 1 1 0
Y 1 1 0
X 0 0 2
Static gain.Примечание
Если sys1 и sys2 массивы модели, параллельный массив возвращает модель sys того же размера, где sys(:,:,k)=parallel(sys1(:,:,k),sys2(:,:,k),inp1,...).
Пример см. в разделе Фильтрация Калмана.