N-битный АЦП с архитектурой флэш-памяти
Смешанный блок сигналов/ADC/архитектуры

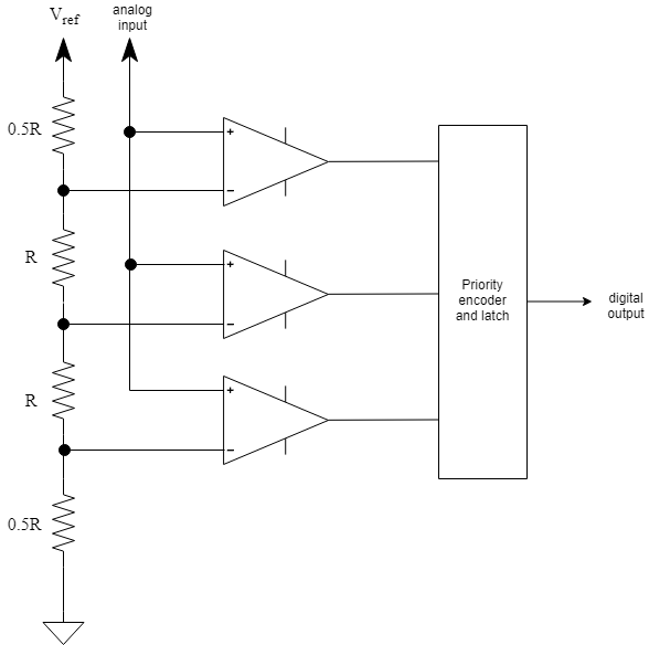
АЦП N-разрядной вспышки содержит резистивную лестницу, которая содержит 2N резисторы и 2N-1 компараторы.

Опорное напряжение каждого компаратора на 1 младший бит (LSB) выше, чем нижнее напряжение в многозвенной цепи. В результате, все компараторы ниже определенной точки будут иметь входное напряжение больше, чем опорное напряжение, и логику 1 выход. Все компараторы выше этой точки будут иметь входное напряжение меньше опорного напряжения и логику 0 выход. Выходной сигнал компараторов 2N-1 пропускается через кодер приоритета для получения цифрового выходного сигнала. Эта схема кодирования называется кодированием термометра.
Поскольку аналоговый вход применяется ко всем компараторам одновременно, архитектура АЦП флэш-памяти является очень быстрой. Но ADC имеет низкое разрешение и высокие требования к мощности из-за большого количества резисторов, необходимых для реализации архитектуры.
analog - Аналоговый входной сигналАналоговый входной сигнал, заданный как скаляр.
Типы данных: double
start - Внешний синхросигнал для начала преобразованияВнешние часы для начала преобразования, заданные как скаляр. start определяет момент запуска процесса аналого-цифрового преобразования.
Типы данных: double
digital - Преобразованный цифровой выходной сигналПреобразованный цифровой выходной сигнал, возвращаемый как скалярный.
Типы данных: fixed point | single | double | int8 | int16 | int32 | uint8 | uint16 | uint32 | Boolean
ready - Определяет, завершено ли аналого-цифровое преобразованиеОпределяет, завершено ли аналого-цифровое преобразование, возвращаемое в виде скаляра.
Типы данных: double
Number of bits - Количество физических выходных битов10 (по умолчанию) | положительное вещественное целое число в диапазоне [1, 26]Число физических выходных битов, указанных в диапазоне как безразмерное положительное вещественное целое число [1, 26]. Количество битов определяет разрешение АЦП.
Использовать get_param(gcb,'NBits') для просмотра текущего количества битов.
Использовать set_param(gcb,'NBits',value) для установки определенного значения в поле Number of bits.
Типы данных: double
Input range (V) - динамический диапазон АЦП[-1 1] (по умолчанию) | 2-элементный вектор строкиДинамический диапазон АЦП, определяемый как 2-элементный вектор строки в вольтах.
Использовать get_param(gcb,'InputRange') для просмотра текущего входного диапазона (V).
Использовать set_param(gcb,'InputRange',value) чтобы задать для диапазона ввода (V) определенное значение.
Типы данных: double
Use external start clock - Подключение к внешнему часу преобразования запускаВыберите для подключения к внешнему часу преобразования запуска. По умолчанию этот параметр выбран. Если эта опция не выбрана, то для генерации тактовых импульсов начала преобразования используется блок источника тактовых импульсов выборки в АЦП флэш-памяти.
Conversion start frequency (Hz) - Частота внутренних тактовых запусков1e6 (по умолчанию) | положительный вещественный скалярЧастота часов внутреннего преобразования запуска, заданная как положительный действительный скаляр в герцах. Частота начала преобразования (Гц) определяет скорость АЦП.
Этот параметр доступен только в том случае, если не выбран параметр Use external start clock.
Использовать get_param(gcb,'StartFreq') для просмотра текущего значения частоты начала преобразования (Гц).
Использовать set_param(gcb,'StartFreq',value) для установки заданной частоты начала преобразования (Гц).
Типы данных: double
RMS aperture jitter (s) - Дрожание апертуры RMS, добавленное к такту преобразования запуска1e-12 (по умолчанию) | реальный неотрицательный скалярСреднеквадратичное дрожание апертуры, добавленное в качестве ухудшения к часам начального преобразования, задается как реальный неотрицательный скаляр в секундах. Установите нулевое значение дрожания апертуры RMS, если требуется чистый тактовый сигнал.
Этот параметр доступен только в том случае, если не выбран параметр Use external start clock.
Использовать get_param(gcb,'StartClkJitter') для просмотра текущего значения дрожания апертуры RMS.
Использовать set_param(gcb,'StartClkJitter',value) установка определенного значения дрожания апертуры RMS.
Типы данных: double
Edge trigger type - Тип границы синхросигнала, запускающий обновление выходных данныхRising edge (по умолчанию) | Falling edge | Either edgeТип границы синхросигнала, запускающий обновление выходных данных:
Rising edge - выход обновляется с помощью переднего фронта тактового сигнала.
Falling edge - выход обновляется задним фронтом тактового сигнала.
Either edge - выходной сигнал обновляется как нарастающим, так и задним фронтом тактового сигнала.
Использовать get_param(gcb,'Trigger') для просмотра текущего типа триггера Edge.
Использовать set_param(gcb,'Trigger',value) чтобы задать для типа триггера Edge определенное значение.
Match input scale - Наследование полярности и типа данных из входных данныхНаследовать полярность выхода и тип данных из аналогового входного сигнала в АЦП. Если эта опция выбрана, она заставляет АЦП выводить скалярный двойной, соответствующий входному масштабу АЦП.
Output polarity - Определяет полярность выхода АЦПAuto (по умолчанию) | Bipolar | UnipolarОпределяет полярность выходных данных АЦП.
Если для параметра «Полярность вывода» установлено значение Autoминимальное и максимальное значения выходного сигнала определяются полярностью входного диапазона.
Если для параметра «Полярность вывода» установлено значение Bipolar, выходы находятся между -2Nbits-1 и 2Nbits-1-1.
Если для параметра «Полярность вывода» установлено значение Unipolar, выходы находятся между 0 и 2Nbits-1.
Этот параметр можно редактировать только в том случае, если снят флажок «Сопоставить масштаб ввода».
Использовать get_param(gcb,'OutputPolarity') для просмотра текущей полярности выходного сигнала.
Использовать set_param(gcb,'OutputPolarity',value) установка для параметра «Полярность вывода» определенного значения.
Output data type - Определяет тип выходных данных АЦПfixdt(1,Nbits) (по умолчанию) | fixdt(0,Nbits) | double | single | int8 | int16 | int32 | uint8 | uint16 | uint32 | Inherit: Inherit via back propagationОпределяет тип выходных данных АЦП.
Неподписанные целые числа и типы с фиксированной точкой (fixdt(0,Nbits)) недоступны, если для параметра Output polarity установлено значение Bipolar или Auto.
Подписанные целые числа и типы с фиксированной точкой (fixdt(1,Nbits)) недоступны, если для параметра Output polarity установлено значение Unipolar.
Этот параметр можно редактировать только в том случае, если снят флажок «Сопоставить масштаб ввода».
Использовать get_param(gcb,'OutDataType') для просмотра текущего типа выходных данных.
Использовать set_param(gcb,'OutDataType',value) чтобы задать для типа выходных данных определенное значение.
Enable impairments - Включение нарушений в моделировании АЦПВыберите этот параметр, чтобы включить такие нарушения, как ошибка смещения и ошибка усиления при моделировании ADC. По умолчанию этот параметр не выбран.
Offset error - Сдвигает шаги квантования на конкретное значение3 LSB (по умолчанию) | вещественный скалярСдвигает шаги квантования на конкретное значение, указанное как скаляр в% FS, FS или LSB.
Этот параметр доступен только в том случае, если на закладке Обесценение выбрано Включить обесценения.
Использовать get_param(gcb,'OffsetError') для просмотра текущего значения ошибки смещения.
Использовать set_param(gcb,'OffsetError',value) чтобы задать для параметра Ошибка смещения (Offset error) определенное значение.
Типы данных: double
Gain error - Ошибка при наклоне кривой передачи АЦП2 LSB (по умолчанию) | вещественный скалярОшибка на наклоне прямой интерполяционной кривой передачи ADC, заданной как действительный скаляр в% FS, FS или LSB.
Этот параметр доступен только в том случае, если на закладке Обесценение выбрано Включить обесценения.
Использовать get_param(gcb,'GainError') для просмотра текущего значения ошибки усиления.
Использовать set_param(gcb,'GainError',value) для установки определенного значения ошибки усиления.
Типы данных: double
Missing codes - Положение отказавших компараторов[] (по умолчанию) | вектор строки с положительными вещественными значениямиПоложение отказавших компараторов, определяемое как вектор строки с положительными действительными значениями.
Этот параметр доступен только при выборе Включить ухудшение.
Использовать get_param(gcb,'Bubbles') для просмотра текущих отсутствующих кодов.
Использовать set_param(gcb,'Bubbles',value) установка для параметра Отсутствующие коды определенного значения.
Типы данных: double
Измерение переменного тока АЦП | Измерение постоянного тока АЦП | ADC Testbench | Измерение дрожания апертуры | АЦП SAR
1. Если смысл перевода понятен, то лучше оставьте как есть и не придирайтесь к словам, синонимам и тому подобному. О вкусах не спорим.
2. Не дополняйте перевод комментариями “от себя”. В исправлении не должно появляться дополнительных смыслов и комментариев, отсутствующих в оригинале. Такие правки не получится интегрировать в алгоритме автоматического перевода.
3. Сохраняйте структуру оригинального текста - например, не разбивайте одно предложение на два.
4. Не имеет смысла однотипное исправление перевода какого-то термина во всех предложениях. Исправляйте только в одном месте. Когда Вашу правку одобрят, это исправление будет алгоритмически распространено и на другие части документации.
5. По иным вопросам, например если надо исправить заблокированное для перевода слово, обратитесь к редакторам через форму технической поддержки.