Гибкая в осевом направлении планка или кабель
Simscape/Привод/Муфты и приводы

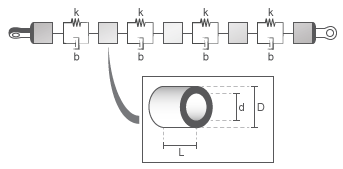
Блок стержня представляет собой аксиально гибкую штангу или трос при растяжении или сжатии.


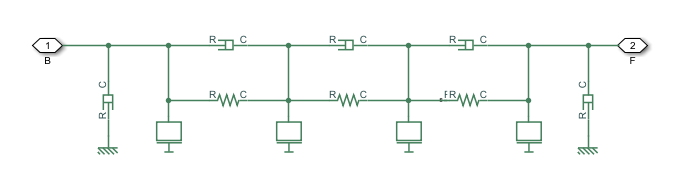
Для представления полосы или кабеля в блоке используется модель с кусковым параметром. Модель состоит из N + 1 комковых масс, соединенных последовательно N комплектами параллельно соединенных пружинных и демпферных цепей. Пружина выполнена упругой. Демпфер выполнен в виде демпфирования материала.

Модель одного гибкого элемента имеет собственную частоту, близкую к первой собственной частоте модели распределенных параметров. Для более точного анализа выберите 2, 4, 8 или более гибких элементов.
Эквивалентная физическая сеть содержит N пружинных и демпферных цепей и N + 1 массовых блоков. Общая масса стержня распределена равномерно по массовым блокам. Жесткость пружины в каждом контуре пружины и демпфера равна N-кратной жесткости материала стержня.

Определяющими уравнениями для модели являются:
d2) 4
Где:
start- демпфирование стержня.
λ - коэффициент демпфирования материала стержня.
K - жесткость стержня.
А - площадь поперечного сечения стержня.
D - наружный диаметр стержня.
d - внутренний диаметр стержня, где
d = 0 для твердого стержня.
d > 0 для кольцевого, то есть полого, стержня.
E - модуль Юнга, то есть модуль упругости материала стержня.
L - длина стержня.
m - масса стержня.
start- плотность материала стержня.
Стержень не пристегивается, в случае бруса, и не затягивается, в случае троса, при растяжении.
Стержень имеет постоянное поперечное сечение по своей длине.
Модель распределенных параметров аппроксимируется как конечное число гибких элементов, N.
Гибкий вал | Масса | Поступательный демпфер | Translational Spring