Обеспечить систему возбуждения синхронной машины и регулировать ее напряжение на клеммах в режиме генерации
Simscape/Electrical/Специализированные силовые системы/Электрические машины/Синхронное управление машиной

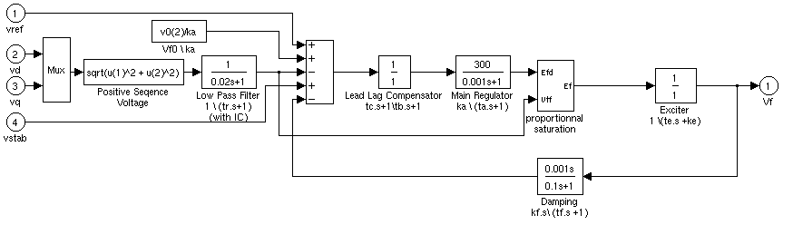
Блок системы возбуждения - это система Simulink ®, реализующая возбудитель постоянного тока, описанный в [1], без функции насыщения возбудителя. Основными элементами, образующими блок системы возбуждения, являются регулятор напряжения и возбудитель.

Возбудитель представлен следующей передаточной функцией между напряжением возбудителя Vfd и выходом регулятора ef:
sTe.
Постоянная времени Tr в секундах (секундах) системы первого порядка, которая представляет датчик напряжения на клемме статора. По умолчанию: 20e-3.
Коэффициент усиления Ka и постоянная времени Ta в секундах системы первого порядка, представляющей главный регулятор. По умолчанию: [ 300, 0.001 ].
Коэффициент усиления Ke и постоянная времени Te в секундах (секундах) системы первого порядка, представляющей возбудитель. По умолчанию: [ 1, 0 ].
Константы времени Tb (в секундах ) и Tc (в секундах) системы первого порядка, представляющей компенсатор опережения-запаздывания. По умолчанию: [ 0, 0 ].
Коэффициент усиления Kf и постоянная времени Tf в секундах (секундах) системы первого порядка, представляющей производную обратную связь. По умолчанию: [ 0.001, 0.1 ].
На выходе регулятора напряжения накладываются пределы Efmin и Efmax. Верхний предел может быть постоянным и равным Efmax, или переменным и равным напряжению на клемме выпрямленного статора Vtf, умноженному на пропорциональный коэффициент усиления Kp. Если Kp установлен в 0, первое применимо. Если Kp имеет положительное значение, то применяется последнее значение. По умолчанию: [ -11.5, 11.5, 0 ].
Начальные значения напряжения на клеммах Vt0 (pu) и напряжения поля Vf0 (pu). При правильной настройке они позволяют запустить моделирование в установившемся состоянии. Начальное напряжение на клеммах обычно должно быть равно 1 pu. Значения Vt0 и Vf0 автоматически обновляются утилитой потока нагрузки блока Powergui. По умолчанию: [1.0 1.28].
vrefЖелаемое значение напряжения на клемме статора в pu.
vdvd компонент, в pu, напряжения клеммы.
vqvq компонент, в pu, напряжения на клемме.
vstabПодключите этот вход к стабилизатору энергосистемы для дополнительной стабилизации колебаний энергосистемы.
VfНапряжение поля в pu для блока синхронной машины.
[1] «Рекомендуемая практика для моделей систем возбуждения для исследований устойчивости энергосистемы», стандарт IEEE ® 421.5-1992, август 1992.
Общий стабилизатор силовой системы, гидравлическая турбина и регулятор, многополосный стабилизатор силовой системы, паровая турбина и регулятор, синхронная машина SI основной, синхронная машина pu основной, синхронная машина pu стандарт