Пример, описанный в этом разделе, иллюстрирует приложение программного обеспечения Simscape™ Electrical™ Specialized Power Systems изучить установившиеся и динамические характеристики статического компенсатора вара (SVC) на системе передачи. SVC - шунтирующее устройство семейства гибких систем передачи переменного тока («ФАКТЫ»), использующее силовую электронику. Он регулирует напряжение путем генерирования или поглощения реактивной мощности. Если вы не знакомы с SVC, см. документацию по блоку статического компенсатора Var (тип фазора), в которой описывается принцип работы SVC.
Блок статического компенсатора Var (тип фазора) библиотеки Simscape > Electrical > Specialized Power Systems > FACTS представляет собой упрощенную модель, которая может моделировать любую топологию SVC. Его можно использовать с типом фазорного моделирования блока Powergui для изучения динамической производительности и переходной стабильности энергосистем. Из-за низких частот электромеханических колебаний в больших энергосистемах (обычно от 0,02 Гц до 2 Гц) этот тип исследования обычно требует времени моделирования 30-40 секунд и более.
Модель SVC, описанная в этом примере, представляет собой довольно детальную модель конкретной топологии SVC (с использованием тиристорно-управляемого реактора (TCR) и тиристорно-коммутируемых конденсаторов (TSC)) с полным представлением силовой электроники. Этот тип модели требует дискретного моделирования на фиксированных временных шагах (в данном случае 50 мкс) и обычно используется для изучения производительности SVC в гораздо меньшем временном диапазоне (несколько секунд). Типовые применения включают оптимизацию системы управления, воздействие гармоник, переходных процессов и напряжений на силовые компоненты во время отказов.
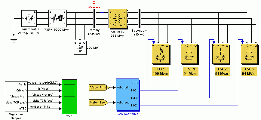
Однолинейная схема смоделированного SVC показана на однолинейной схеме SVC. Он представляет собой SVC 300 Мвар, подключенный к системе передачи 735 кВ.
Этот пример доступен в power_svc_1tcr3tsc модель. Загрузите эту модель и сохраните ее в рабочей папке как case2 позволяет вносить дальнейшие изменения в исходную систему. Эта модель показана на модели SPS 300 Mvar SVC в энергосистеме 735 кВ (power_svc_1tcr3tscs).
Однолинейная схема SVC

Модель SPS 300 Mvar SVC на энергосистеме 735 кВ (power_svc_1tcr3tscs)

SVC состоит из трансформатора связи 735 kV/16 кВ, 333 MVA, одного блока TCR 109 Mvar и трех блоков TSC 94 Mvar (TSC1 TSC2 TSC3), подключенных на вторичной стороне трансформатора.
Включение и выключение TSC позволяет дискретно изменять вторичную реактивную мощность от нуля до емкости 282 Мвар (при 16 кВ) с шагом 94 Мвар, тогда как управление фазой TCR обеспечивает непрерывное изменение от нуля до индуктивности 109 Мвар. Принимая во внимание реактивное сопротивление утечки трансформатора (0,15 pu), эквивалентная чувствительность SVC, видимая с первичной стороны, может непрерывно изменяться от -1,04 pu/100 MVA (полностью индуктивная) до + 3,23 pu/100 Mvar (полностью емкостная).
Контроллер SVC контролирует первичное напряжение и посылает соответствующие импульсы на 24 тиристора (6 тиристоров на трехфазный блок), чтобы получить чувствительность, требуемую регулятором напряжения.
Каждый трехфазный блок соединен в дельте, так что во время нормальной сбалансированной работы гармоники с триппленом нулевой последовательности (3-я, 9-я,...) остаются захваченными внутри дельты, уменьшая тем самым инжекцию гармоник в энергосистему.
Система питания представлена индуктивным эквивалентом (уровень короткого замыкания 6000 МВА) и 200-MW нагрузкой. Внутреннее напряжение эквивалентной системы может изменяться с помощью блока трехфазного программируемого источника напряжения для наблюдения за динамической реакцией SVC на изменения напряжения системы.
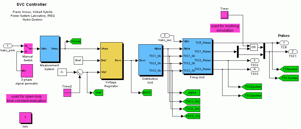
Модель контроллера SVC

Система управления SVC состоит из следующих четырех основных модулей:
Измерительная система измеряет первичное напряжение положительной последовательности. Эта система использует метод дискретных вычислений Фурье для оценки фундаментального напряжения в течение одностеричного среднего рабочего окна. Блок измерения напряжения приводится в действие системой фазовой автоподстройки частоты (ФАПЧ) для учета изменений системной частоты.
Регулятор напряжения использует PI-регулятор для регулирования первичного напряжения при опорном напряжении (1,0 pu, указанное в меню блока контроллера SVC). Понижение напряжения включается в регулирование напряжения для получения V-I характеристики с наклоном (0,01 pu/100 МВА в данном случае). Следовательно, когда рабочая точка SVC изменяется от полностью емкостной (+ 300 Mvar) до полностью индуктивной (-100 Mvar), напряжение SVC изменяется между 1-0,03 = 0,97 pu и 1 + 0,01 = 1,01 pu.
Блок распределения использует первичную характеристику Bsvc, вычисленную регулятором напряжения, для определения угла α срабатывания TCR и состояния (вкл ./выкл.) трех ветвей TSC. Угол возбуждения α как функция BTCR-сигнала BTCR реализуется с помощью справочной таблицы из уравнения
sin (2α)
где BTCR - чувствительность TCR в pu номинальной реактивной мощности TCR (109 Mvar)
Блок стрельбы состоит из трех независимых подсистем, по одной для каждой фазы (AB, BC и CA). Каждая подсистема состоит из ФАПЧ, синхронизированного на линии вторичного напряжения и генератора импульсов для каждой из ветвей TCR и TSC. Генератор импульсов использует угол зажигания α и состояние TSC, поступающие от блока распределения, для генерации импульсов. Запуск ветвей TSC может быть синхронизирован (один импульс посылается на положительный и отрицательный тиристоры при каждом цикле) или непрерывен. Синхронизированный режим стрельбы обычно является предпочтительным способом, поскольку он уменьшает гармоники быстрее. Убедитесь, что в диалоговом окне «Модуль стрельбы» выбран режим «Синхронизированный выстрел».
Теперь наблюдайте устойчивые формы сигналов и динамический отклик SVC при изменении напряжения системы. Выполните моделирование и просмотрите формы сигналов в блоке SVC Scope. Эти сигналы воспроизводятся ниже.
Формы сигналов, иллюстрирующие этапы динамического отклика SVC на напряжение системы

Первоначально напряжение источника устанавливается равным 1,004 pu, что приводит к напряжению 1,0 pu на клеммах SVC, когда SVC находится в нерабочем состоянии. Поскольку опорное напряжение Vref установлено равным 1,0 pu, SVC первоначально плавает (нулевой ток). Эта рабочая точка получается с TSC1 в эксплуатации и TCR почти при полной проводимости (α = 96 градусов).
При t = 0,1 с напряжение внезапно увеличивается до 1,025 pu. SVC реагирует путем поглощения реактивной мощности (Q = -95 Mvar), чтобы вернуть напряжение к 1,01 pu. Время установки 95% составляет приблизительно 135 мс. На данный момент все TSC находятся в нерабочем состоянии, а TCR почти на полной проводимости (α = 94 градуса).
При t = 0,4 с напряжение источника резко понижается до 0,93 pu. SVC реагирует путем генерирования 256 Мвар реактивной мощности, таким образом увеличивая напряжение до 0,974 pu.
В этот момент три TSC находятся в рабочем состоянии, и TCR поглощает приблизительно 40% своей номинальной реактивной мощности (α = 120 градусов ).
Наблюдайте на последнем следе объема, как TSC последовательно включаются и выключаются. Каждый раз, когда TSC включается, угол α TCR изменяется от 180 градусов (без проводимости) до 90 градусов (полная проводимость). Наконец, при t = 0,7 с напряжение увеличивается до 1,0 pu, и реактивная мощность SVC уменьшается до нуля.
Можно открыть подсистему Signal & Scopes для наблюдения за дополнительными формами сигналов. Напряжение и ток TCR в ветви AB, а также импульсы тиристоров отображаются в области TCR AB. Рисунок ниже масштабируется на три цикла, когда угол стрельбы α равен 120 градусам.
Стационарное напряжение и ток в TCR AB

В заключительном тематическом исследовании моделируется осечка TSC.
Каждый раз, когда TSC выключается, напряжение остается захваченным конденсаторами TSC. Если Вы смотрите на TSC1, Дающий осечку объем в Сигналах & подсистеме Объема, Вы можете наблюдать напряжение TSC1 (первый след) и ток TSC1 (второй след) для отделения AB. Напряжение на положительном тиристоре (тиристоре, проводящем положительный ток) показано на третьей дорожке, а импульсы, посылаемые на этот тиристор, показаны на четвертой дорожке. Обратите внимание, что положительный тиристор срабатывает при максимальном отрицательном напряжении TSC, когда напряжение клапана минимально.
Если по ошибке импульс зажигания не подается в нужное время, в клапанах TSC может наблюдаться очень большой переток. Проверьте в блоке SVC Controller, как можно смоделировать пропуски зажигания на TSC1. Блок таймера и блок ИЛИ используются для добавления импульсов к нормальным импульсам, поступающим от блока стрельбы.
Откройте меню блока таймера и удалите коэффициент умножения 100. Таймер теперь запрограммирован для посылки импульса пропуска зажигания, продолжающегося один раз выборки в момент времени t = 0,121 с.
Перезапустите моделирование. Формы волны, наблюдаемые относительно TSC1, Дающего осечку объем, воспроизведены ниже.
Напряжения TSC и ток в результате пропуска зажигания на TSC1

Обратите внимание, что импульс пропуска зажигания посылается, когда напряжение клапана является максимальным положительным сразу после блокировки TSC. Этот размыкание тиристора создает большой сверхток тиристора (в 18 кА или 6,5 раз больше номинального пикового тока). Также сразу после блокировки тиристора напряжение тиристора достигает 85 кВ (в 3,8 раза больше номинального пикового напряжения). Для предотвращения таких перетоков и перенапряжений тиристорные клапаны обычно защищены металлическими оксидными разрядниками (здесь не моделируются).