Идеальный трехфазный управляемый источник тока
Simscape/Электрооборудование/Источники

Управляемый источник тока (трехфазный) представляет собой идеальный трехфазный источник тока, который является достаточно мощным для поддержания заданного тока через него независимо от напряжения на нем. Выходные токи равны [ia ib ic] = S, где S - вектор, содержащий числовые значения, представленные на порте физического сигнала.
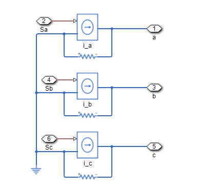
На рисунке показана эквивалентная схема для расширенной реализации блока управляемого источника тока (трехфазного).

Чтобы использовать управляемый источник тока (трехфазный) в качестве абстрагированного контроллера тока в электроприводе, подключите к машине консервационные порты для выходного тока.
Чтобы получить доступ к реализации варианта с расширенным трехфазным портом, щелкните правой кнопкой мыши блок и выберите «Simscape» > «Block choices».
Батарея | Источник тока (трехфазный) | Источник постоянного тока | Источник напряжения (трехфазный)