Полевой транзистор N-канального перехода
Simscape/Электрические/Полупроводники и преобразователи

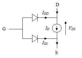
Блок N-канального JFET использует уравнения Шихмана и Ходжеса для представления N-канального JFET с использованием модели со следующей структурой:

G - транзисторный затвор, D - транзисторный сток, а S - транзисторный исток. Ток стока, ID, зависит от области работы и от того, работает ли транзистор в нормальном или обратном режиме.
В нормальном режиме (VDS ≥ 0) блок обеспечивает следующее соотношение между током стока ID и напряжением стока-истока VDS.
| Регион | Применимый диапазон значений VGS и VDS | Соответствующее уравнение идентификатора |
|---|---|---|
Прочь | VGS - Vt0 ≤ 0 | ИДЕНТИФИКАТОР = 0 |
Линейный | 0 < VDS < VGS - Vt0 | ID = βVDS (2 (VGS - Vt0) - VDS) (1 + λ VDS) |
Влажный | 0 < VGS - Vt0 ≤ VDS | ID = β (VGS - Vt0) 2 (1 + λ VDS) |
В инверсном режиме (VDS < 0) блок обеспечивает следующее соотношение между током стока ID и напряжением стока-истока VDS.
| Регион | Применимый диапазон значений VGS и VDS | Соответствующее уравнение идентификатора |
|---|---|---|
Прочь | VGD - Vt0 ≤ 0 | ИДЕНТИФИКАТОР = 0 |
Линейный | 0 < -VDS < VGD - Vt0 | ID = βVDS (2 (VGD - Vt0) + VDS) (1 - λ VDS) |
Влажный | 0 < VGD - Vt0 ≤ -VDS | ID = β (VGD - Vt0) 2 (1 - λ VDS) |
В предыдущих уравнениях:
VGS - напряжение затвора-источника.
VGD - напряжение затвора-стока.
Vt0 - пороговое напряжение. При выборе Specify using equation parameters directly для параметра Параметризация (Parameterization), Vt0 является значением параметра Пороговое напряжение (Threshold voltage). В противном случае блок вычисляет Vt0 на основе заданных параметров таблицы.
β - параметр транспроводимости. При выборе Specify using equation parameters directly для параметра Параметризация β - значение параметра Проводимость. В противном случае блок вычисляет β на основе заданных параметров таблицы.
λ - параметр модуляции длины канала. При выборе Specify using equation parameters directly для параметра параметризации λ - значение параметра модуляции длины канала. В противном случае блок вычисляет λ на основе заданных параметров таблицы.
Токи в каждом из диодов удовлетворяют экспоненциальному диодному уравнению
1)
1)
где:
IS - ток насыщения. При выборе Specify using equation parameters directly для параметра Параметризация (Parameterization) IS - значение текущего параметра Насыщение (Saturation). В противном случае блок вычисляет IS на основе заданных параметров таблицы.
q - элементарный заряд на электроне (1.602176e-19 кулонов).
k - постоянная Больцмана (1.3806503e-23 Дж/К).
Tm1 - температура измерения. Значение определяется параметром Measurement temperature.
Блок моделирует емкость перехода затвора как фиксированную емкость CGD затвора-стока и фиксированную емкость CGS затвора-истока. При выборе Specify using equation parameters directly для параметра Параметризация (Parameterization) эти значения задаются непосредственно с помощью параметров емкости литникового-стокового перехода и емкости литникового-истокового перехода. В противном случае блок извлекает их из значений параметров Crss входной емкости Ciss и обратной емкости переноса. Две параметризации связаны следующим образом:
CGD = Crss
CGS = Ciss - Crss
Поведение по умолчанию заключается в том, что зависимость от температуры не моделируется, а устройство моделируется при температуре, для которой предоставляются параметры блока. Можно дополнительно включить моделирование зависимости статического поведения транзистора от температуры во время моделирования. Температурная зависимость емкостей перехода не моделируется, что является гораздо меньшим эффектом.
При включении температурной зависимости транзистор, определяющий уравнения, остается прежним. Измеренное значение температуры Tm1 заменяется расчетной температурой Ts. Транспроводимость, β, и пороговое напряжение, Vt0, становятся функцией температуры в соответствии со следующими уравнениями:
BEX
Vt0s = Vt01 + α (Ts - Tm1)
где:
Tm1 - температура, при которой задаются параметры транзистора, определяемые значением параметра Measurement temperature.
Ts - температура моделирования.
βTm1 - транспроводимость JFET при температуре измерения.
βTs - транспроводимость JFET при температуре моделирования. Это значение транспроводимости, используемое в уравнениях JFET при моделировании температурной зависимости.
Vt01 - пороговое напряжение при температуре измерения.
Vt0s - пороговое напряжение при температуре моделирования. Это пороговое значение напряжения, используемое в уравнениях JFET при моделировании температурной зависимости.
BEX - показатель температуры мобильности. Типичное значение BEX - -1,5.
α - пороговый температурный коэффициент напряжения затвора, dVth/dT.
Для большинства JFETS можно использовать значение по умолчанию -1.5 для BEX. Некоторые таблицы данных цитируют значение для α, но, как правило, они обеспечивают температурную зависимость для тока насыщенного стока, I_dss. В зависимости от метода параметризации блока существует два способа задания α:
При параметризации блока из таблицы данных необходимо предоставить I_dss при второй температуре измерения. Затем блок вычисляет значение для α на основе этих данных.
Если параметризация выполняется путем задания параметров уравнений, необходимо указать значение для α напрямую.
Если имеется больше данных, содержащих ток стока, как функцию напряжения затвора-источника для фиксированного напряжения стока-источника, нанесенного на график при более чем одной температуре, можно также использовать программное обеспечение Simulink ® Design Optimization™ для настройки значений α и BEX.
Кроме того, член тока насыщения, IS, в уравнениях тока затвор-сток и затвор-исток зависит от температуры
Ts/Tm1))
где:
ISTm1 - ток насыщения при температуре измерения.
IST - ток насыщения при температуре моделирования. Это значение тока насыщения, используемое в уравнениях диода затвора при моделировании температурной зависимости.
ЭГ - это энергетический разрыв.
k - постоянная Больцмана (1.3806503e-23 Дж/К).
XTI - показатель температуры тока насыщения.
Подобно α, у вас есть два способа определения EG и XTI:
При параметризации блока из таблицы данных необходимо указать обратный ток литника, I_gss, при второй температуре измерения. Затем блок вычисляет значение для EG на основе этих данных и предполагая номинальное значение p-n перехода, равное 3 для XTI.
Если параметризация выполняется путем задания параметров уравнений, необходимо предоставить значения для EG и XTI напрямую. Эта опция обеспечивает наибольшую гибкость для соответствия поведению устройства, например, при наличии графика I_gss как функции температуры. С помощью этих данных можно использовать программное обеспечение Simulink Design Optimization для настройки значений для EG и XTI.
Блок имеет дополнительный тепловой порт, скрытый по умолчанию. Чтобы открыть тепловой порт, щелкните правой кнопкой мыши блок в модели, а затем в контекстном меню выберите Simscape > Block choices > Show thermal port. Это действие отображает тепловой порт H на значке блока и отображает параметры теплового порта.
Используйте тепловой порт для моделирования влияния генерируемого тепла и температуры устройства. Дополнительные сведения об использовании тепловых портов и о параметрах тепловых портов см. в разделе Моделирование тепловых эффектов в полупроводниках.
Этот блок не позволяет задавать начальные условия на емкостях перехода. Если в блоке Конфигурация решателя (Solver Configuration) выбрана опция Начать моделирование из стационарного состояния (Start simulation from steading state), блок решает начальные напряжения, чтобы они соответствовали расчетному стационарному состоянию. В противном случае напряжения равны нулю в начале моделирования.
Возможно, для предотвращения проблем с числовым моделированием потребуется использовать ненулевые значения омического сопротивления и емкости перехода, но моделирование может выполняться быстрее, если эти значения равны нулю.
Блок не учитывает зависящие от температуры воздействия на емкости перехода.
При указании I_dss при второй температуре измерения она должна быть указана для той же рабочей точки (то есть для того же самого тока стока и напряжения затвора-источника), что и для значения I_dss на вкладке «Главная». Противоречивые значения для I_dss при более высокой температуре приведут к нефизическим значениям для α и непредставительным результатам моделирования.
Возможно, потребуется настроить значение BEX для репликации отношения ID-VGS (если оно доступно) для данного устройства. Значение BEX влияет на то, пересекаются ли кривые ID-VGS для различных температур или нет, для рассматриваемых диапазонов ID и VGS.
[1] Х. Шихман и Д. А. Ходжес, Моделирование и моделирование полевых транзисторных коммутационных цепей с изолированным затвором. IEEE J. Твердотельные схемы, SC-3, 1968.
[2] Г. Массобрио и П. Антогнетти. Моделирование полупроводниковых приборов с помощью SPICE. 2-е издание, McGraw-Hill, 1993. Глава 2.