Формирование 6-импульсного сигнала тиристора в однопульсном режиме
Simscape / Электрический / Контроль / Модуляция Ширины импульса

Блок Thyristor 6-Pulse Generator реализует тиристорный 6-импульсный генератор сигналов в однопульсном режиме.
Этот блок можно использовать для преобразования переменного тока в постоянный с фазовым управлением:
Измерение угла синхронизации сигнала переменного тока с помощью фазовой автоподстройки частоты
Управление сетью тиристорных преобразователей импульсами, генерируемыми этим блоком
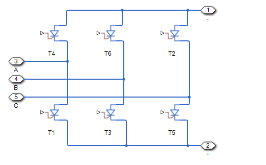
На рисунке показана эквивалентная схема для тиристорного генератора 6-Pulse.

Основываясь на угле синхронизации, тета и угле зажигания, альфа, блок внутренне генерирует шесть аппарелей, по одному для каждого из импульсных элементов в своем выходном векторе.
Блок генерирует импульс на одном из выходов, когда соответствующий клин встречается или пересекает заданный угол выстрела в направлении вверх. На этом рисунке показан такой механизм генерации импульсов для одного из выходов.

Установите стратегию упорядочения импульсов, чтобы изменить отдельный фазовый сдвиг каждого клина и, как следствие, порядок генерируемых импульсов:
Установите Pulse ordering свойство для Sequential device order генерировать импульсы в последовательном порядке. Эта стратегия используется для генерации импульсов для блока преобразователя (трехфазного) или других тиристорных сетей, использующих последовательное упорядочение.

Установите Pulse ordering свойство для Natural order of commutation генерировать импульсы в естественном порядке. Эта стратегия используется для генерации импульсов для тиристорных сетей, использующих естественный порядок.

[1] Пелли, Б. Р. Тиристорные фазоуправляемые преобразователи и циклоконвертеры: работа, управление и производительность. Нью-Йорк, Нью-Йорк: John Wiley & Sons, Inc., 1971.