Двунаправленный трехплечий преобразователь переменного/постоянного тока с контроллером
Simscape/Электрические/Полупроводники и преобразователи/Преобразователи

Блок преобразователя (трехфазный) моделирует схему трехстороннего преобразователя, которая соединяет трехфазную сеть переменного тока с сетью постоянного тока.
Каждый компонент в цепи с тремя рычагами является одним и тем же коммутационным устройством, которое задается с помощью опции в диалоговом окне Блок преобразователя (трехфазный). Коммутационные устройства, которые можно указать, представляют собой реализации блоков в библиотеке Simscape > Electrical > Semiconductors & Converters > Semiconductors.
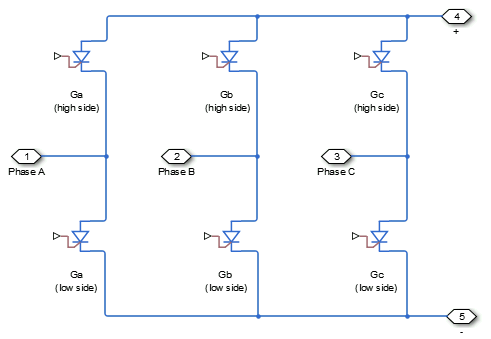
На рисунке показана эквивалентная схема преобразователя с полностью управляемыми коммутационными устройствами (например, IGBT, GTO).

На рисунке показана эквивалентная схема преобразователя с частично управляемыми переключающими устройствами (например, тиристорами).

Управление портами затвора шести коммутационных устройств осуществляется через вход в порт G блока преобразователя (трехфазного):
Мультиплексирование всех шести вентильных сигналов в один вектор с помощью блока мультиплексора шестиимпульсных вентилей.
Подключите выход блока шестиимпульсного вентильного мультиплексора к порту G блока преобразователя (трехфазного).
Для каждого переключающего устройства можно указать встроенный защитный диод. Встроенный диод защищает полупроводниковый прибор, обеспечивая путь проводимости для обратного тока. Индуктивная нагрузка может создавать высокий скачок обратного напряжения, когда полупроводниковый прибор внезапно отключает подачу напряжения на нагрузку.
В таблице показано, как установить параметр Integral protection diode в зависимости от поставленных целей.
Для каждого переключающего устройства можно включить снуберную схему, состоящую из последовательно соединенных резистора и конденсатора. Цепи Snubber защищают коммутационные устройства от высоких напряжений, которые создают индуктивные нагрузки, когда устройство отключает подачу напряжения на нагрузку. Схемы Snubber также предотвращают чрезмерные скорости изменения тока при включении переключающего устройства.
Преобразователь среднего значения DC-DC | Двунаправленный преобразователь постоянного тока | Повышающий преобразователь | Конвертер баков | Конвертер Buck-Boost | GTO | Идеальный полупроводниковый коммутатор | IGBT (идеальный, коммутационный) | MOSFET (идеальный вариант, переключение) | Генератор ШИМ | Генератор ШИМ (трехфазный, двухуровневый) | Шестиимпульсный вентильный мультиплексор | Трехуровневый преобразователь (трехфазный) | Тиристор (кусочно-линейный)