Ослабление возмущений в определенных местах и в определенных диапазонах частот при использовании тюнера системы управления.
Цель отклонения возмущений определяет минимальное ослабление возмущений, вводимых в определенном месте системы управления.
При использовании этой цели настройки программное обеспечение пытается настроить систему таким образом, чтобы ослабление возмущения в указанном месте превышало заданный минимальный коэффициент ослабления. Этот коэффициент затухания представляет собой отношение чувствительности разомкнутого и замкнутого контура к возмущению и является функцией частоты.
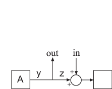
На следующей диаграмме показано, как рассчитывается коэффициент затухания. Предположим, вы указываете местоположение в системе управления, y, который является выходом блока A. В этом случае программное обеспечение вычисляет чувствительность по замкнутому контуру при out к сигналу, введенному в in. Программное обеспечение также вычисляет чувствительность при разомкнутом контуре управления в местоположении z.

Чтобы задать цель отклонения возмущения, необходимо указать одно или несколько местоположений для ослабления возмущения. Вы также предоставляете зависящий от частоты минимальный коэффициент затухания в виде числовой модели LTI. Ослабление возмущений может быть достигнуто только внутри полосы пропускания управления. Коэффициент усиления контура должен быть больше единицы для ослабления возмущения (коэффициент ослабления > 1).

При создании цели настройки в настройщике системы управления создается график цели настройки. Пунктирная линия показывает заданный профиль усиления. Затененная область на графике представляет область в частотной области, где цель настройки не удовлетворена. Сплошная линия - это текущий соответствующий отклик системы.
Если вы предпочитаете указывать чувствительность к возмущению в месте, а не ослабление возмущения, вы можете использовать цель чувствительности.
На вкладке Настройка тюнера системы управления выберите Новая цель > Отклонение возмущения, чтобы создать Цель отклонения возмущения.
При настройке систем управления в командной строке используйте TuningGoal.Rejection для указания цели отклонения возмущения.
Этот раздел диалогового окна используется для указания местоположения сигнала, в котором должно быть введено возмущение. Можно также указать места открытия цикла для оценки цели настройки.
Нарушения впрыска в следующих местах
Выберите одно или несколько местоположений сигнала в модели для измерения ослабления возмущений. Чтобы ограничить ответ SISO, выберите расположение с одним значением. Например, для ослабления возмущения в месте с именем 'y', нажмите
Добавить сигнал в список и выберите 'y'. Чтобы ограничить MIMO-отклик, выберите несколько сигналов или сигнал с векторным значением.
Оценка отклонения возмущения при размыкании следующих контуров
Выберите одно или несколько расположений сигналов в модели, в которых следует открыть цикл обратной связи для оценки этой цели настройки. Цель настройки оценивается по конфигурации с разомкнутым контуром, созданной путем открытия контуров обратной связи в определенных местоположениях. Например, чтобы оценить цель настройки с помощью проема в месте с именем 'x', нажмите
Добавить сигнал в список и выберите 'x'.
Совет
Чтобы выделить любой выбранный сигнал в модели Simulink ®, щелкните значок
. Чтобы удалить сигнал из списка ввода или вывода, щелкните значок.
После выбора нескольких сигналов их можно переупорядочить с помощью
и.
Дополнительные сведения о том, как указать расположение сигнала для цели настройки, см. в разделе Указание целей для интерактивной настройки.
Укажите минимальное затухание возмущений как функцию частоты.
Введите числовую модель LTI SISO, величина которой представляет требуемый профиль затухания как функцию частоты. Например, можно указать функцию плавного переноса (tf, zpk, или ss модель). Кроме того, можно нарисовать кусочно-минимальное отклонение возмущения с помощью frd модель. При этом программа автоматически сопоставляет профиль с функцией плавного переноса, которая приближается к требуемому минимальному отклонению возмущения. Например, чтобы задать коэффициент затухания 100 (40 дБ) ниже 1 рад/с, который постепенно падает до 1 (0 дБ) за 10 рад/с, введите frd([100 100 1 1],[0 1 10 100]).
При настройке за дискретное время можно задать профиль затухания как модель дискретного времени с тем же временем выборки, что и при настройке. Если вы указываете профиль затухания в непрерывное время, программа настройки дискретизирует его. Задание профиля затухания в дискретное время дает вам больше контроля над профилем вблизи частоты Найквиста.
Этот раздел диалогового окна используется для определения дополнительных характеристик цели отклонения возмущений.
Обеспечение цели в частотном диапазоне
Ограничьте применение цели настройки определенной полосой частот. Укажите полосу частот как вектор строки формы [min,max], выраженное в единицах частоты модели. Например, чтобы создать цель настройки, применяемую только в диапазоне от 1 до 100 рад/с, введите [1,100]. По умолчанию цель настройки применяется на всех частотах для непрерывного времени и до частоты Найквиста для дискретного времени.
Независимо от введенных ограничений, цель отклонения возмущения может быть принудительно применена только в пределах полосы пропускания управления.
Уравнивание кросс-канальных эффектов
Для требований к отклонению многолучевых помех или помех MIMO каналы обратной связи автоматически масштабируются для выравнивания членов вне диагонали (взаимодействия контуров) в функции передачи с разомкнутым контуром. Выбрать Off деактивировать такое масштабирование и формировать немасштабированный отклик с разомкнутым контуром.
Применить цель к
Эта опция используется при настройке сразу нескольких моделей, например массива моделей, полученных линеаризацией модели Simulink в различных рабочих точках или значениями параметров блока. По умолчанию активные цели настройки применяются для всех моделей. Чтобы применить требование настройки для подмножества моделей в массиве, выберите Только модели (Only Models). Затем введите индексы массива моделей, для которых применяется цель. Например, предположим, что необходимо применить цель настройки ко второй, третьей и четвертой моделям в массиве модели. Для ограничения применения требования введите 2:4 в текстовом поле «Только модели».
Дополнительные сведения о настройке для нескольких моделей см. в разделе Подходы к надежной настройке (инструментарий надежного управления).
При настройке системы управления программа преобразует каждую цель настройки в нормализованное скалярное значение f (x). Здесь x - вектор свободных (настраиваемых) параметров в системе управления. Затем программа корректирует значения параметров для минимизации f (x) или для приведения f (x) ниже 1, если цель настройки является жестким ограничением.
Для цели отклонения нарушения f (x) задается следующим образом:
x) ‖∞,
или его дискретный временной эквивалент. Здесь S (jλ, x) - функция чувствительности с замкнутым контуром, измеренная в месте возмущения. Λ - интервал частоты, в течение которого выполняется требование, указанное в поле Enforce target in frequency range. WS - функция частотного взвешивания, полученная из указанного профиля ослабления. Коэффициенты усиления WS и заданного профиля приблизительно совпадают для значений коэффициента усиления в диапазоне от -20 дБ до 60 дБ. По числовым причинам взвешивающая функция выравнивается вне этого диапазона, если только указанный профиль усиления не изменяет наклон вне этого диапазона. Эта корректировка называется регуляризацией. Поскольку полюса WS близки к s = 0 или s =Inf может привести к плохой цифровой настройке для настройки, не рекомендуется указывать формы петель с очень низкочастотной или очень высокочастотной динамикой. Дополнительные сведения о регуляризации и ее последствиях см. в разделе Визуализация целей настройки.
Эта цель настройки накладывает неявное ограничение стабильности на функцию чувствительности с замкнутым контуром, измеренную в указанном, вычисляемом с контурами, открытыми в указанных местоположениях открытия контура. Динамика, на которую влияет это неявное ограничение, является стабилизированной динамикой для этой цели настройки. Опции Минимальная скорость затухания (Minimum decay rate) и Максимальная собственная настройка частоты (Maximum natural frequency) управляют нижней и верхней границами этой неявно ограниченной динамики. Если оптимизация не соответствует границам по умолчанию или если границы по умолчанию противоречат другим требованиям, на вкладке Настройка (Tuning) воспользуйтесь опциями настройки для изменения значений по умолчанию.